Zum Hauptinhalt springen Zur Suche springen Zur Hauptnavigation springen
Technische Daten
Produktbilder
Dokumente

ASI_SB2AWG18 - Steckbuchse

Baureihe
Zubehör AS-Interface
Technische Skizzen
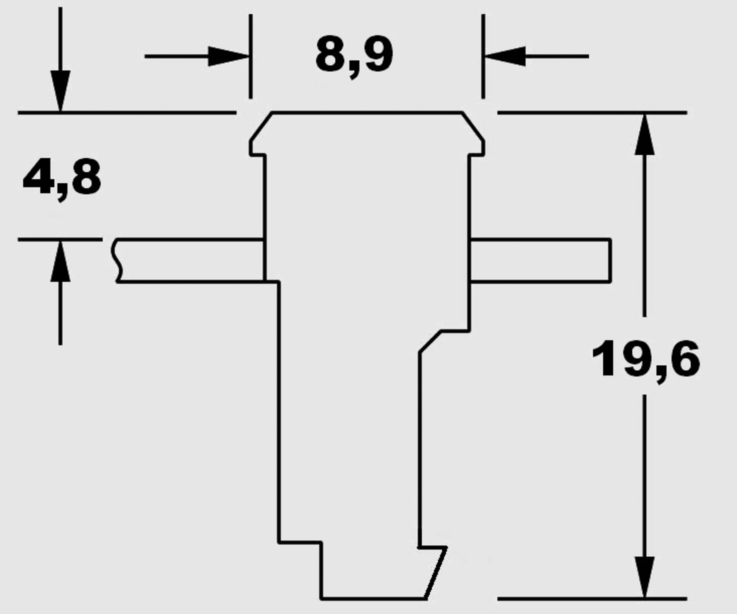
Maßskizze ASI_SB2AWG18
Produktbild ASI_SB2AWG18
Dokumente
Icon E-Mail Icon Telefon