Zum Hauptinhalt springen Zur Suche springen Zur Hauptnavigation springen
Technische Daten
Produktbilder
Dokumente

CAFP2 - Steckfassung mit 2 Kontakten

Anschluss
Printanschluss
Technische Skizzen
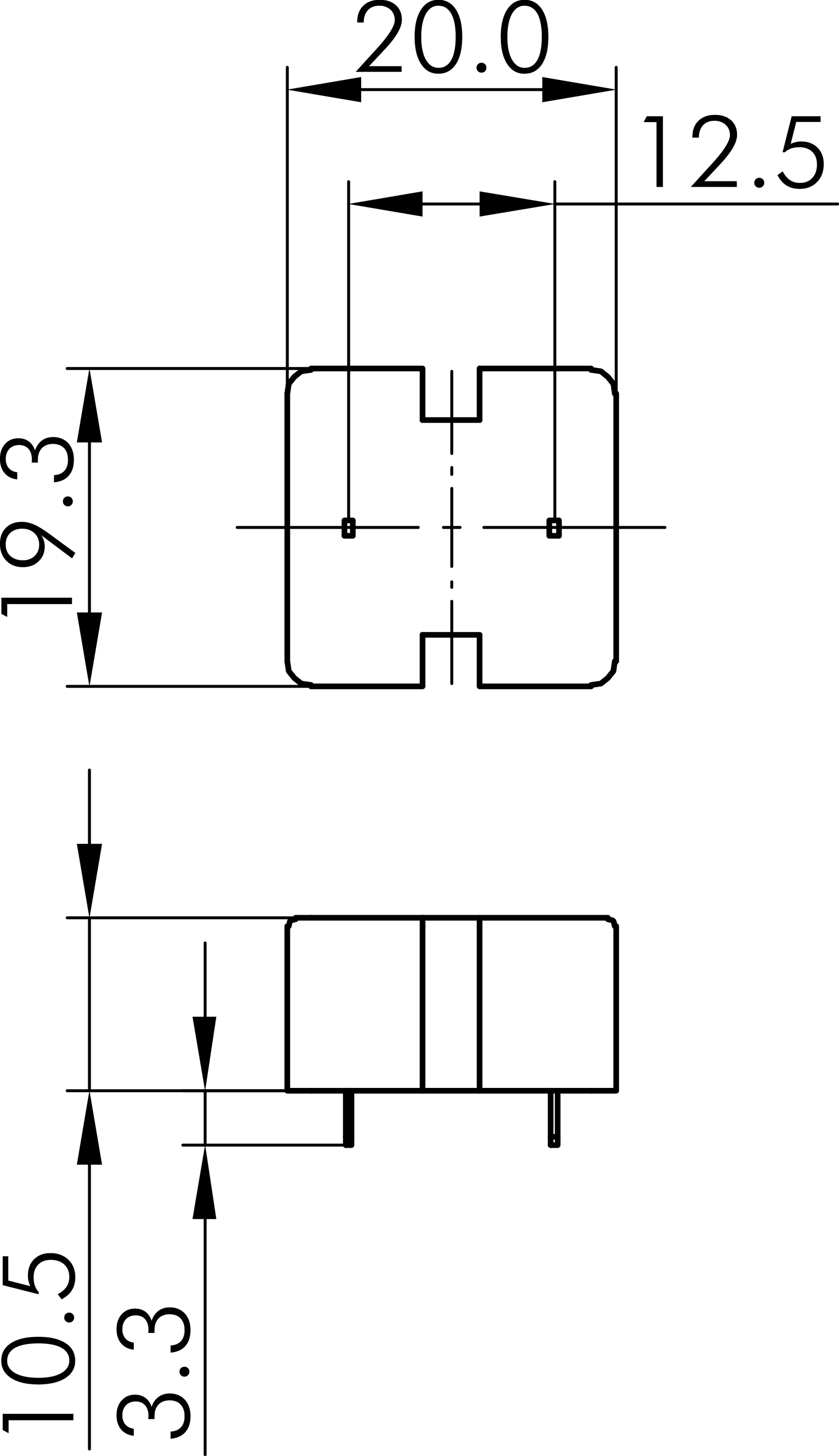
Maßskizze CAFP2
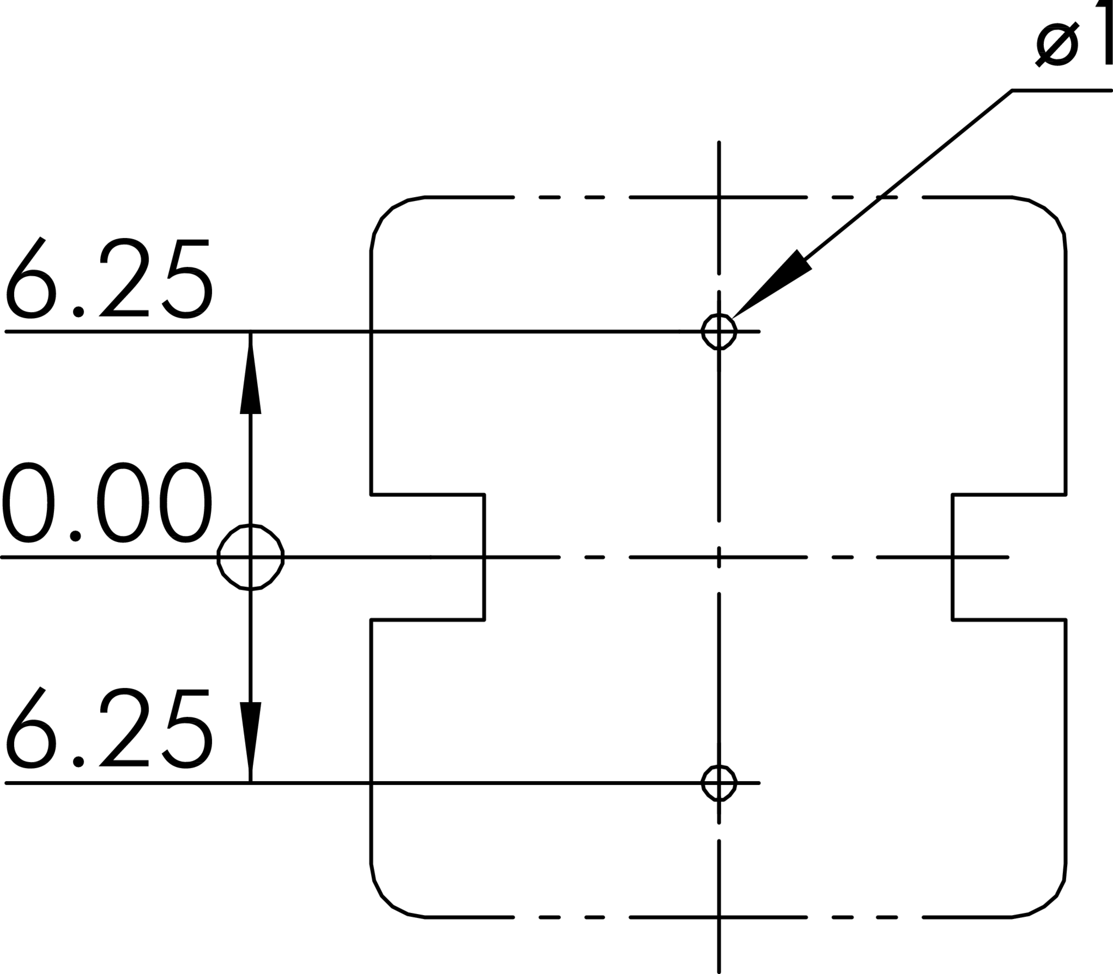
Bohrbild CAFP2
Produktbild CAFP2
Dokumente
Icon E-Mail Icon Telefon