Zum Hauptinhalt springen Zur Suche springen Zur Hauptnavigation springen
Technische Daten
Produktbilder
Dokumente

CAFP3 - Steckfassung mit 3 Kontakten

Baureihe
Kontaktgeber C...F
Anschluss
Printanschluss
Technische Skizzen
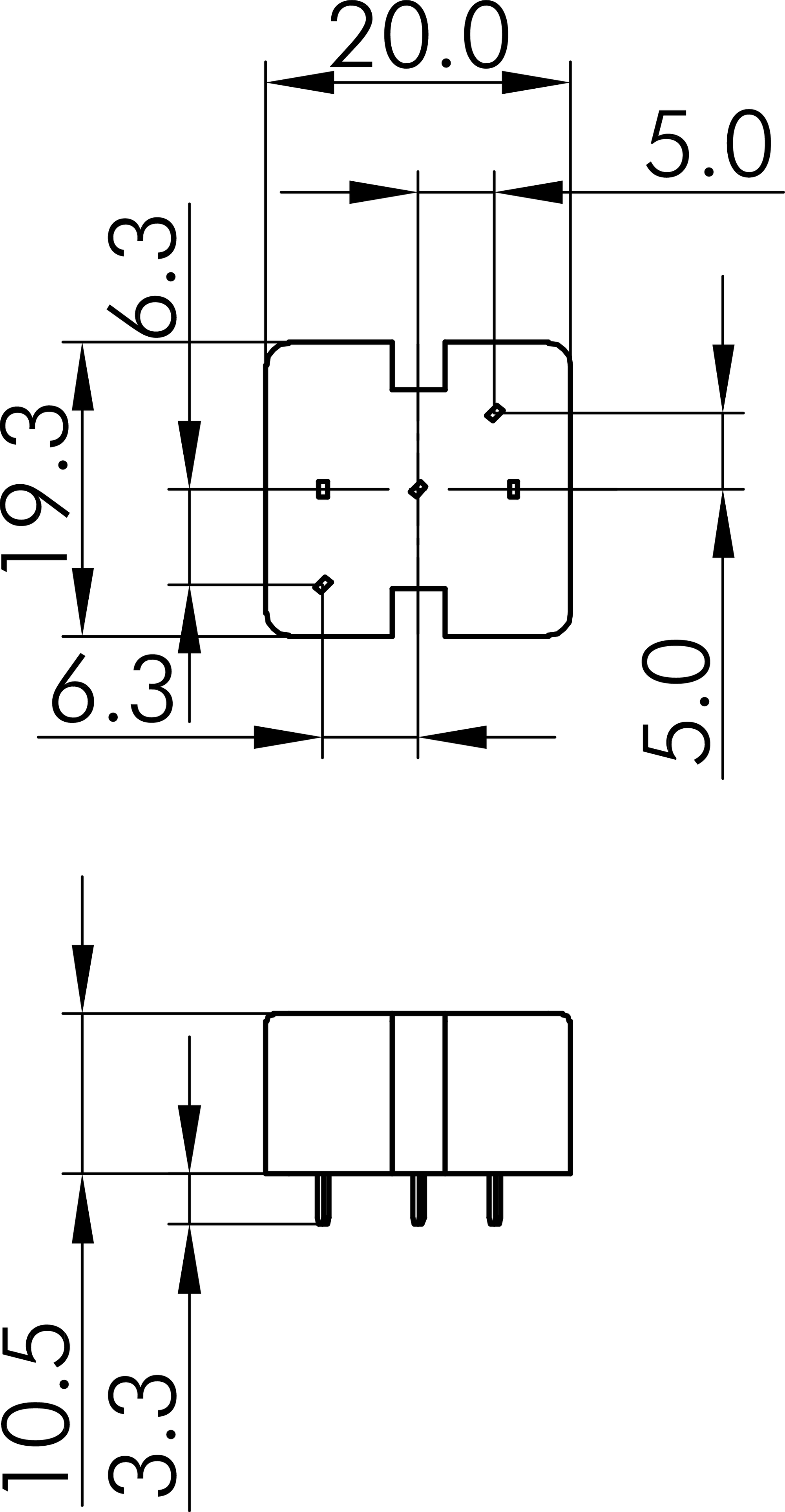
Maßskizze CAFP3
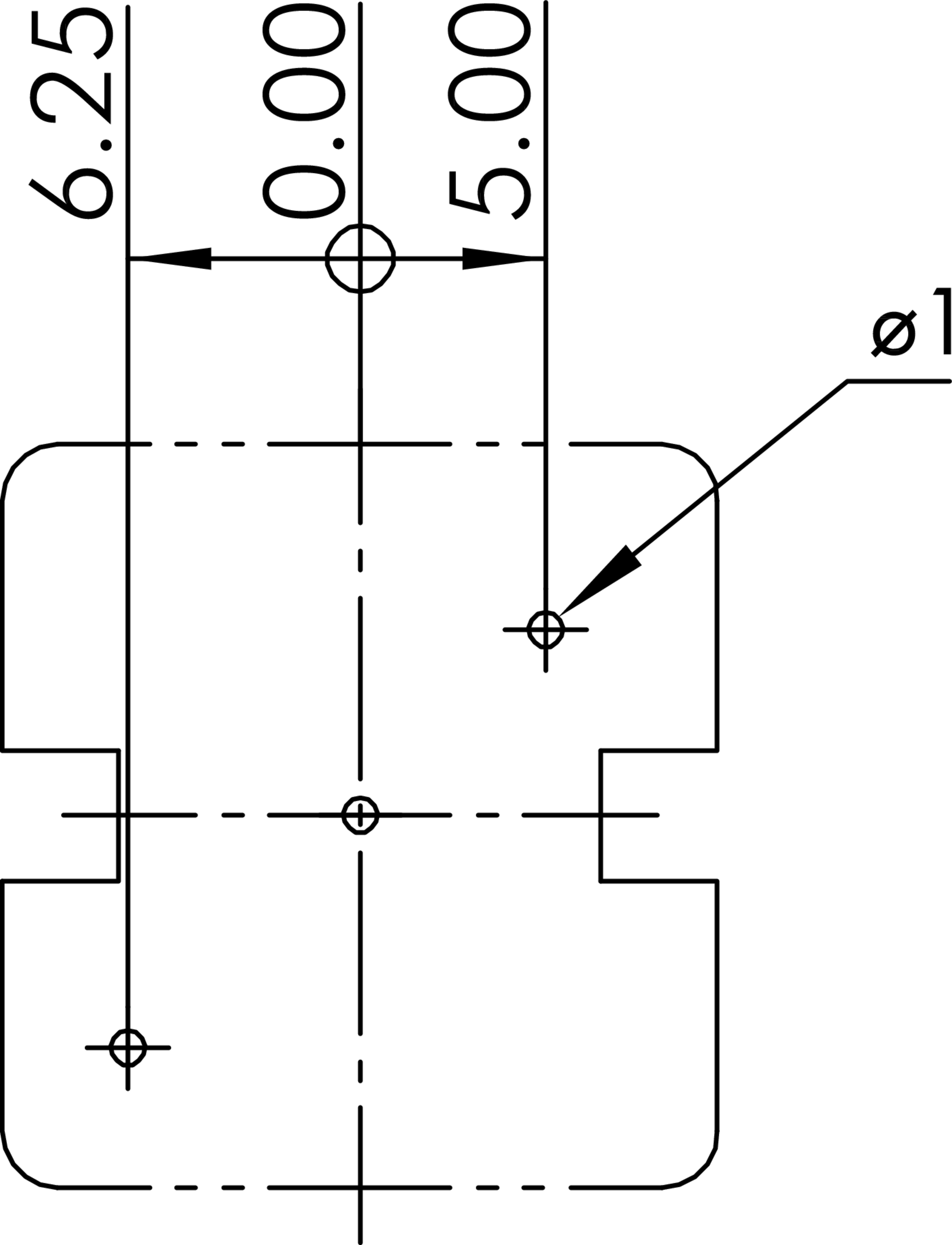
Bohrbild CAFP3
Produktbild CAFP3
Dokumente
Icon E-Mail Icon Telefon