Zum Hauptinhalt springen Zur Suche springen Zur Hauptnavigation springen
Technische Daten
Produktbilder
Dokumente

CAP5 - Steckfassung mit 5 Kontakten

Baureihe
Kontaktgeber CT...
Anschluss
Printanschluss
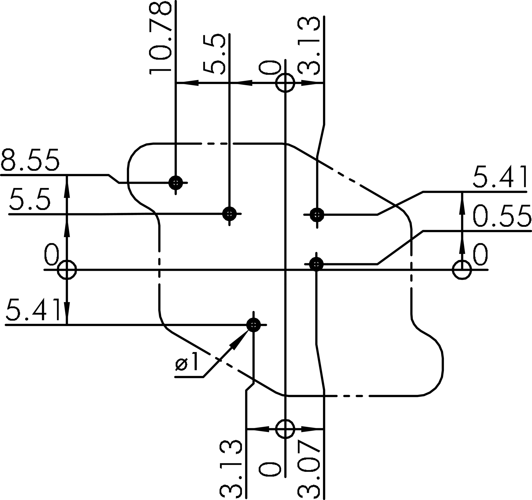
Technische Skizzen
Maßskizze CAP5
Bohrbild CAP5
Produktbild CAP5
Dokumente
Icon E-Mail Icon Telefon