Zum Hauptinhalt springen Zur Suche springen Zur Hauptnavigation springen
Technische Daten
Produktbilder
Dokumente

CAP6 - Steckfassung mit 6 Kontakte

Baureihe
Kontaktgeber CT...
Anschluss
Printanschluss
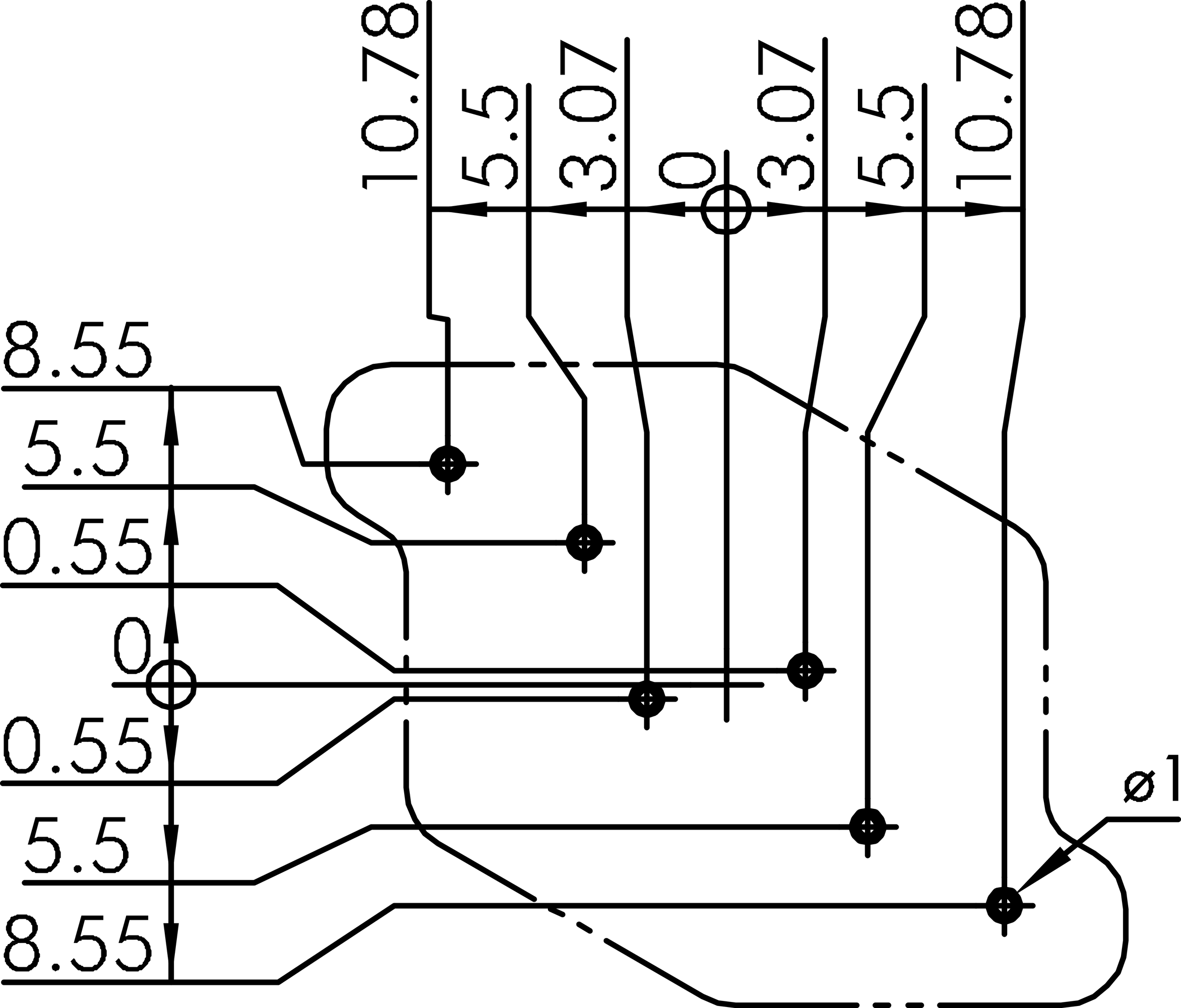
Technische Skizzen
Maßskizze CAP6
Bohrbild CAP6
Produktbild CAP6
Dokumente
Icon E-Mail Icon Telefon