Zum Hauptinhalt springen Zur Suche springen Zur Hauptnavigation springen
Technische Daten
Produktbilder
Dokumente

CAP8 - Steckfassung mit 8 Kontakte

Baureihe
Kontaktgeber CT...
Anschluss
Printanschluss
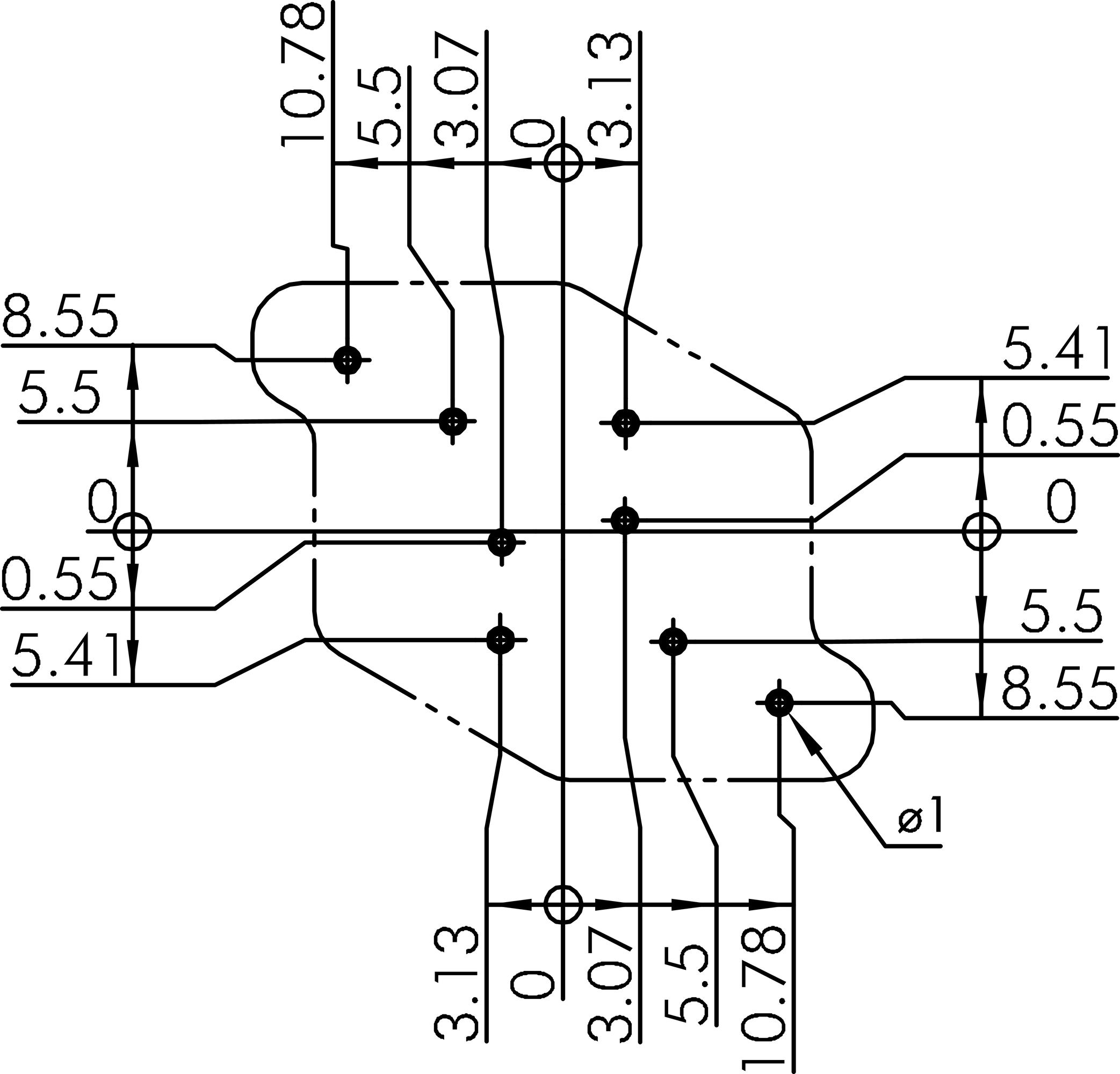
Technische Skizzen
Maßskizze CAP8
Bohrbild CAP8
Produktbild CAP8
Dokumente
Icon E-Mail Icon Telefon