Zum Hauptinhalt springen Zur Suche springen Zur Hauptnavigation springen
Technische Daten
Produktbilder
Dokumente

CZTLP - Leucht-Tastkontaktgeber

Baureihe
Kontaktgeber CZ...
Schaltfunktion
Tastfunktion
Anschluss
Printanschluss
Beleuchtung
Ja
Leuchtmittel
T5,5K Lampenfassung
Schutzart Vorne
IP00
Betriebstemperatur
-30°C ... 70°C ohne Beleuchtung
-30°C ... 65°C bei LED-Beleuchtung
-30°C ... 55°C bei Glühlampenbeleuchtung
Mechanische Lebensdauer
1.000.000 Schaltspiele
Elektrische Lebensdauer
1.000.000 Schaltspiele bei Nennlast
Approbationen
cCSAus, CCC, cURus, DNVGL
Schutzklasse
II (Schutzisolierung)
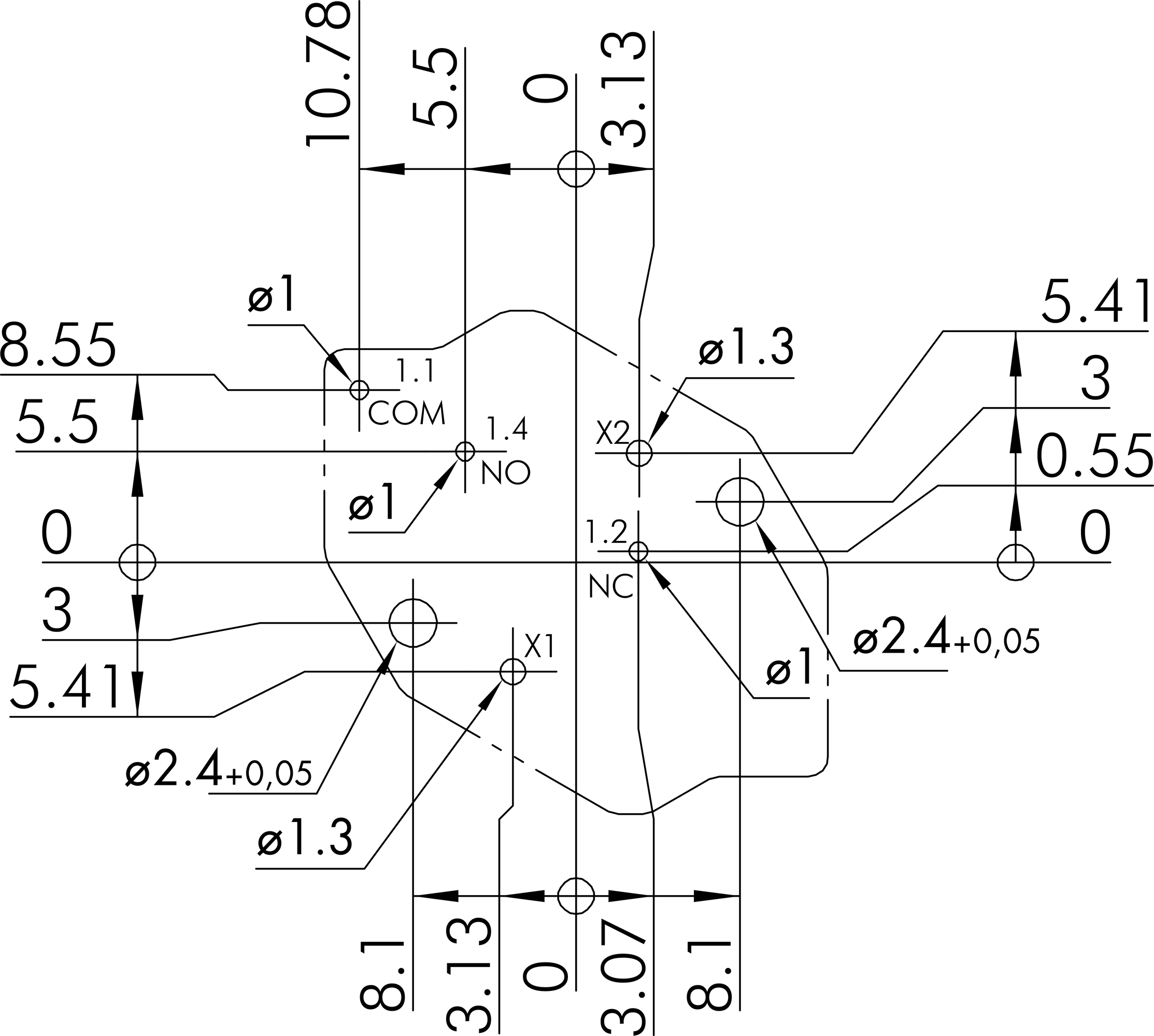
Technische Skizzen
Maßskizze CZTLP
Bohrbild CZTLP
Schaltbild CZTLP
Produktbild CZTLP
Dokumente
Icon E-Mail Icon Telefon