Zum Hauptinhalt springen Zur Suche springen Zur Hauptnavigation springen
Technische Daten
Produktbilder
Dokumente

CZTP - Tastkontaktgeber

Baureihe
Kontaktgeber CZ...
Kontaktart
1CO
Schaltfunktion
Tastfunktion
Anschluss
Printanschluss
Beleuchtung
Nein
Schutzart Vorne
IP00
Betriebstemperatur
-30°C ... 70°C
Mechanische Lebensdauer
1.000.000 Schaltspiele
Elektrische Lebensdauer
1.000.000 Schaltspiele bei Nennlast
Approbationen
cCSAus, CCC, cURus, DNVGL
Schutzklasse
II (Schutzisolierung)
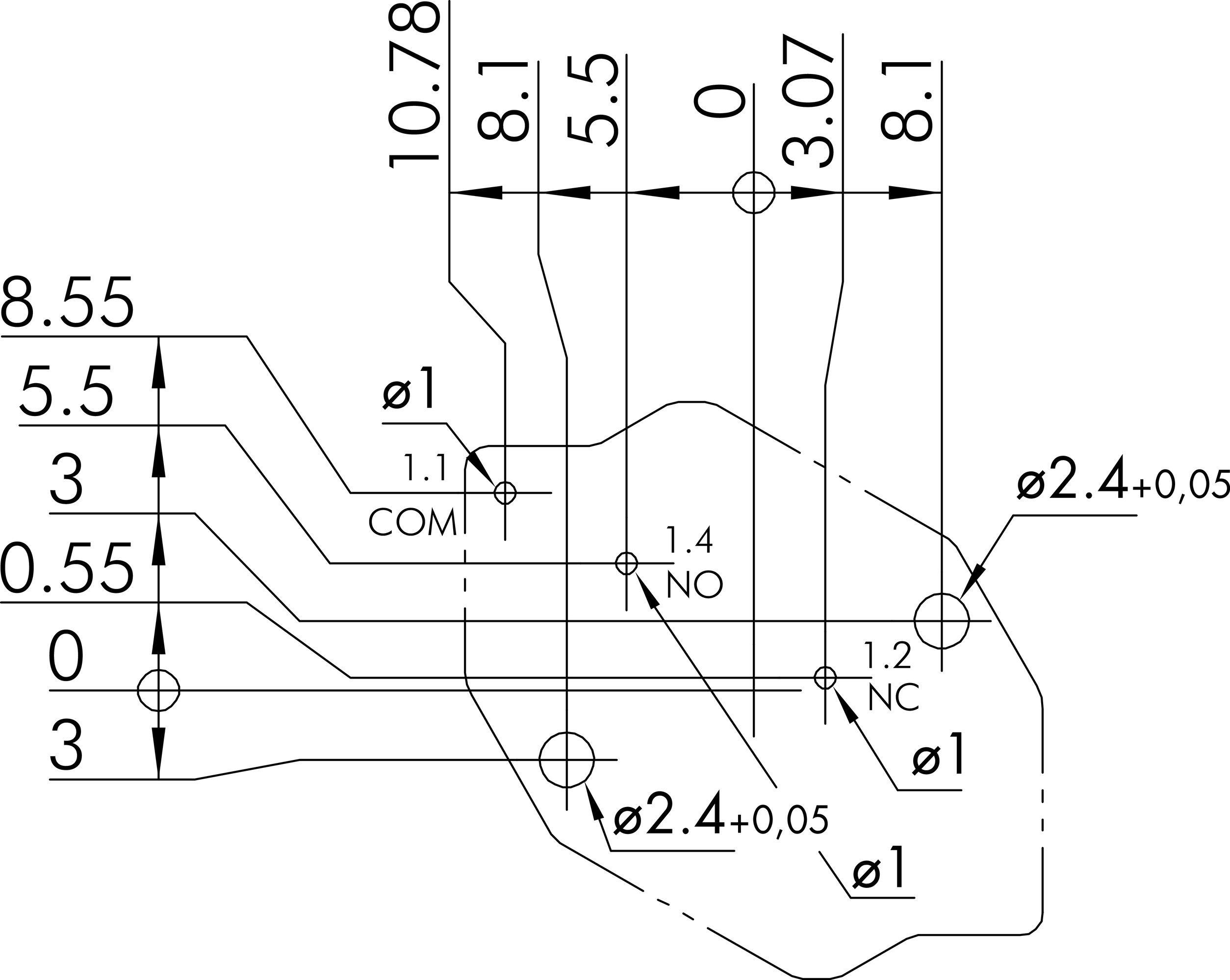
Technische Skizzen
Maßskizze CZTP
Bohrbild CZTP
Schaltbild CZTP
Produktbild CZTP
Dokumente
Icon E-Mail Icon Telefon