Skip to main content Skip to search Skip to main navigation
Technical data
Product images
Documents

RRJWAL_RT - Illuminated selector head, maintained

Series
Rontron-R-Juwel
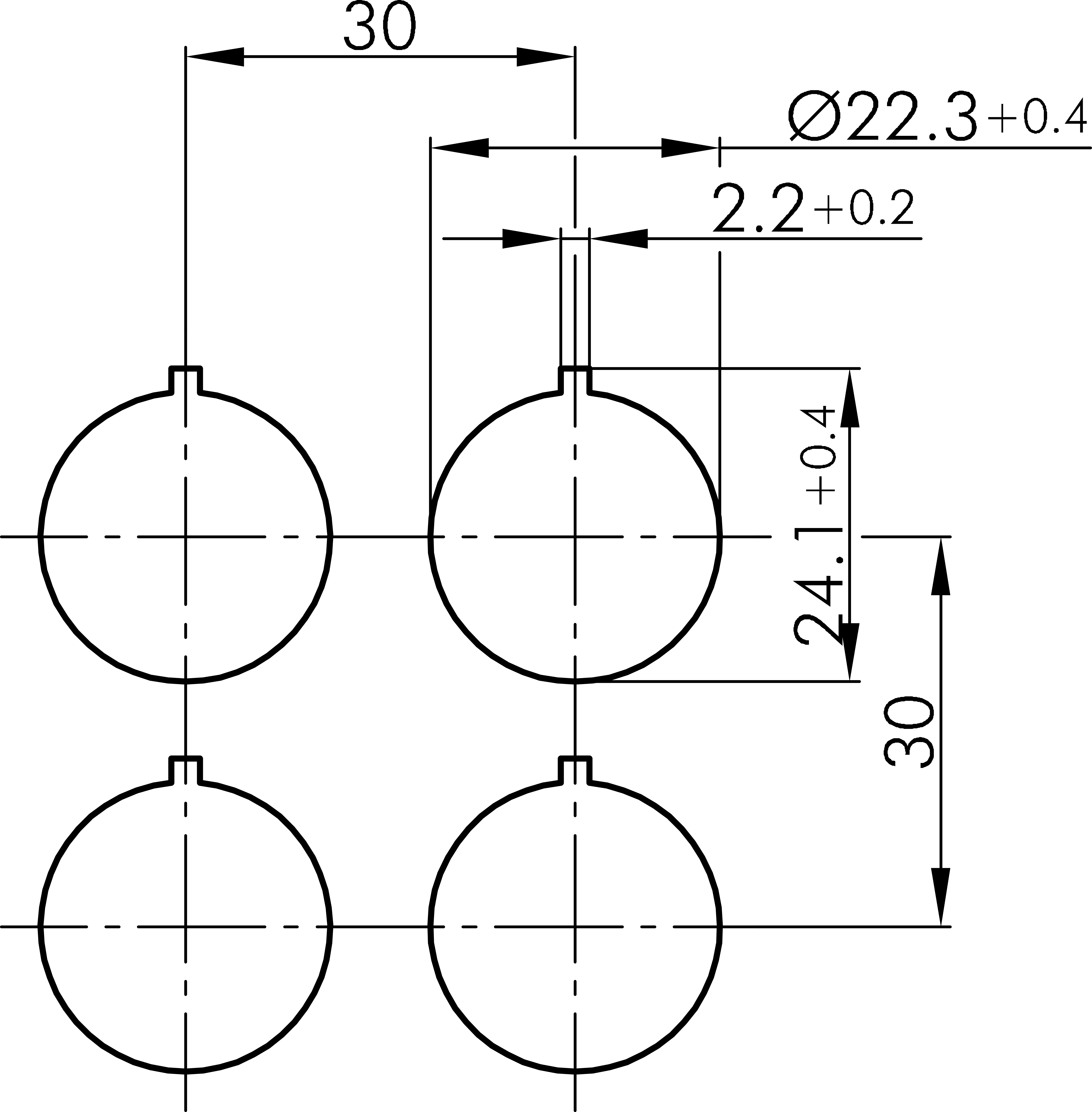
Mounting aperture
Ø 22.3 mm
Switching function
Latching function
Switching position
-45° zero position
45° maintained
Illumination
Yes
Front bezel colour
Silver-coloured
Colour actuator
red
Shape
round
Degree of protection front
IP65
Protection class
II (protective insulation)
Technical sketches
Maßskizze RRJWAL_RT
Bohrbild RRJWAL_RT
Schaltstellungsanzeige RRJWAL_RT
Produktbild RRJWAL_RT
Documents
Icon E-Mail Icon Telefon