Zum Hauptinhalt springen Zur Suche springen Zur Hauptnavigation springen
Technische Daten
Produktbilder

JRF

Drucktaste mit Rastfunktion
Baureihe
RONDEX-JUWEL®
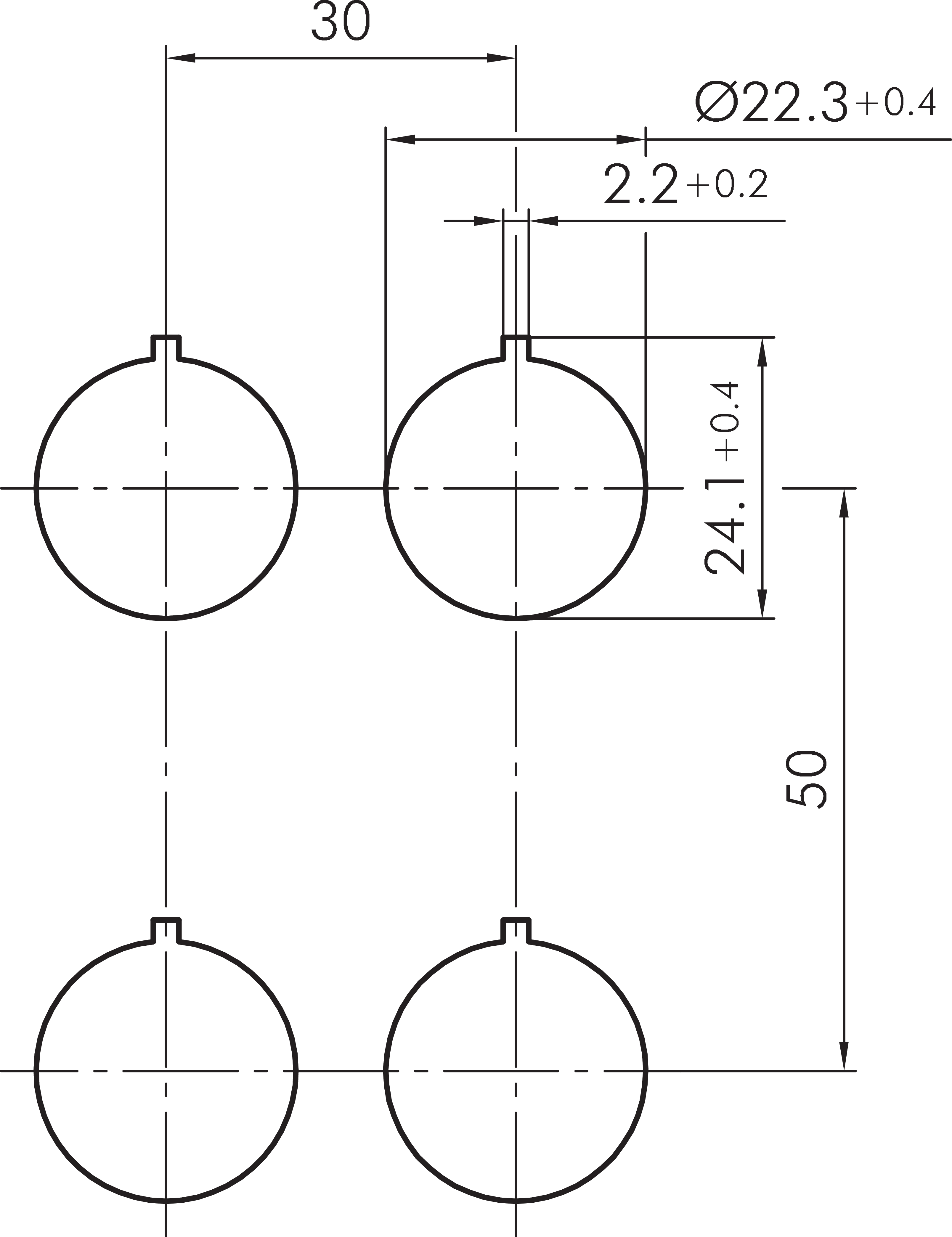
Einbauöffnung
Ø 22,3mm
Schaltfunktion
Rastfunktion
Beleuchtung
Ja
Farbe Frontrahmen
anthrazit
Bauform
rund
Schutzart Vorne
IP65
IP67
Betätigungsweg
6mm
Schutzklasse
II (Schutzisolierung)
Technische Skizzen
Dokumente
Icon E-Mail Icon Telefon