Zum Hauptinhalt springen Zur Suche springen Zur Hauptnavigation springen
Technische Daten
Produktbilder
Downloads

JRMD - Kurzhubdrucktaste

Baureihe
RONDEX-JUWEL®
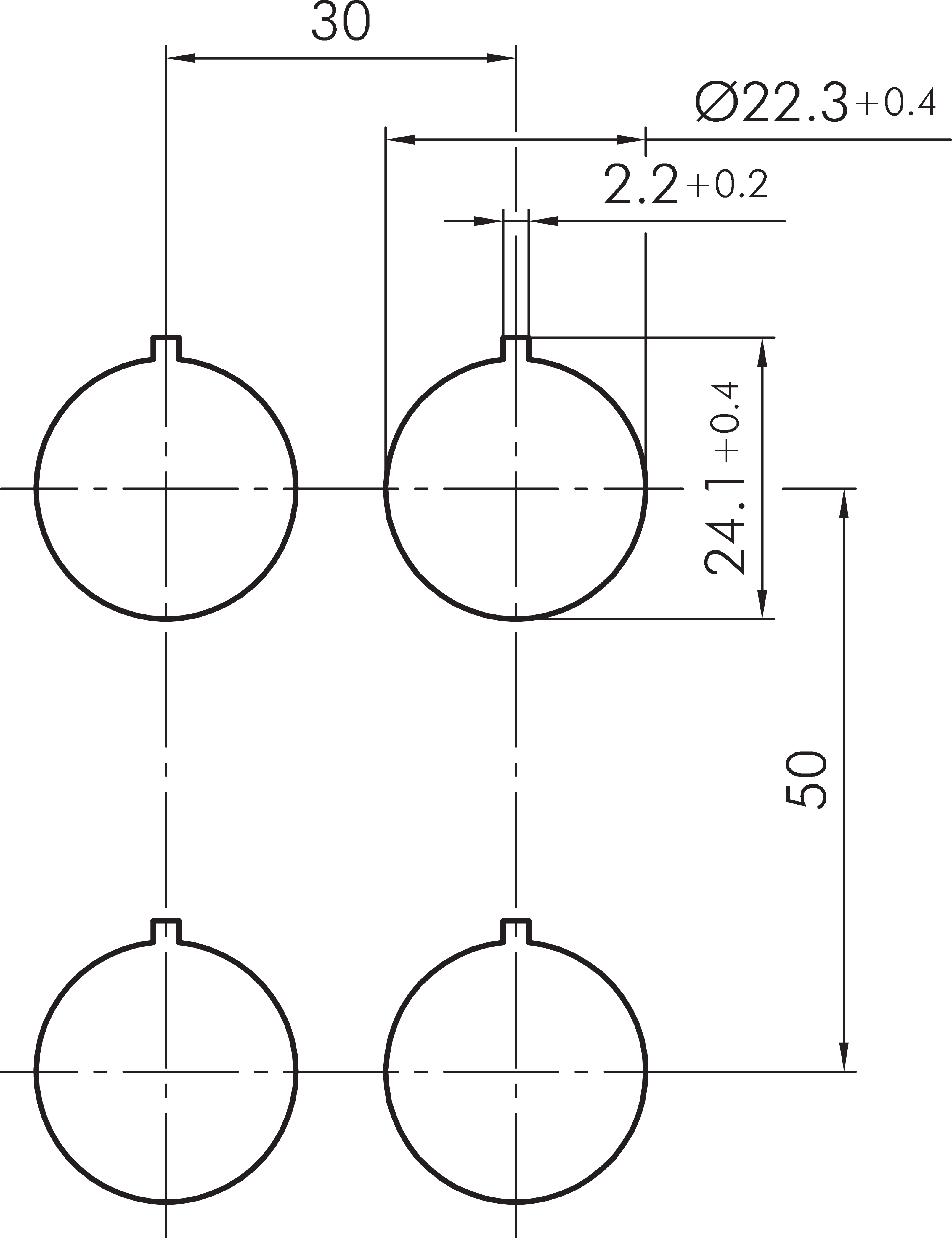
Einbauöffnung
Ø 22,3mm
Beleuchtung
Ja
Farbe Frontrahmen
silberfarben
Bauform
rund
Schutzart Vorne
IP65
IP67
Betätigungsweg
4mm
Schutzklasse
II (Schutzisolierung)
Technische Skizzen

Datenblätter

Icon E-Mail Icon Telefon