Zum Hauptinhalt springen Zur Suche springen Zur Hauptnavigation springen
Technische Daten
Produktbilder
Dokumente

JRMSSA12E

Schlüsseltaste rastend
Baureihe
RONDEX-JUWEL®
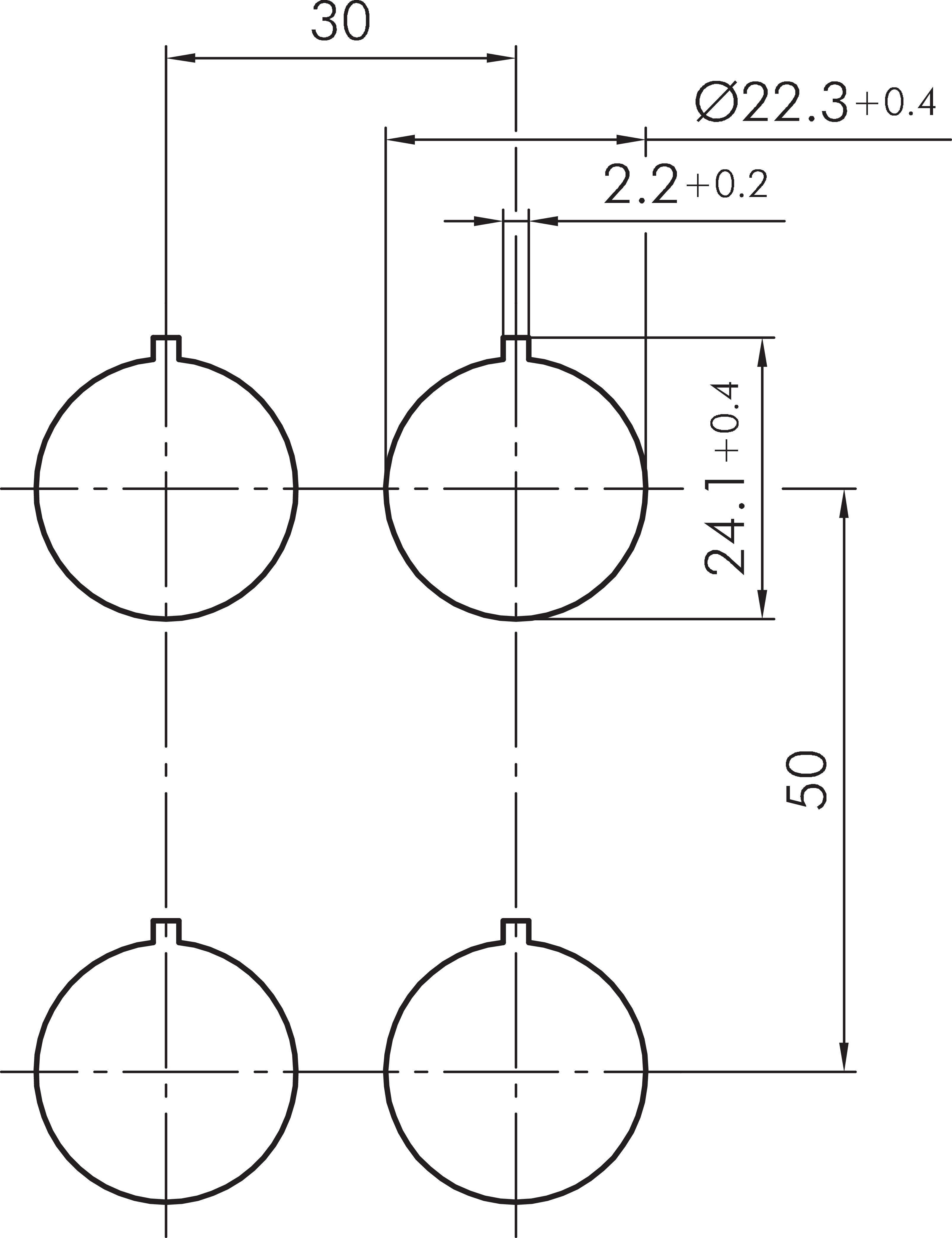
Einbauöffnung
Ø 22,3mm
Schaltfunktion
Rastfunktion
Schaltstellung
-90° rastend, Schlüsselabzug
0° Schlüsselabzug
90° rastend, Schlüsselabzug
Beleuchtung
Nein
Farbe Frontrahmen
silberfarben
Bauform
rund
Schutzart Vorne
IP65
Schutzklasse
II (Schutzisolierung)
Technische Skizzen
Dokumente
Icon E-Mail Icon Telefon