Zum Hauptinhalt springen Zur Suche springen Zur Hauptnavigation springen
Technische Daten
Produktbilder
Downloads

JRMSSA16E - Schlüsseltaste rastend

Schlüsselschalter mit zwei Schaltstellungen und rastender Schaltfunktion. Schaltstellung 1 liegt auf 0° Nullstellung und Schaltstellung 2 auf 90°. Der Schlüssel kann auf Schaltstellung 2 abgezogen werden.

Inklusive 2 Schlüssel. Verschiedenschließend auf Anfrage möglich.

Baureihe
RONDEX-JUWEL®
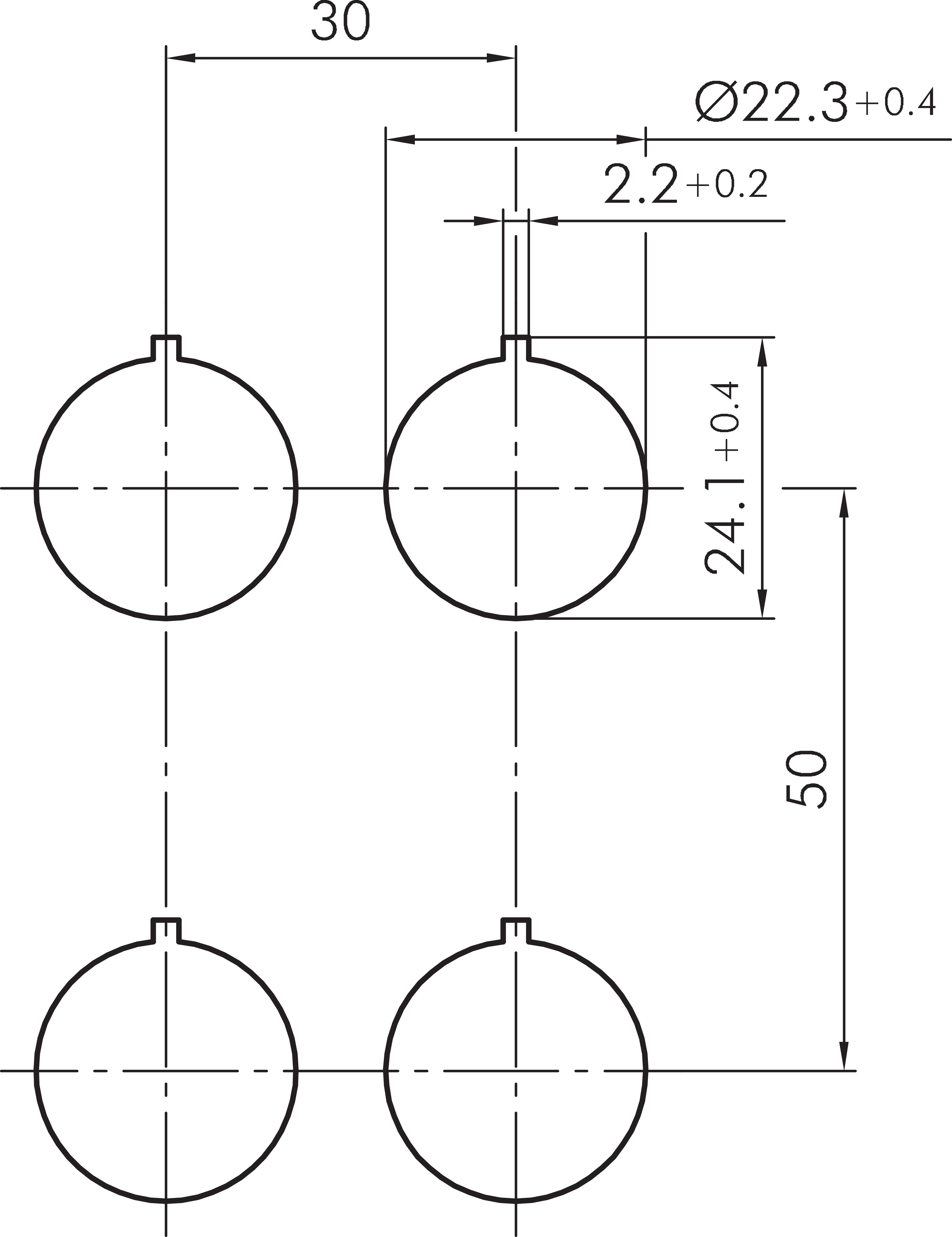
Einbauöffnung
Ø 22,3 mm
Schaltfunktion
Rastfunktion
Schaltstellung
0° Nullstellung
90° rastend, Schlüsselabzug
Farbe Frontrahmen
silberfarben
Bauform
rund
Schutzart Vorne
IP65
Betriebstemperatur
-25°C ... 70°C
Approbationen
cULus, CCC, CE, UKCA, DNVGL
Technische Skizzen
Maßskizze JRMSSA16E
Bohrbild JRMSSA16E
Schaltstellungsanzeige JRMSSA16E
Produktbild JRMSSA16E
Icon E-Mail Icon Telefon