Zum Hauptinhalt springen Zur Suche springen Zur Hauptnavigation springen
Technische Daten
Produktbilder
Downloads

JRMWCL - Leucht-Wahltaste links rastend, rechts tastend

Baureihe
RONDEX-JUWEL®
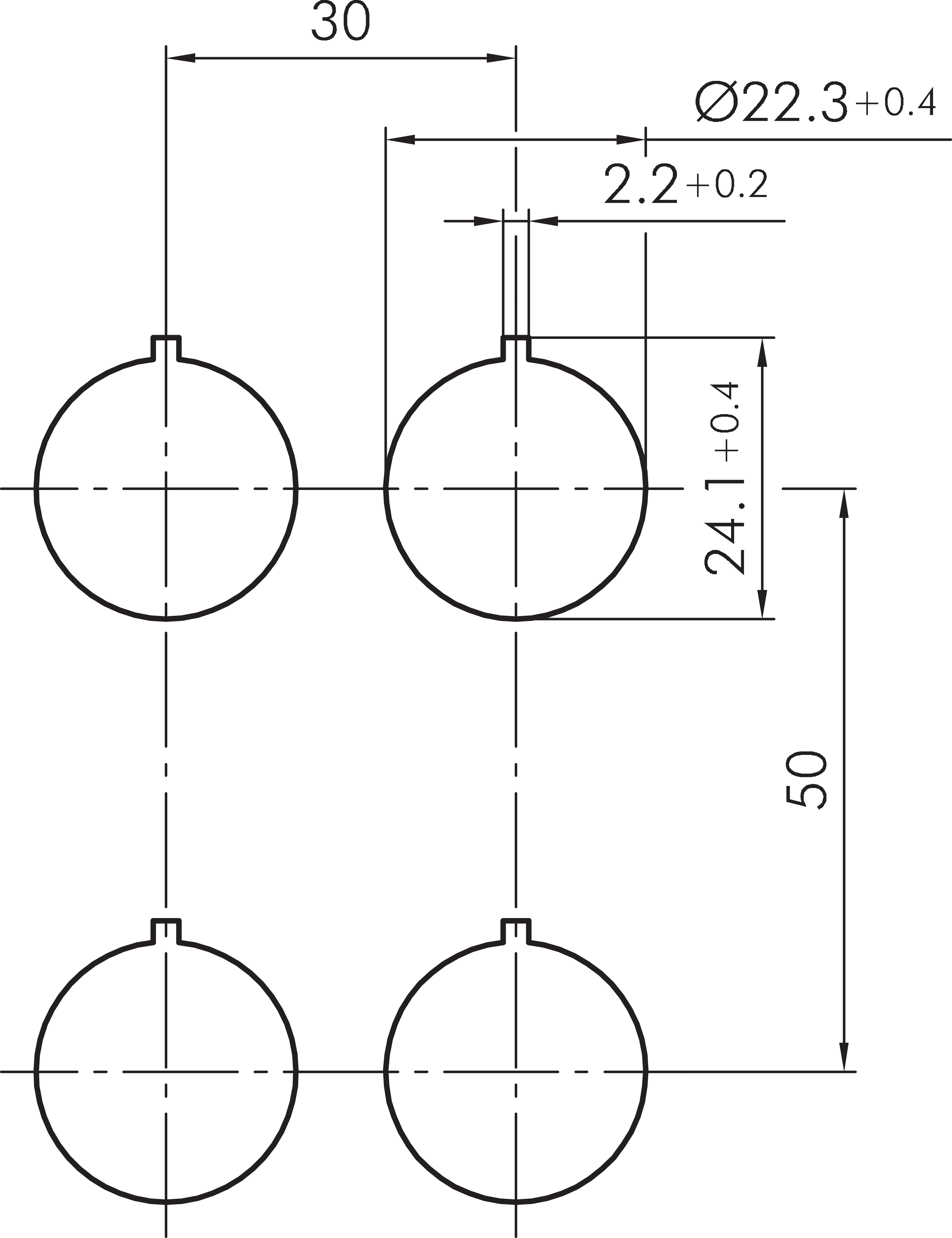
Einbauöffnung
Ø 22,3mm
Schaltfunktion
Tast- und Rastfunktion
Schaltstellung
-45° rastend
0° Nullstellung
45° tastend
Beleuchtung
Ja
Farbe Frontrahmen
silberfarben
Bauform
rund
Schutzart Vorne
IP65
Schutzklasse
II (Schutzisolierung)
Technische Skizzen

Datenblätter

Icon E-Mail Icon Telefon