Zum Hauptinhalt springen Zur Suche springen Zur Hauptnavigation springen
Technische Daten
Produktbilder

KRJSSA12E

Schlüsseltaste rastend
Baureihe
KOMBITAST®-R-JUWEL
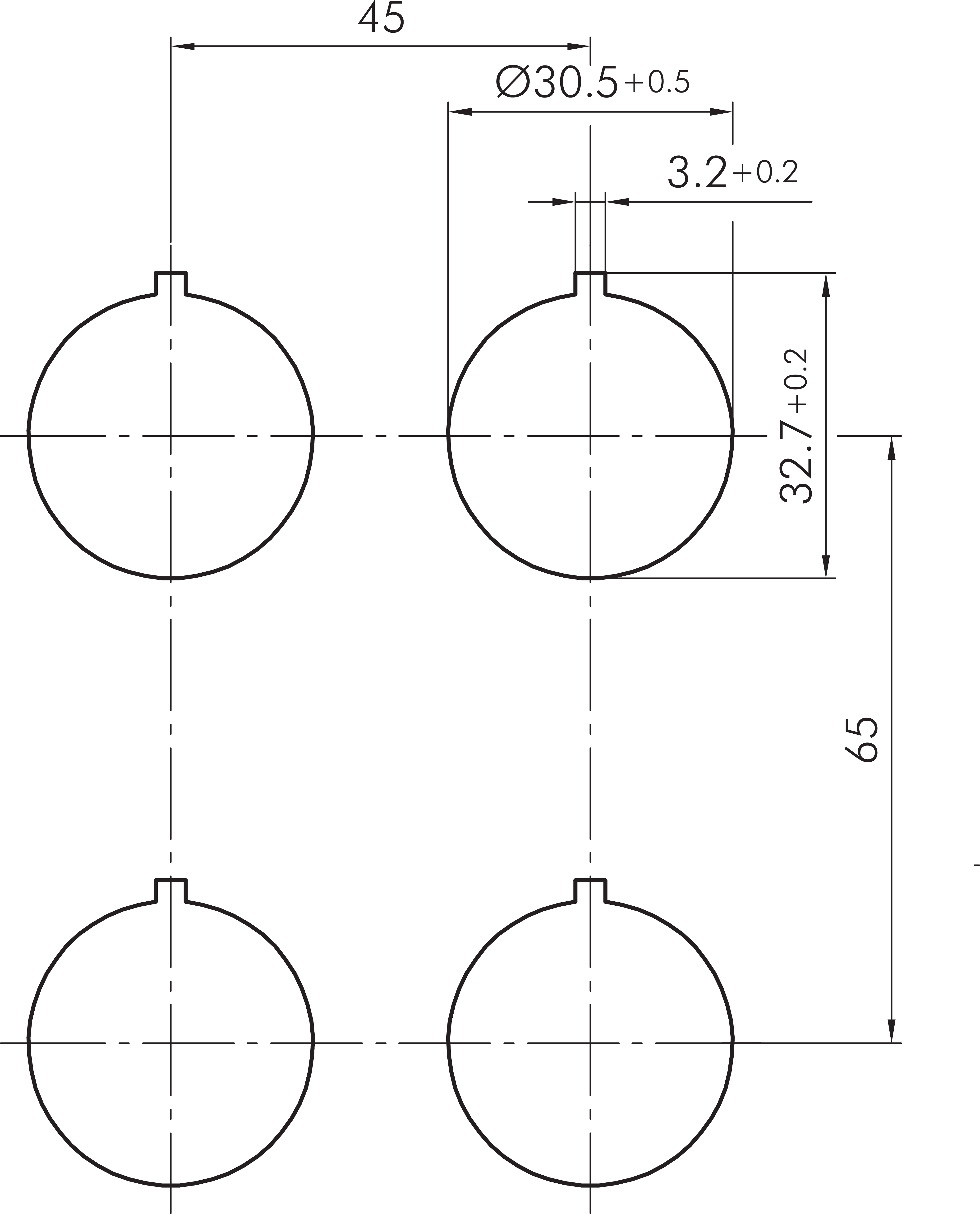
Einbauöffnung
Ø 30,5mm
Schaltfunktion
Rastfunktion
Schaltstellung
-90° rastend, Schlüsselabzug
0° Schlüsselabzug
90° rastend, Schlüsselabzug
Beleuchtung
Nein
Farbe Frontrahmen
anthrazit
Bauform
rund
Schutzart Vorne
IP65
Schutzklasse
II (Schutzisolierung)
Technische Skizzen
Dokumente
Icon E-Mail Icon Telefon