Zum Hauptinhalt springen Zur Suche springen Zur Hauptnavigation springen
Technische Daten
Produktbilder
Dokumente

KRJSSA13E - Schlüsseltaste rastend

Baureihe
KOMBITAST®-R-JUWEL
Einbauöffnung
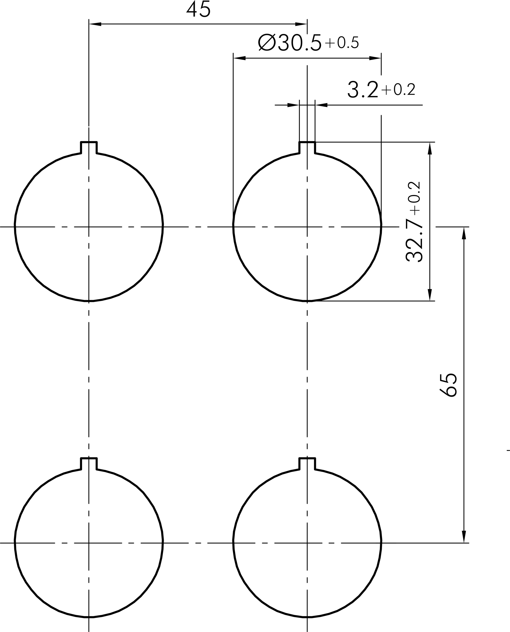
Ø 30,5 mm
Schaltfunktion
Rastfunktion
Schaltstellung
-90° rastend
0° Schlüsselabzug
90° rastend
Beleuchtung
Nein
Farbe Frontrahmen
anthrazit
Bauform
rund
Schutzart Vorne
IP65
Mechanische Lebensdauer
50.000 Schaltspiele
Schutzklasse
II (Schutzisolierung)
Technische Skizzen
Maßskizze KRJSSA13E
Bohrbild KRJSSA13E
Schaltstellungsanzeige KRJSSA13E
Produktbild KRJSSA13E
Dokumente
Icon E-Mail Icon Telefon