Zum Hauptinhalt springen Zur Suche springen Zur Hauptnavigation springen
Technische Daten
Produktbilder
Dokumente

KRJSSA23E - Schlüsseltaste tastend

Baureihe
KOMBITAST®-R-JUWEL
Einbauöffnung
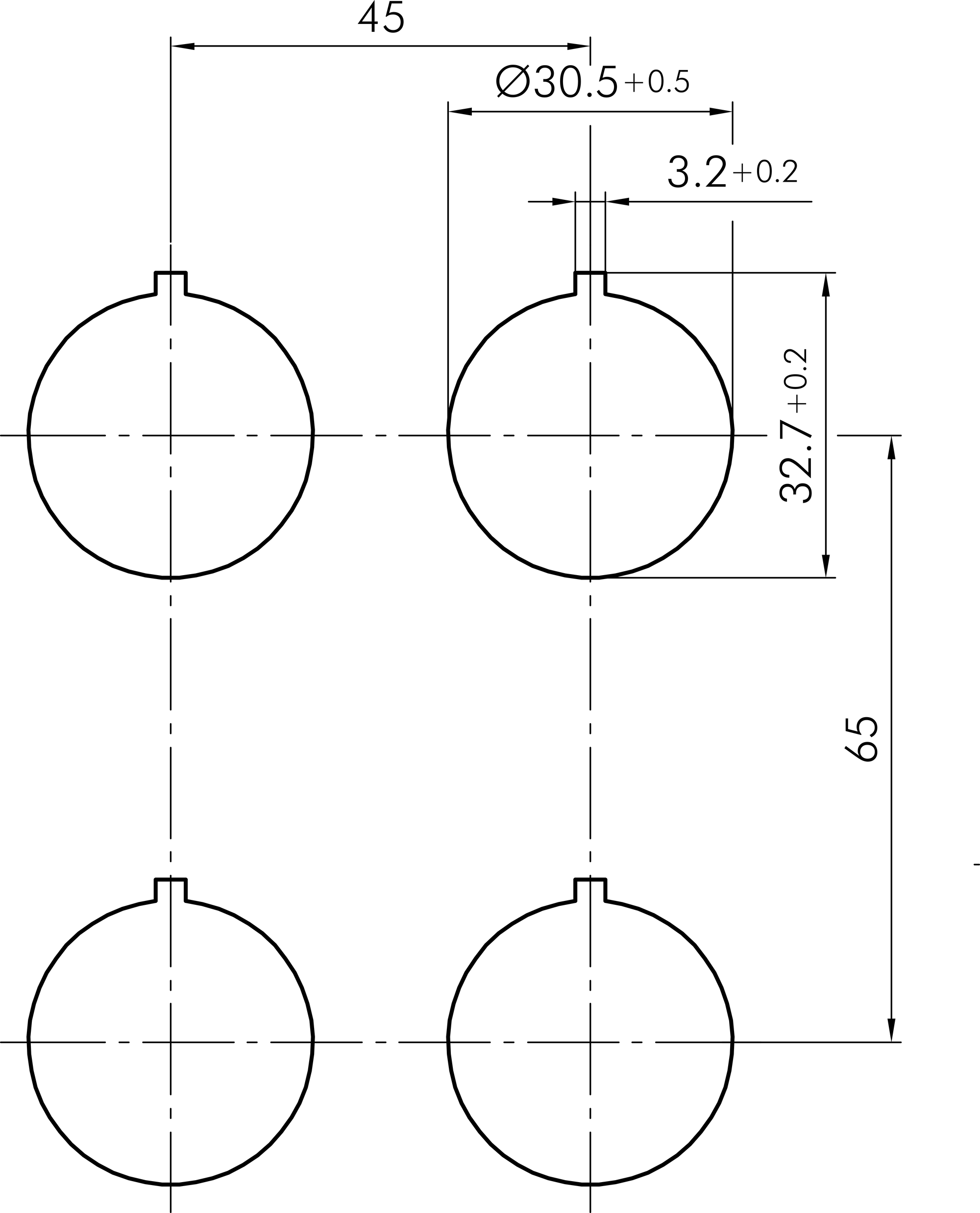
Ø 30,5 mm
Schaltfunktion
Tastfunktion
Schaltstellung
-45° tastend
0° Schlüsselabzug
45° tastend
Beleuchtung
Nein
Farbe Frontrahmen
anthrazit
Bauform
rund
Schutzart Vorne
IP65
Mechanische Lebensdauer
50.000 Schaltspiele
Schutzklasse
II (Schutzisolierung)
Technische Skizzen
Maßskizze KRJSSA23E
Bohrbild KRJSSA23E
Schaltstellungsanzeige KRJSSA23E
Produktbild KRJSSA23E
Dokumente
Icon E-Mail Icon Telefon