Zum Hauptinhalt springen Zur Suche springen Zur Hauptnavigation springen
Technische Daten
Produktbilder

KRJSSA27E

Schlüsseltaste tastend
Baureihe
KOMBITAST®-R-JUWEL
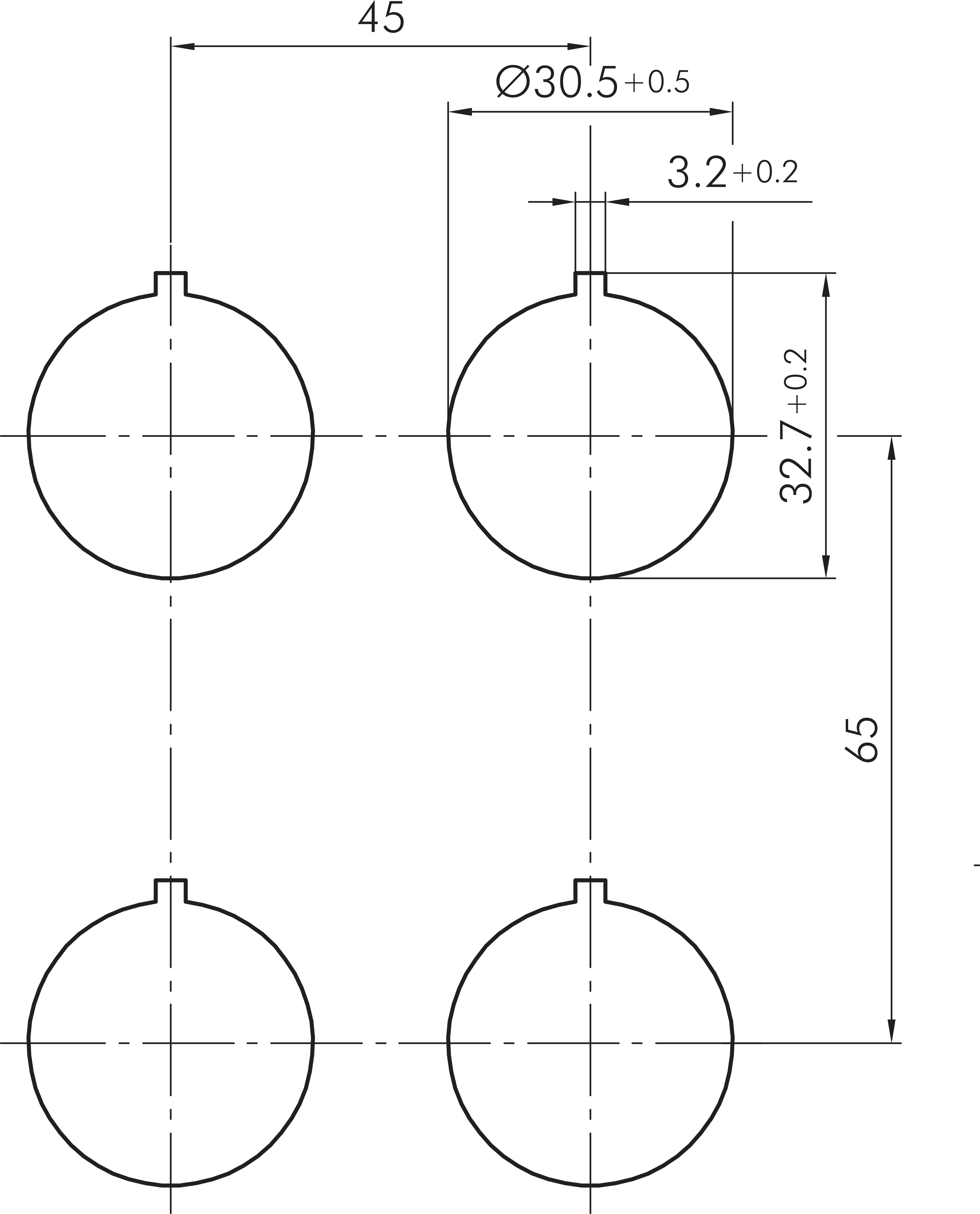
Einbauöffnung
Ø 30,5mm
Schaltfunktion
Tastfunktion
Schaltstellung
-45° Schlüsselabzug
45° tastend
Beleuchtung
Nein
Farbe Frontrahmen
anthrazit
Bauform
rund
Schutzart Vorne
IP65
Schutzklasse
II (Schutzisolierung)
Technische Skizzen
Dokumente
Icon E-Mail Icon Telefon