Zum Hauptinhalt springen Zur Suche springen Zur Hauptnavigation springen
Technische Daten
Produktbilder
Downloads

KRJVAL_24R_G - LED-Meldeleuchte 2-farbig 24V

LED-Einbaumeldeleuchte, 2-farbig, 24 V, Schraubanschluss, zum Einbau in einem Gehäuse oder Schaltschrank

Baureihe
KOMBITAST®-R-JUWEL
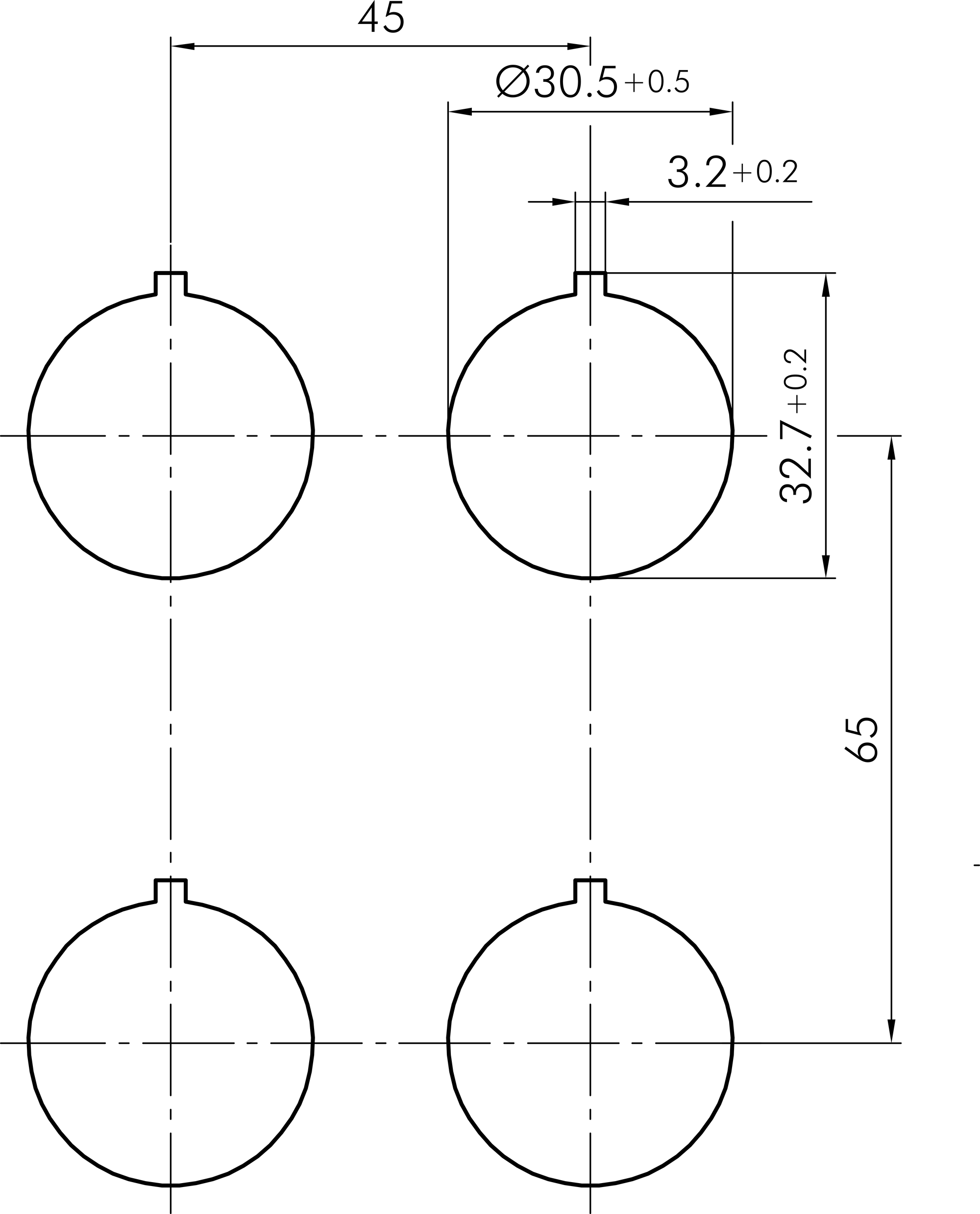
Einbauöffnung
Ø 30,5 mm
Beleuchtung
Ja
Leuchtmittel
LED
Farbe Frontrahmen
Edelstahl
Bauform
rund
Schutzart Vorne
IP65
Betriebstemperatur
-25°C ... 60°C
Approbationen
cULus, CE, UKCA
Technische Skizzen
Maßskizze KRJVAL_24R_G
Bohrbild KRJVAL_24R_G
Produktbild KRJVAL_24R_G
Icon E-Mail Icon Telefon