Zum Hauptinhalt springen Zur Suche springen Zur Hauptnavigation springen
Technische Daten
Produktbilder
Dokumente

KRJVASSA24E - Schlüsseltaste links rastend, rechts tastend

Baureihe
KOMBITAST®-R-JUWEL
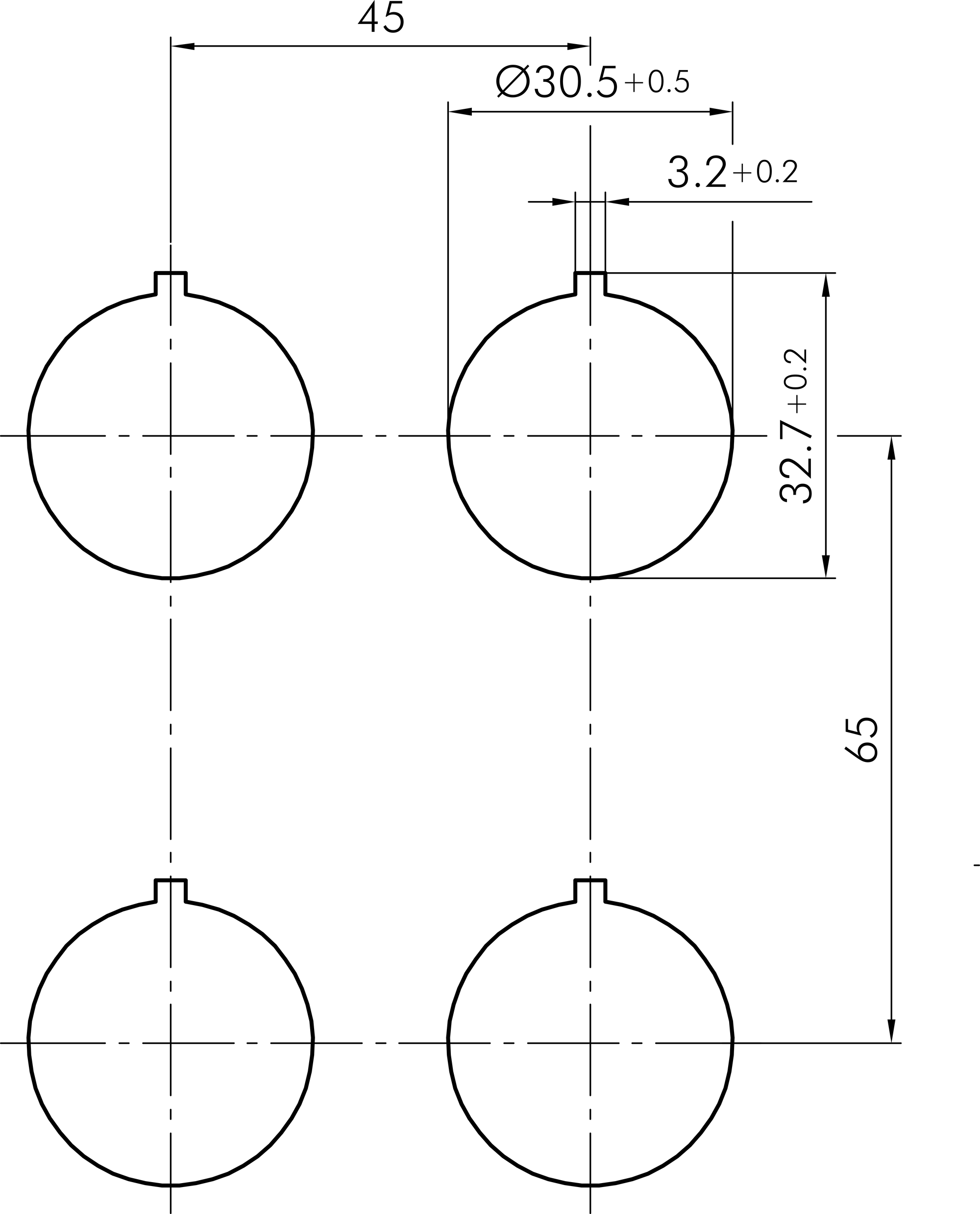
Einbauöffnung
Ø 30,5 mm
Schaltfunktion
Tast- und Rastfunktion
Schaltstellung
-45° rastend
0° Schlüsselabzug
45° tastend
Beleuchtung
Nein
Farbe Frontrahmen
Edelstahl, glänzend
Bauform
rund
Schutzart Vorne
IP65
Mechanische Lebensdauer
50.000 Schaltspiele
Schutzklasse
II (Schutzisolierung)
Technische Skizzen
Maßskizze KRJVASSA24E
Bohrbild KRJVASSA24E
Schaltstellungsanzeige KRJVASSA24E
Produktbild KRJVASSA24E
Dokumente
Icon E-Mail Icon Telefon