Zum Hauptinhalt springen Zur Suche springen Zur Hauptnavigation springen
Technische Daten
Produktbilder
Dokumente

KRJVATLR

Drucktaste mit Ringbeleuchtung
Baureihe
KOMBITAST®-R-JUWEL
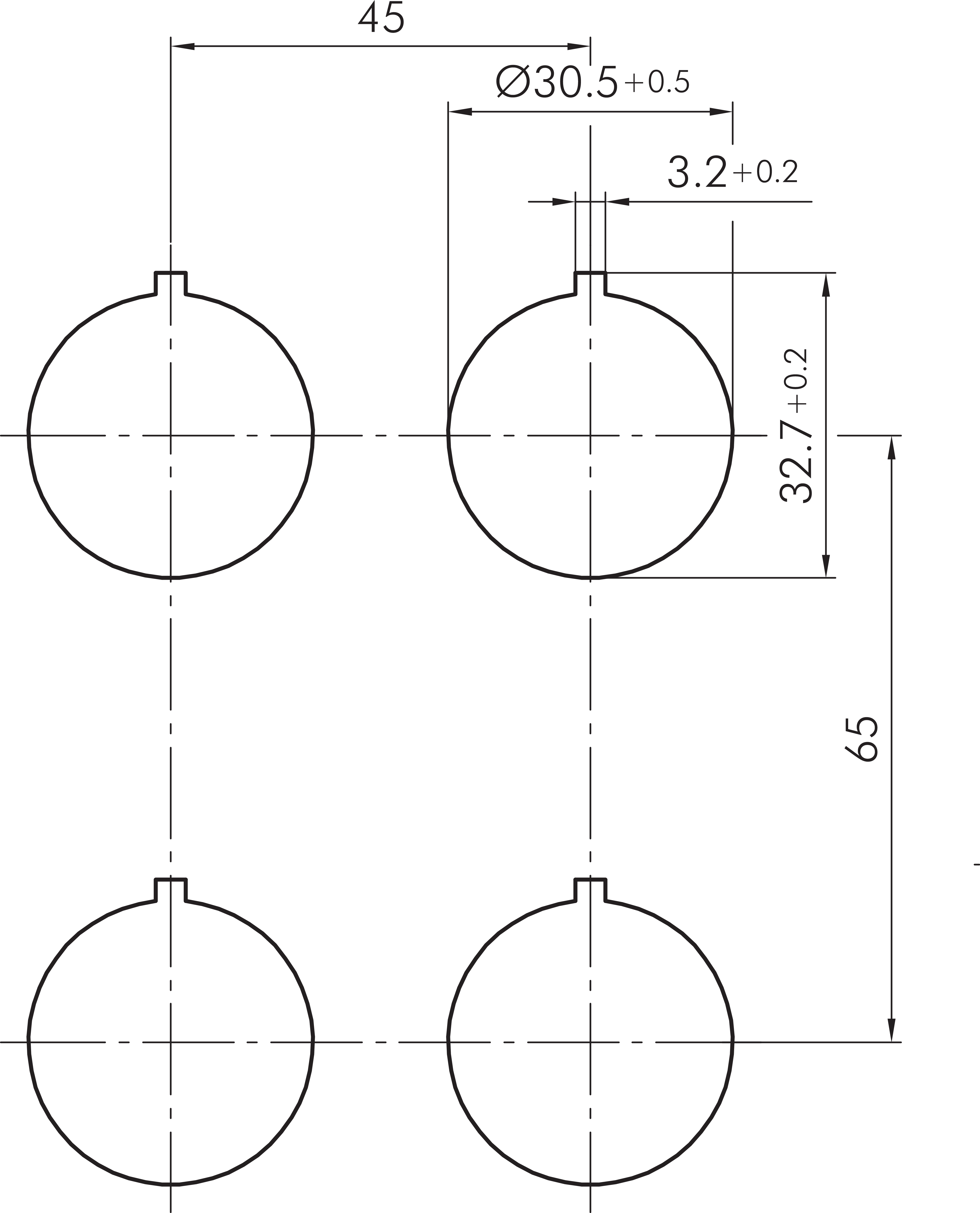
Einbauöffnung
Ø 30,5mm
Schaltfunktion
Tastfunktion
Beleuchtung
Ja
Farbe Frontrahmen
Edelstahl, glänzend
Bauform
rund
Schutzart Vorne
IP69K
Betätigungsweg
6mm
Schutzklasse
II (Schutzisolierung)
Technische Skizzen
Dokumente
Icon E-Mail Icon Telefon