Zum Hauptinhalt springen Zur Suche springen Zur Hauptnavigation springen
Technische Daten
Produktbilder
Dokumente

KRJVAV - Pilztaste verrastend

Baureihe
KOMBITAST®-R-JUWEL
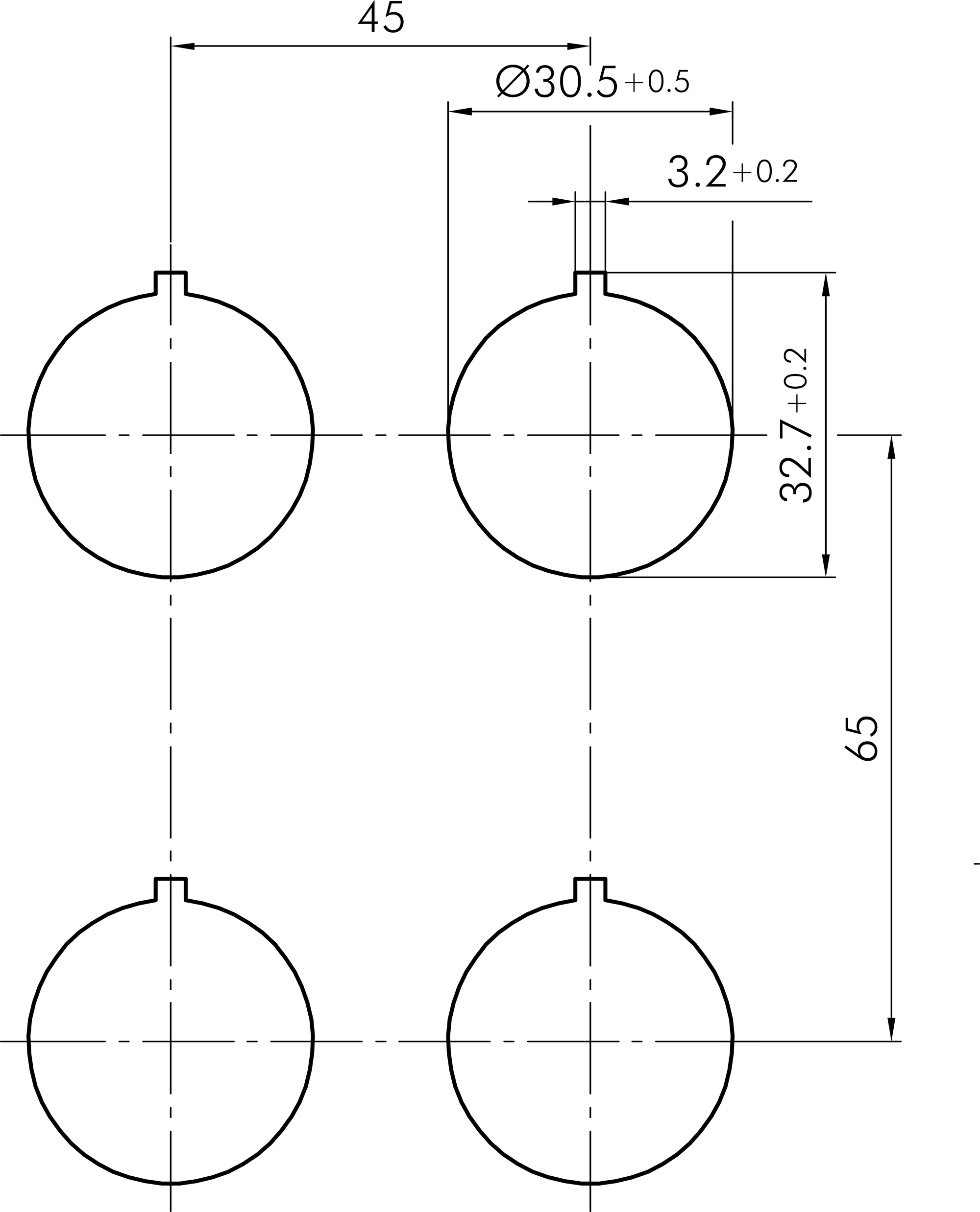
Einbauöffnung
Ø 30,5 mm
Schaltfunktion
Rastfunktion
Beleuchtung
Nein
Farbe Frontrahmen
Edelstahl, glänzend
Farbe Betätigungselement
rot
Bauform
rund
Schutzart Vorne
IP65
Mechanische Lebensdauer
50.000 Schaltspiele
Technische Skizzen
Maßskizze KRJVAV
Bohrbild KRJVAV
Produktbild KRJVAV
Dokumente
Icon E-Mail Icon Telefon