Zum Hauptinhalt springen Zur Suche springen Zur Hauptnavigation springen
Technische Daten
Produktbilder

KRJVAWCL

Leucht-Wahltaste links rastend, rechts tastend
Baureihe
KOMBITAST®-R-JUWEL
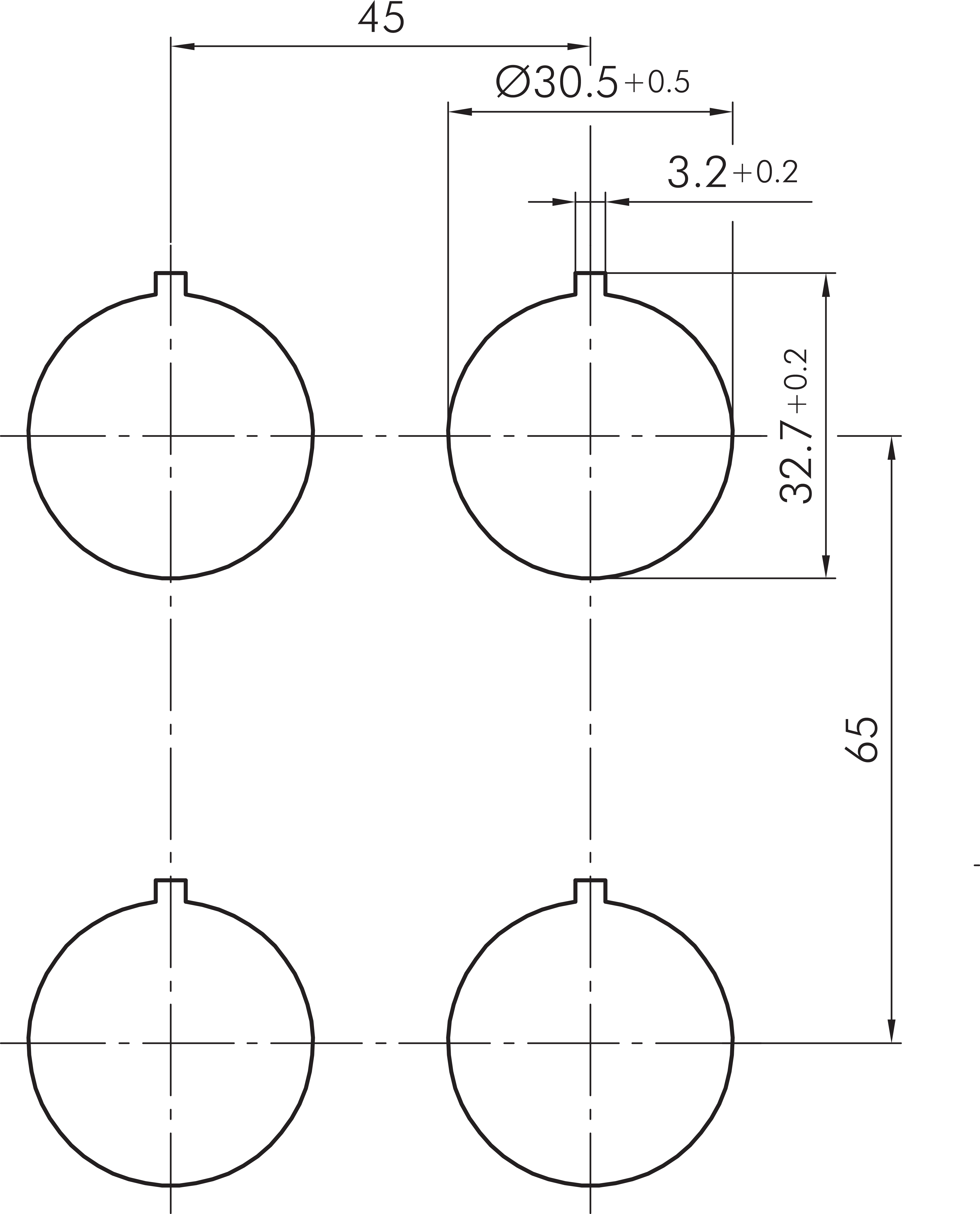
Einbauöffnung
Ø 30,5mm
Schaltfunktion
Tast- und Rastfunktion
Schaltstellung
-45° rastend
0° Nullstellung
45° tastend
Beleuchtung
Ja
Farbe Frontrahmen
Edelstahl, glänzend
Bauform
rund
Schutzart Vorne
IP65
Schutzklasse
II (Schutzisolierung)
Technische Skizzen
Dokumente
Icon E-Mail Icon Telefon