Zum Hauptinhalt springen Zur Suche springen Zur Hauptnavigation springen
Technische Daten
Produktbilder

OKWCL_KL - Leucht-Wahltaste links rastend, rechts tastend

Baureihe
OKTRON®
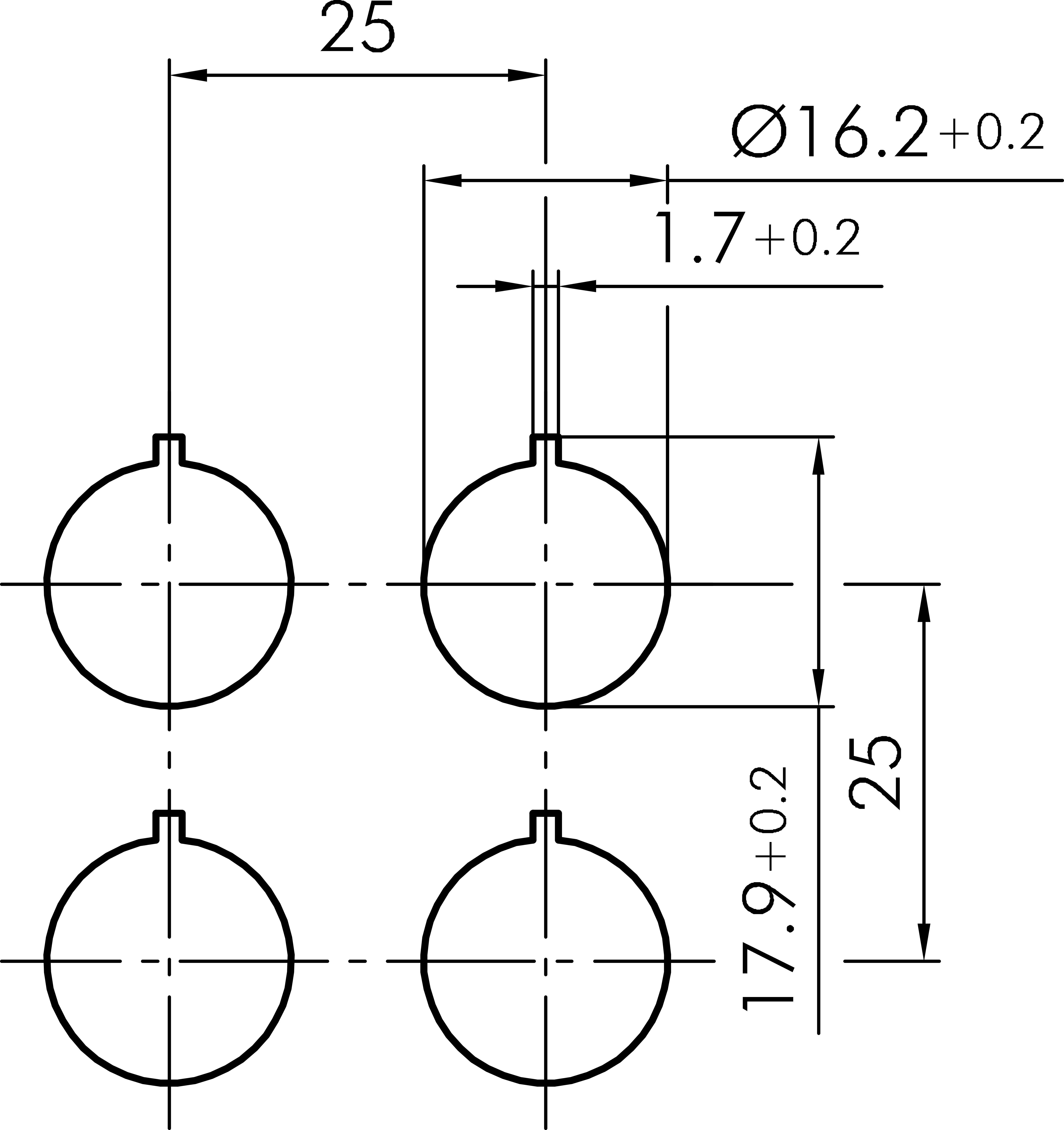
Einbauöffnung
Ø 16,2mm
Schaltfunktion
Tast- und Rastfunktion
Schaltstellung
-90° rastend
0° Nullstellung
40° tastend
Beleuchtung
Ja
Farbe Frontrahmen
anthrazit
Farbe Betätigungselement
klar
Bauform
quadratisch
Schutzart Vorne
IP65
Schutzklasse
II (Schutzisolierung)
Technische Skizzen
Bohrbild OKWCL_KL
Massskizze OKWCL_KL
Produktbild OKWCL_KL
Dokumente
Icon E-Mail Icon Telefon