Zum Hauptinhalt springen Zur Suche springen Zur Hauptnavigation springen
Technische Daten
Produktbilder

RKSTAL_RT - Leucht-Wahltaste tastend

Baureihe
OKTRON®-R
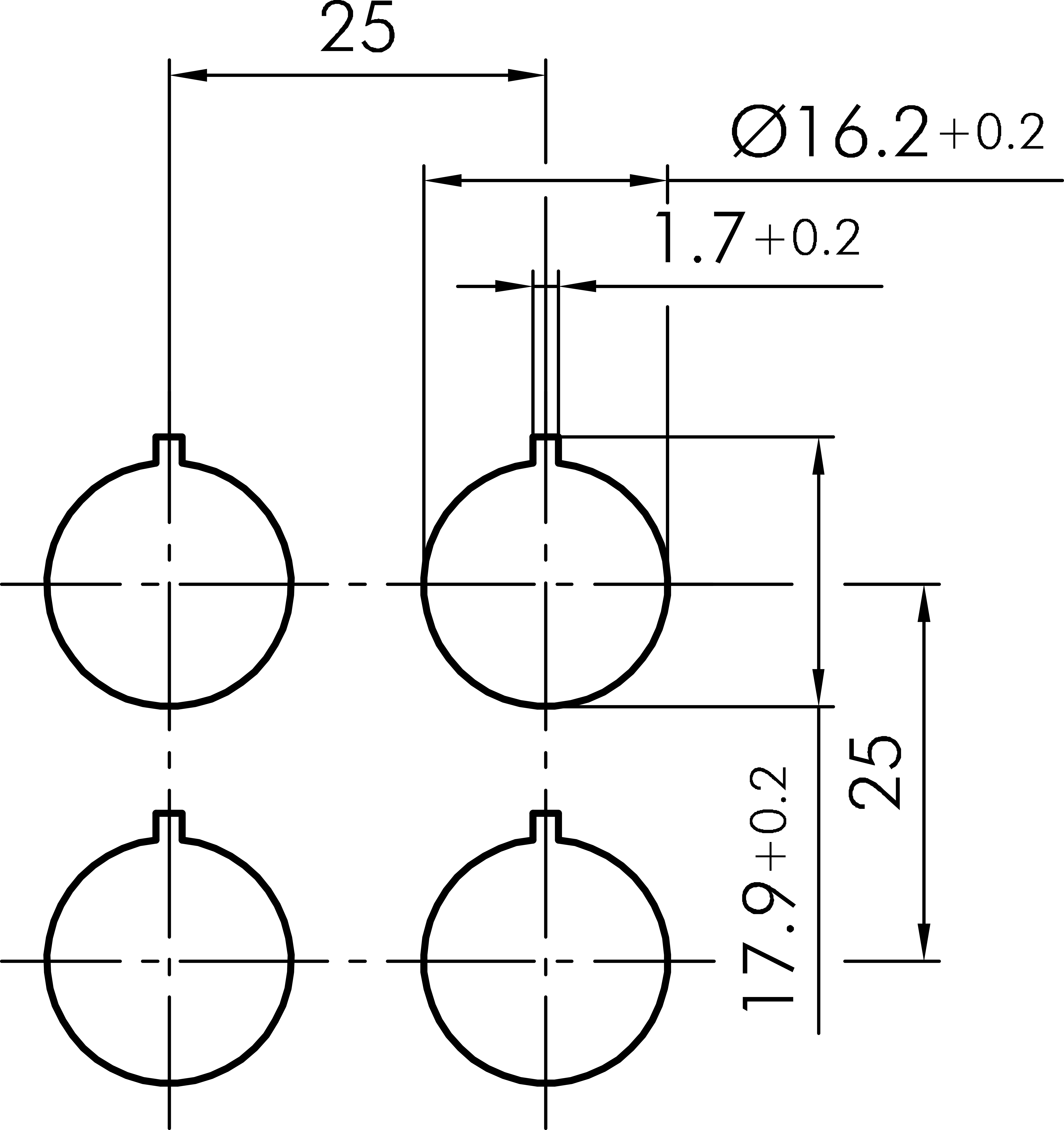
Einbauöffnung
Ø 16,2mm
Schaltstellung
0° Nullstellung
40° tastend
Beleuchtung
Ja
Farbe Frontrahmen
anthrazit
Farbe Betätigungselement
rot
Bauform
rund
Schutzart Vorne
IP65
Schutzklasse
II (Schutzisolierung)
Technische Skizzen
Dokumente
Icon E-Mail Icon Telefon