Zum Hauptinhalt springen Zur Suche springen Zur Hauptnavigation springen
Technische Daten
Produktbilder

RKWBL_KL

Leucht-Wahltaste rastend
Baureihe
OKTRON®-R
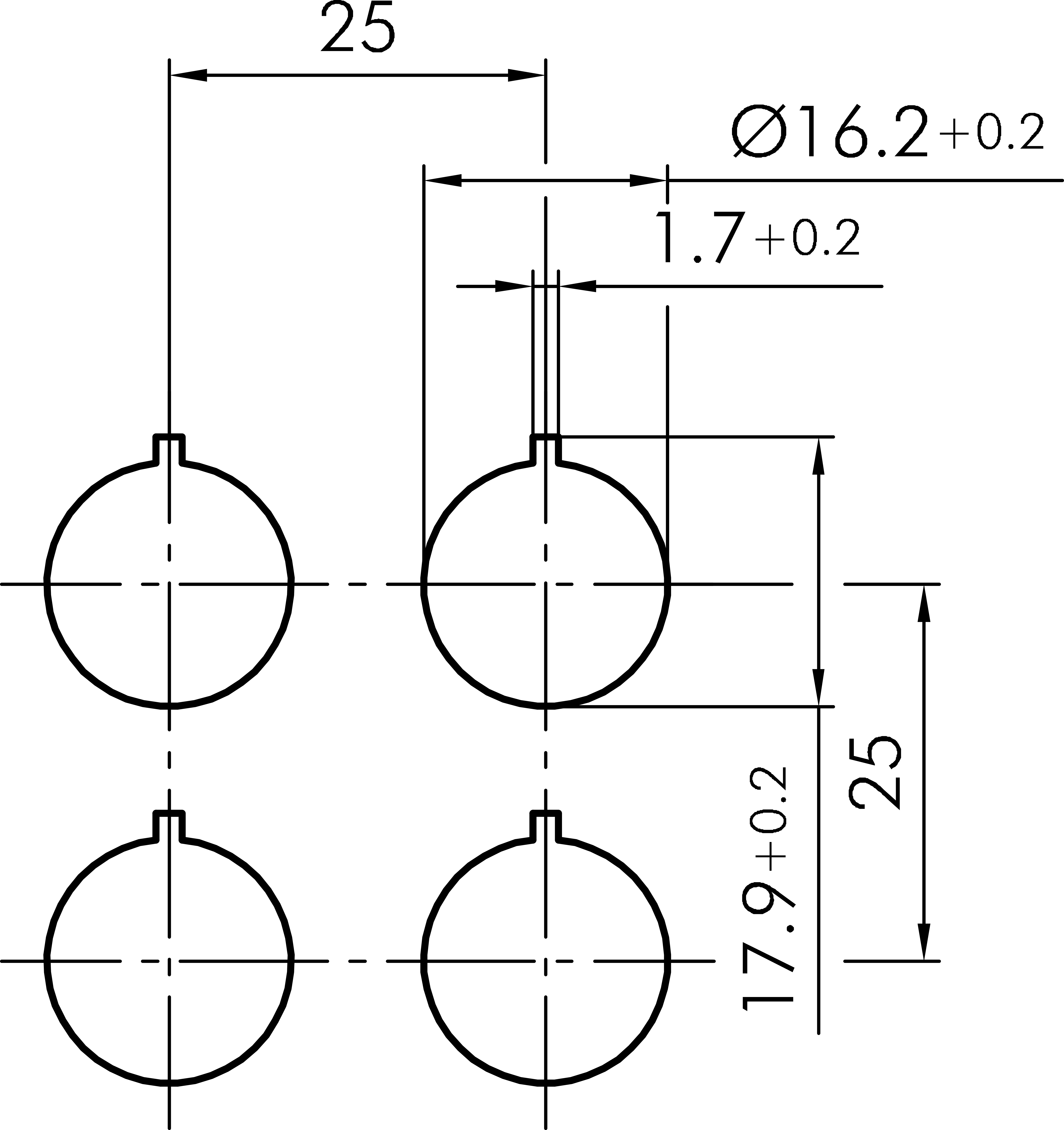
Einbauöffnung
Ø 16,2mm
Schaltstellung
-60° rastend
0° Nullstellung
60° rastend
Beleuchtung
Ja
Farbe Frontrahmen
anthrazit
Farbe Betätigungselement
klar
Bauform
rund
Schutzart Vorne
IP65
Schutzklasse
II (Schutzisolierung)
Technische Skizzen
Massskizze RKWBL_KL
Bohrbild RKWBL_KL
Produktbild RKWBL_KL
Dokumente
Icon E-Mail Icon Telefon