Zum Hauptinhalt springen Zur Suche springen Zur Hauptnavigation springen
Technische Daten
Produktbilder

RKWBL_RT

Leucht-Wahltaste rastend
Baureihe
OKTRON®-R
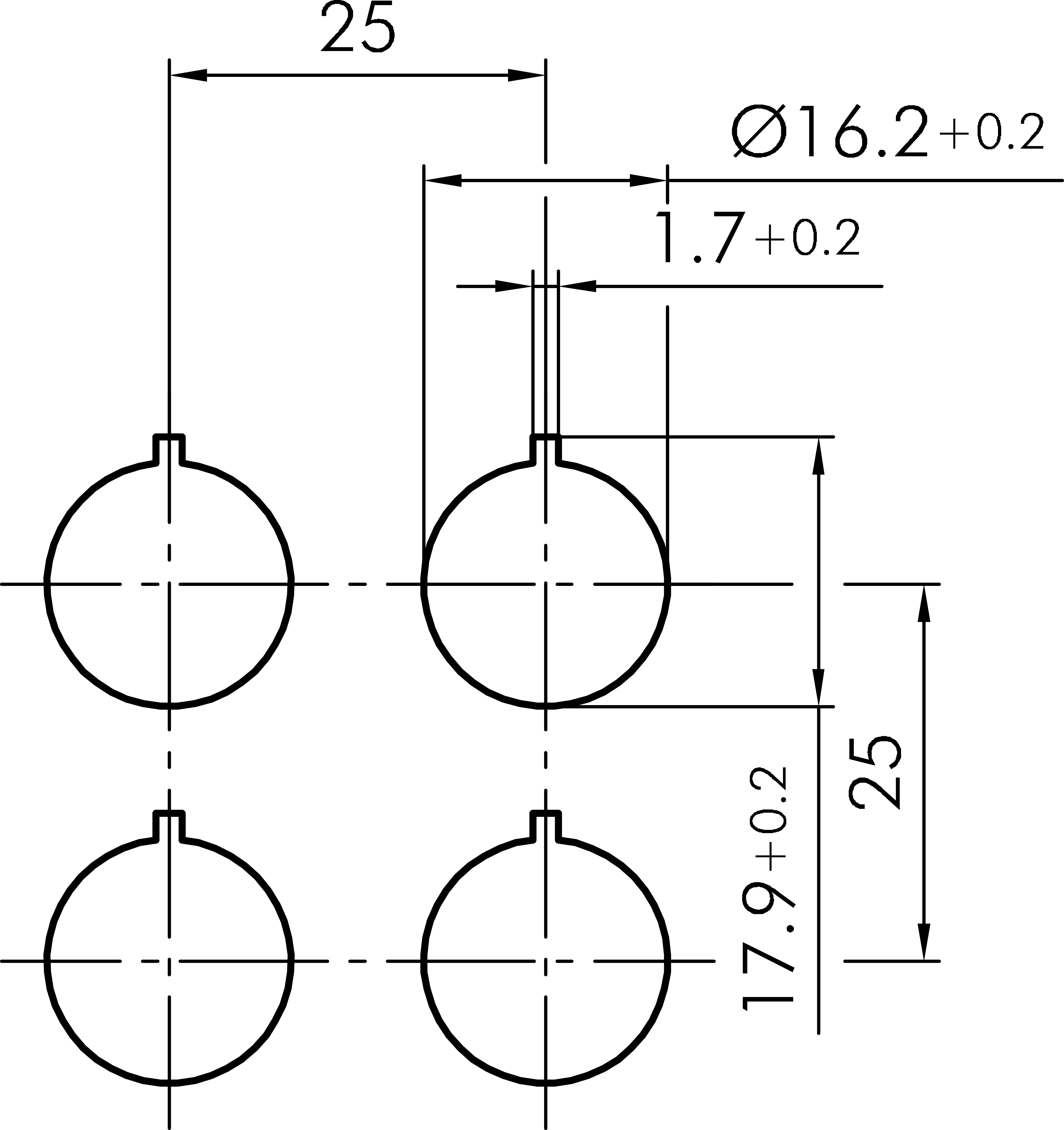
Einbauöffnung
Ø 16,2mm
Schaltstellung
-60° rastend
0° Nullstellung
60° rastend
Beleuchtung
Ja
Farbe Frontrahmen
anthrazit
Farbe Betätigungselement
rot
Bauform
rund
Schutzart Vorne
IP65
Schutzklasse
II (Schutzisolierung)
Technische Skizzen
Massskizze RKWBL_RT
Bohrbild RKWBL_RT
Produktbild RKWBL_RT
Dokumente
Icon E-Mail Icon Telefon