Zum Hauptinhalt springen Zur Suche springen Zur Hauptnavigation springen
Technische Daten
Produktbilder

RKWCLM_KL

Leucht-Wahltaste links rastend, rechts tastend
Baureihe
OKTRON®-R
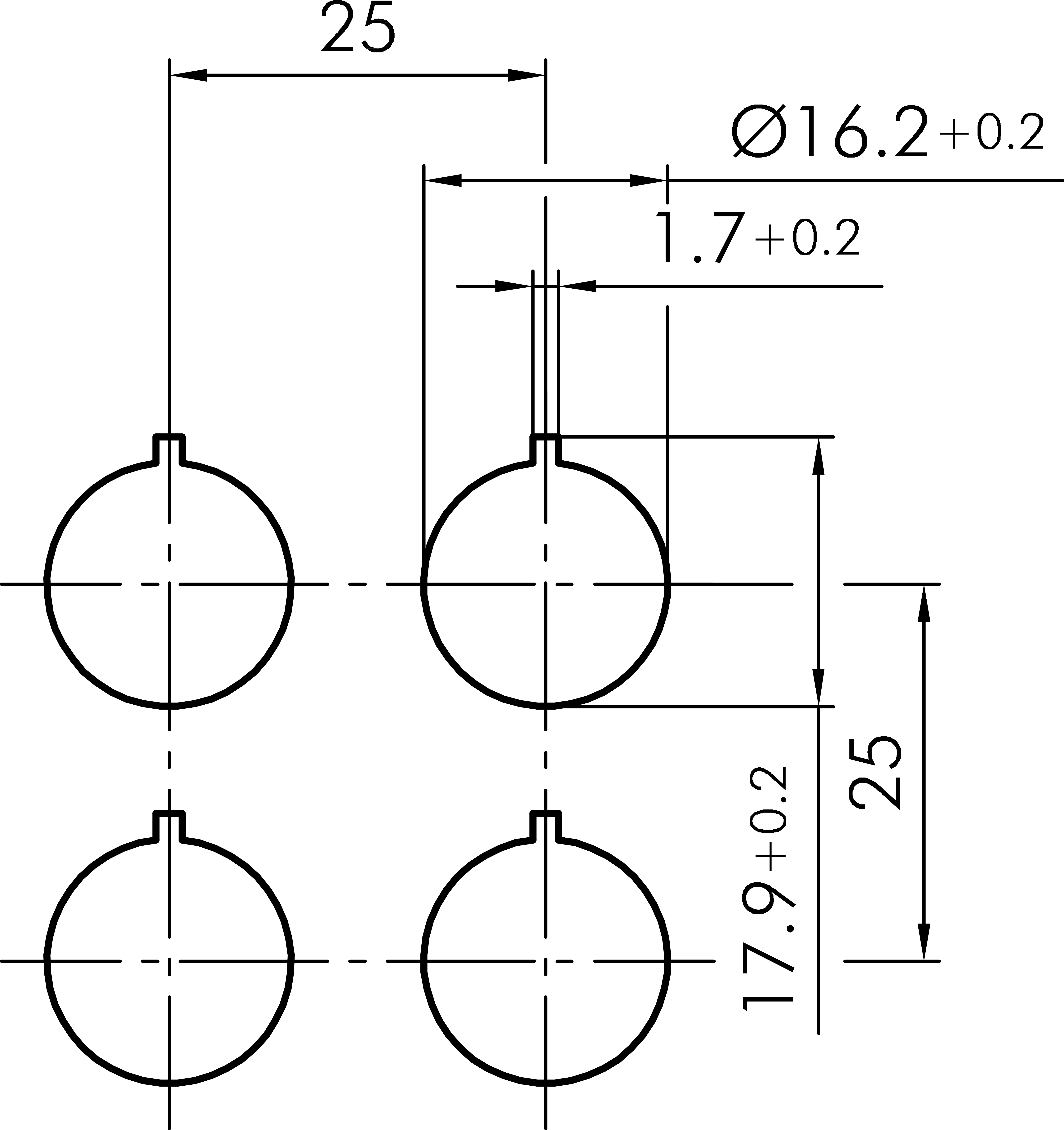
Einbauöffnung
Ø 16,2mm
Schaltstellung
-90° rastend
0° Nullstellung
40° tastend
Beleuchtung
Ja
Farbe Frontrahmen
silberfarben
Farbe Betätigungselement
klar
Bauform
rund
Schutzart Vorne
IP65
Schutzklasse
II (Schutzisolierung)
Technische Skizzen
Bohrbild RKWCLM_KL
Massskizze RKWCLM_KL
Produktbild RKWCLM_KL
Dokumente
Icon E-Mail Icon Telefon