Zum Hauptinhalt springen Zur Suche springen Zur Hauptnavigation springen
Technische Daten
Produktbilder

RQJWBL_KL

Leucht-Wahltaste rastend
Baureihe
RONTRON-Q-JUWEL
Einbauöffnung
Ø 22,3mm
Schaltfunktion
Rastfunktion
Schaltstellung
-60° rastend
0° Nullstellung
60° rastend
Beleuchtung
Ja
Farbe Frontrahmen
silberfarben
Farbe Betätigungselement
klar
Bauform
abgerundetes Quadrat
Schutzart Vorne
IP65
Schutzklasse
II (Schutzisolierung)
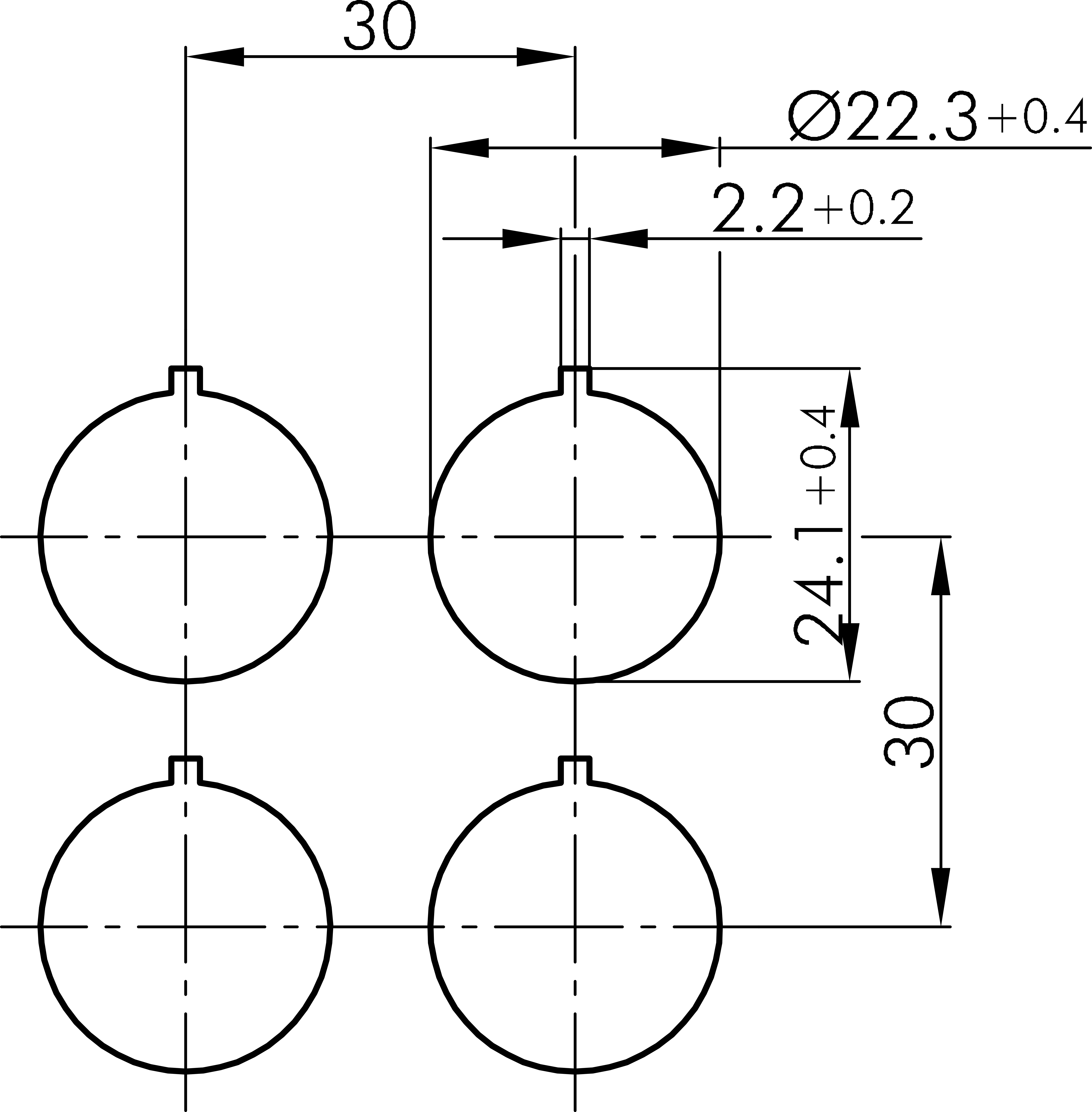
Technische Skizzen
Massskizze RQJWBL_KL
Bohrbild RQJWBL_KL
Produktbild RQJWBL_KL
Dokumente
Icon E-Mail Icon Telefon