Zum Hauptinhalt springen Zur Suche springen Zur Hauptnavigation springen
Technische Daten
Produktbilder

RQJWCL_BL - Leucht-Wahltaste links rastend, rechts tastend

Baureihe
RONTRON-Q-JUWEL
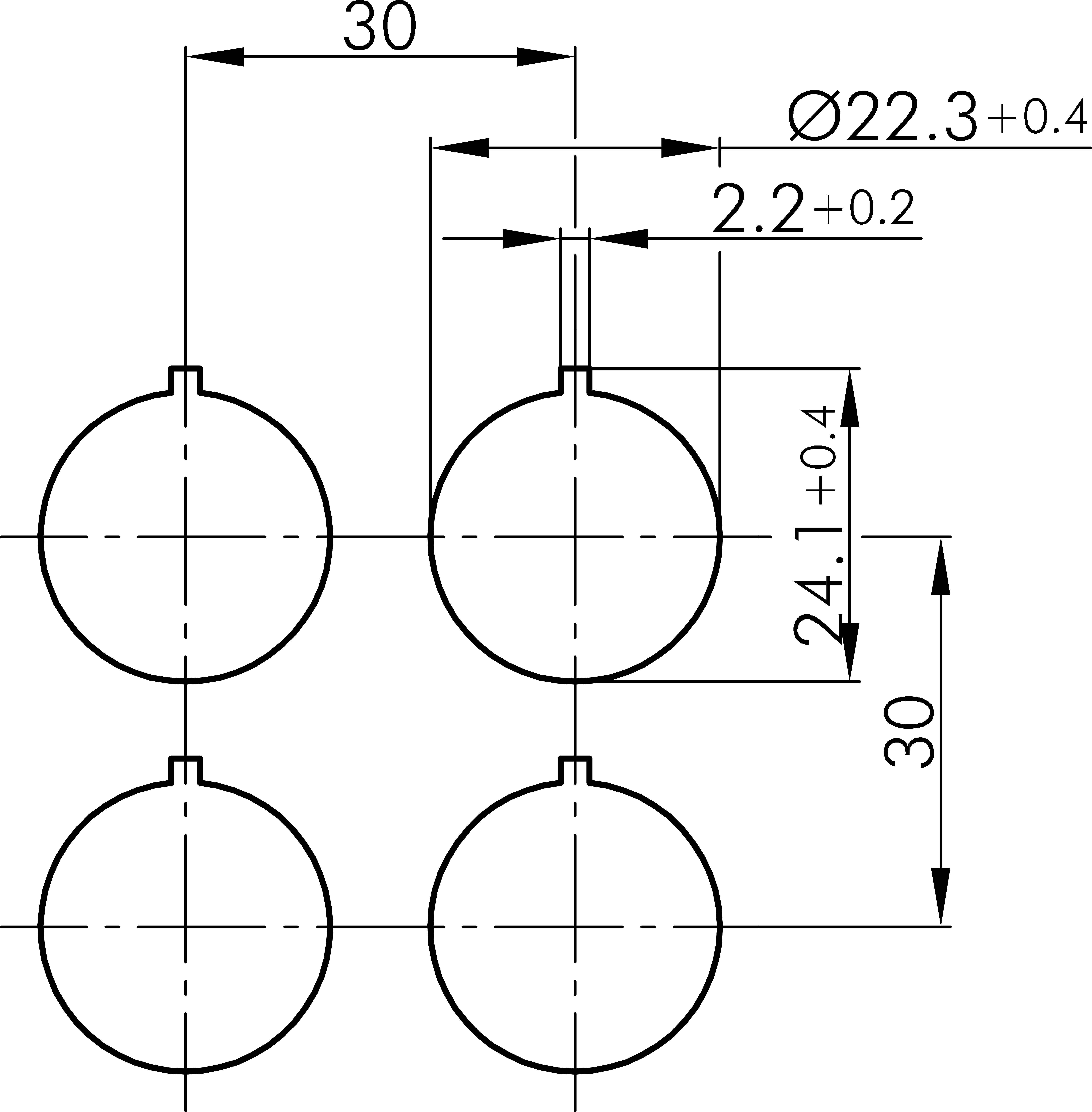
Einbauöffnung
Ø 22,3mm
Schaltfunktion
Tast- und Rastfunktion
Schaltstellung
-90° rastend
0° Nullstellung
40° tastend
Beleuchtung
Ja
Farbe Frontrahmen
silberfarben
Farbe Betätigungselement
blau
Bauform
abgerundetes Quadrat
Schutzart Vorne
IP65
Schutzklasse
II (Schutzisolierung)
Technische Skizzen
Dokumente
Icon E-Mail Icon Telefon