Zum Hauptinhalt springen Zur Suche springen Zur Hauptnavigation springen
Technische Daten
Produktbilder
Dokumente

RRJSTAL_RT

Leucht-Wahltaste tastend
Baureihe
RONTRON-R-JUWEL
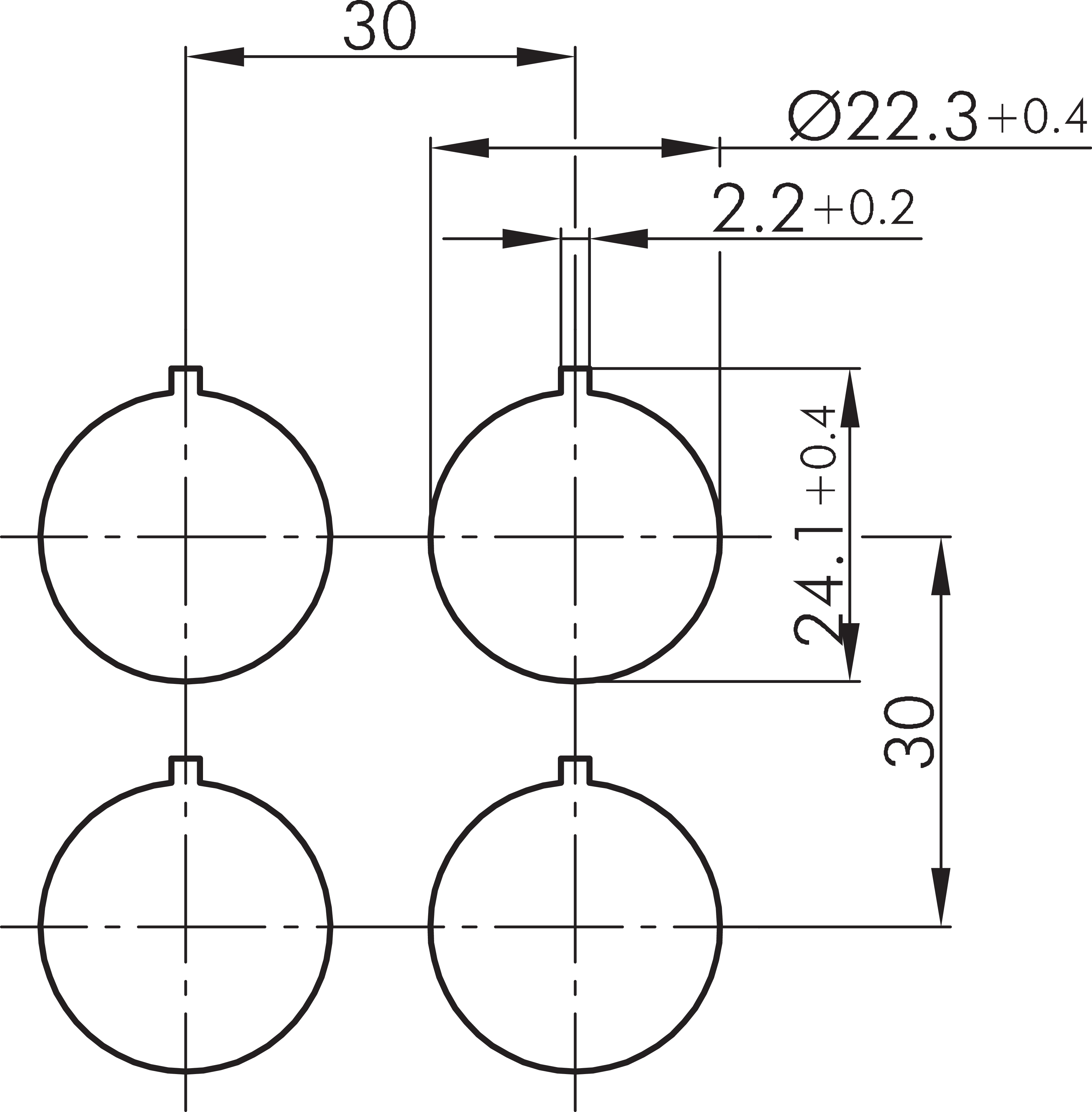
Einbauöffnung
Ø 22,3mm
Schaltfunktion
Tastfunktion
Schaltstellung
0° Nullstellung
40° tastend
Beleuchtung
Ja
Farbe Frontrahmen
silberfarben
Farbe Betätigungselement
rot
Bauform
rund
Schutzart Vorne
IP65
Schutzklasse
II (Schutzisolierung)
Technische Skizzen
Dokumente
Icon E-Mail Icon Telefon