Zum Hauptinhalt springen Zur Suche springen Zur Hauptnavigation springen
Technische Daten
Produktbilder
Dokumente

RRJVASTBL_GN

Baureihe
RONTRON-R-JUWEL
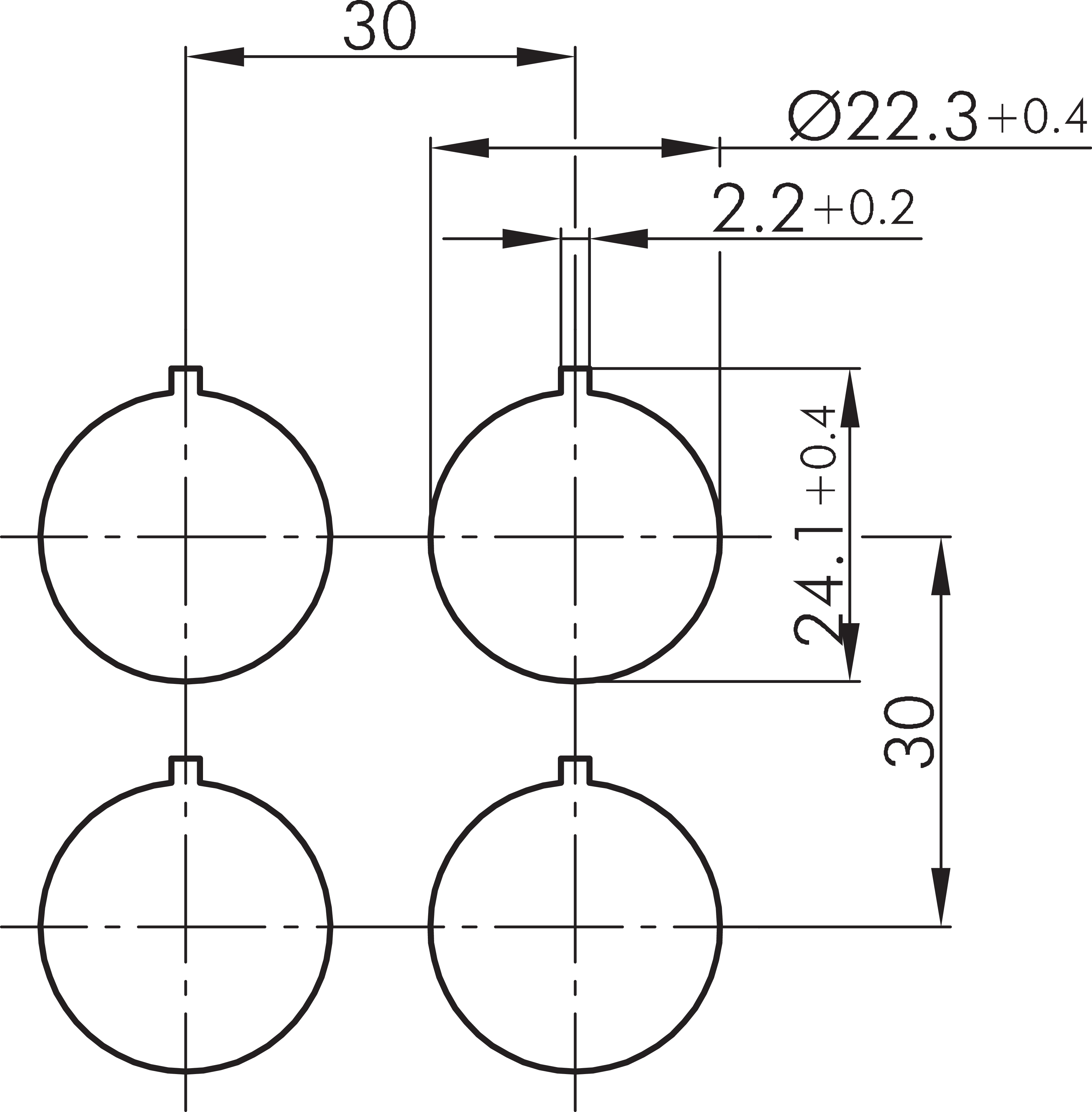
Einbauöffnung
Ø 22,3mm
Schaltfunktion
Tastfunktion
Schaltstellung
-40° tastend
0° Nullstellung
40° tastend
Beleuchtung
Ja
Farbe Frontrahmen
Edelstahl, glänzend
Farbe Betätigungselement
grün
Bauform
rund
Schutzart Vorne
IP65
Schutzklasse
II (Schutzisolierung)
Technische Skizzen
Dokumente
Icon E-Mail Icon Telefon