Zum Hauptinhalt springen Zur Suche springen Zur Hauptnavigation springen
Technische Daten
Produktbilder
Dokumente

RRJVAWBL_BL - Wahltaste rastend

Baureihe
RONTRON-R-JUWEL
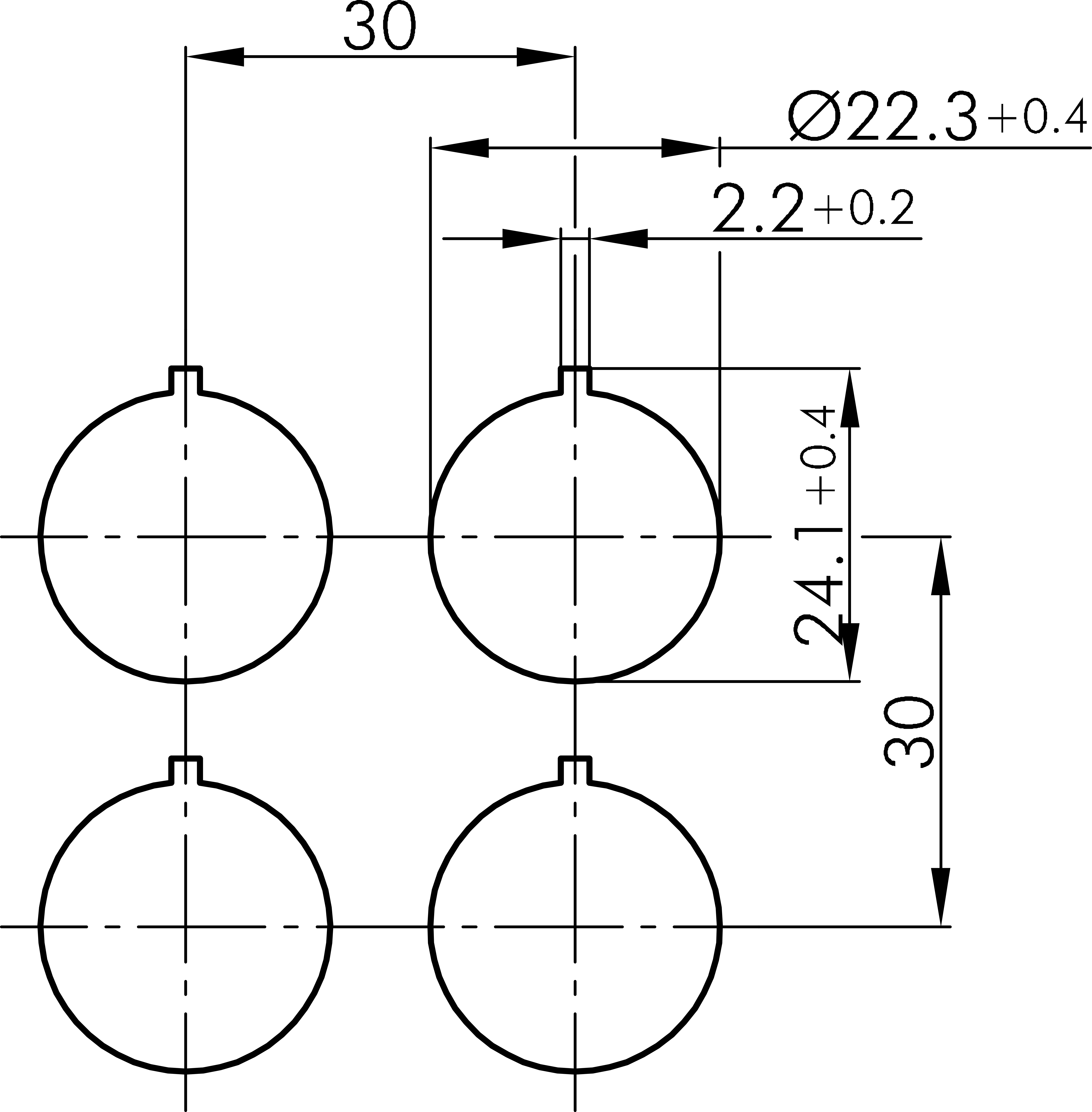
Einbauöffnung
Ø 22,3 mm
Schaltfunktion
Rastfunktion
Schaltstellung
-60° rastend
0° Nullstellung
60° rastend
Beleuchtung
Ja
Farbe Frontrahmen
Edelstahl, glänzend
Farbe Betätigungselement
blau
Bauform
rund
Schutzart Vorne
IP65
Schutzklasse
II (Schutzisolierung)
Technische Skizzen
Maßskizze RRJVAWBL_BL
Bohrbild RRJVAWBL_BL
Schaltstellungsanzeige RRJVAWBL_BL
Produktbild RRJVAWBL_BL
Dokumente
Icon E-Mail Icon Telefon