Zum Hauptinhalt springen Zur Suche springen Zur Hauptnavigation springen
Technische Daten
Produktbilder

RRJWB_514

wüstentaugliche Wahltaste rastend silberfarben
Baureihe
RONTRON-R-JUWEL
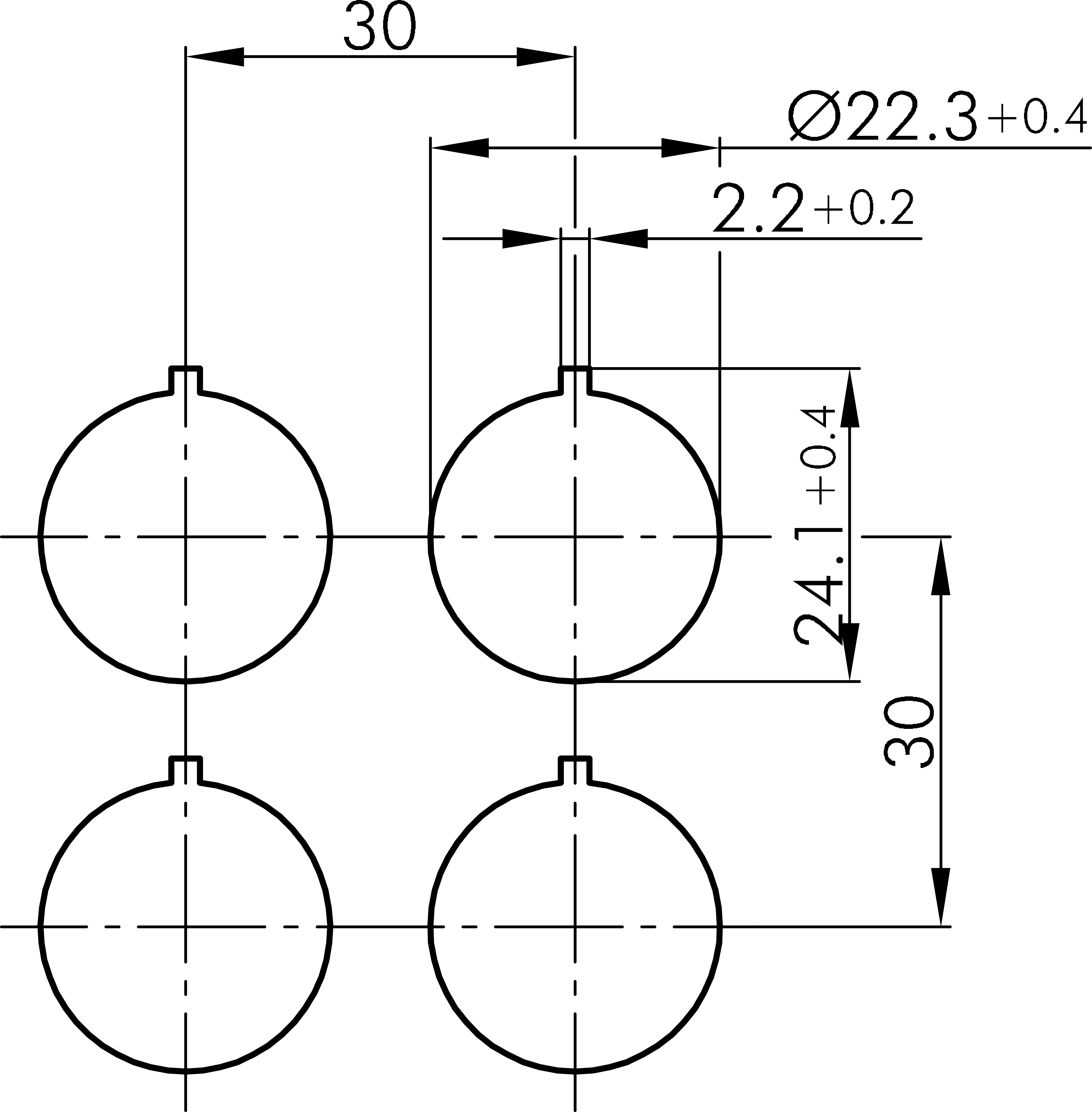
Einbauöffnung
Ø 22,3mm
Schaltfunktion
Rastfunktion
Schaltstellung
-60° rastend
0° Nullstellung
60° rastend
Beleuchtung
Nein
Farbe Frontrahmen
silberfarben
Bauform
rund
Schutzart Vorne
IP65
Technische Skizzen
Bohrbild RRJWB_514
Massskizze RRJWB_514
Auszeichnungen
Auszeichnung RRJ_WLA_01
Auszeichnung RRJ_WLA_01
Auszeichnung RRJ_WLA_01
Produktbild RRJWB_514
Dokumente
Icon E-Mail Icon Telefon