Zum Hauptinhalt springen Zur Suche springen Zur Hauptnavigation springen
Technische Daten
Produktbilder
Dokumente

RRJWBLSW_GN - Leucht-Wahltaste rastend

Baureihe
RONTRON-R-JUWEL
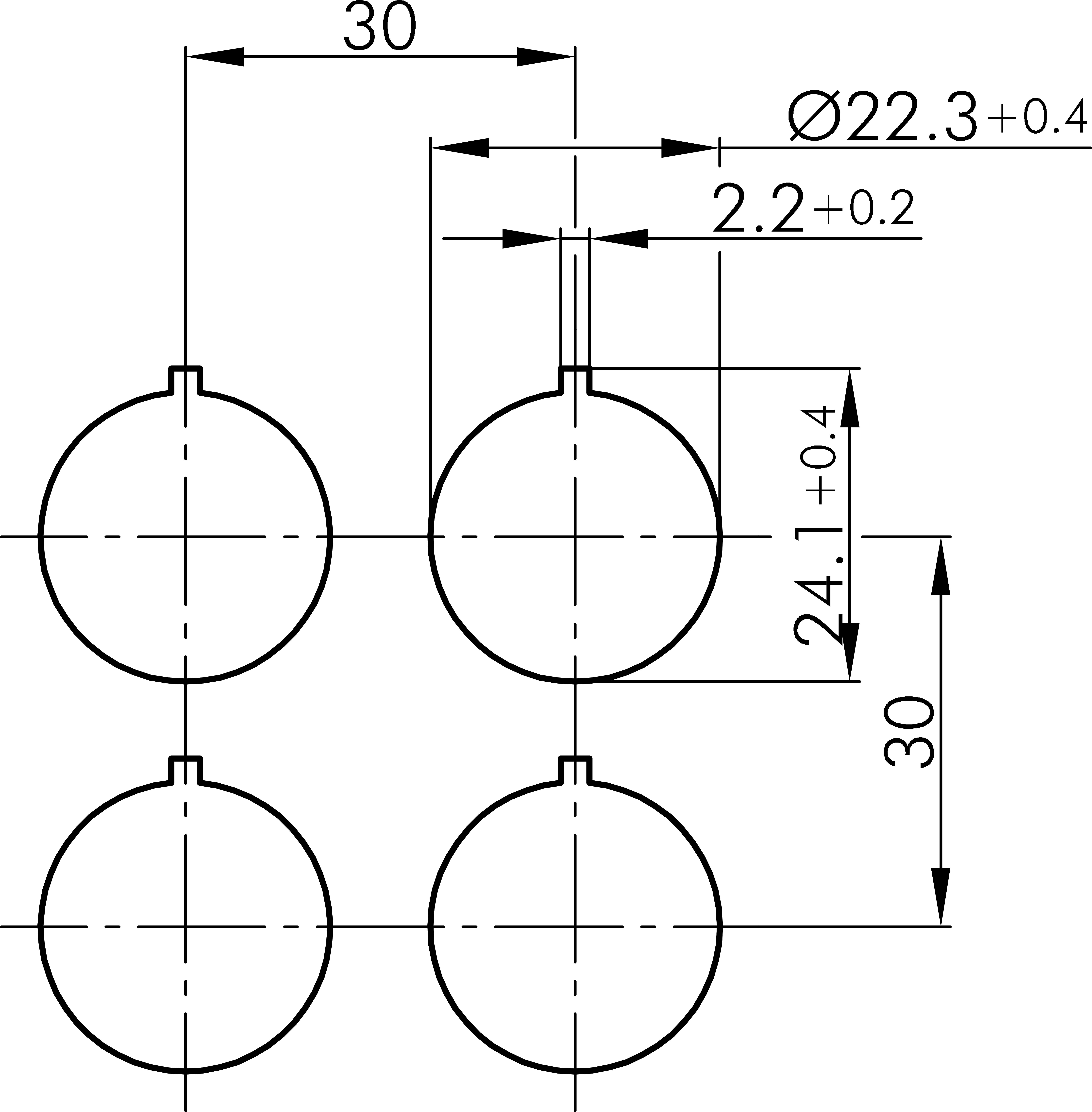
Einbauöffnung
Ø 22,3 mm
Schaltfunktion
Rastfunktion
Schaltstellung
-60° rastend
0° Nullstellung
60° rastend
Beleuchtung
Ja
Farbe Frontrahmen
schwarz
Farbe Betätigungselement
grün
Bauform
rund
Schutzart Vorne
IP65
Betriebstemperatur
-25°C ... 70°C
Approbationen
cURus, CE, UKCA
Technische Skizzen
Maßskizze RRJWBLSW_GN
Bohrbild RRJWBLSW_GN
Schaltstellungsanzeige RRJWBLSW_GN
Produktbild RRJWBLSW_GN
Dokumente
Icon E-Mail Icon Telefon