Zum Hauptinhalt springen Zur Suche springen Zur Hauptnavigation springen
Technische Daten
Produktbilder

RRJWBSW - Wahltaste rastend

Wahltaste rastend

Baureihe
RONTRON-R-JUWEL
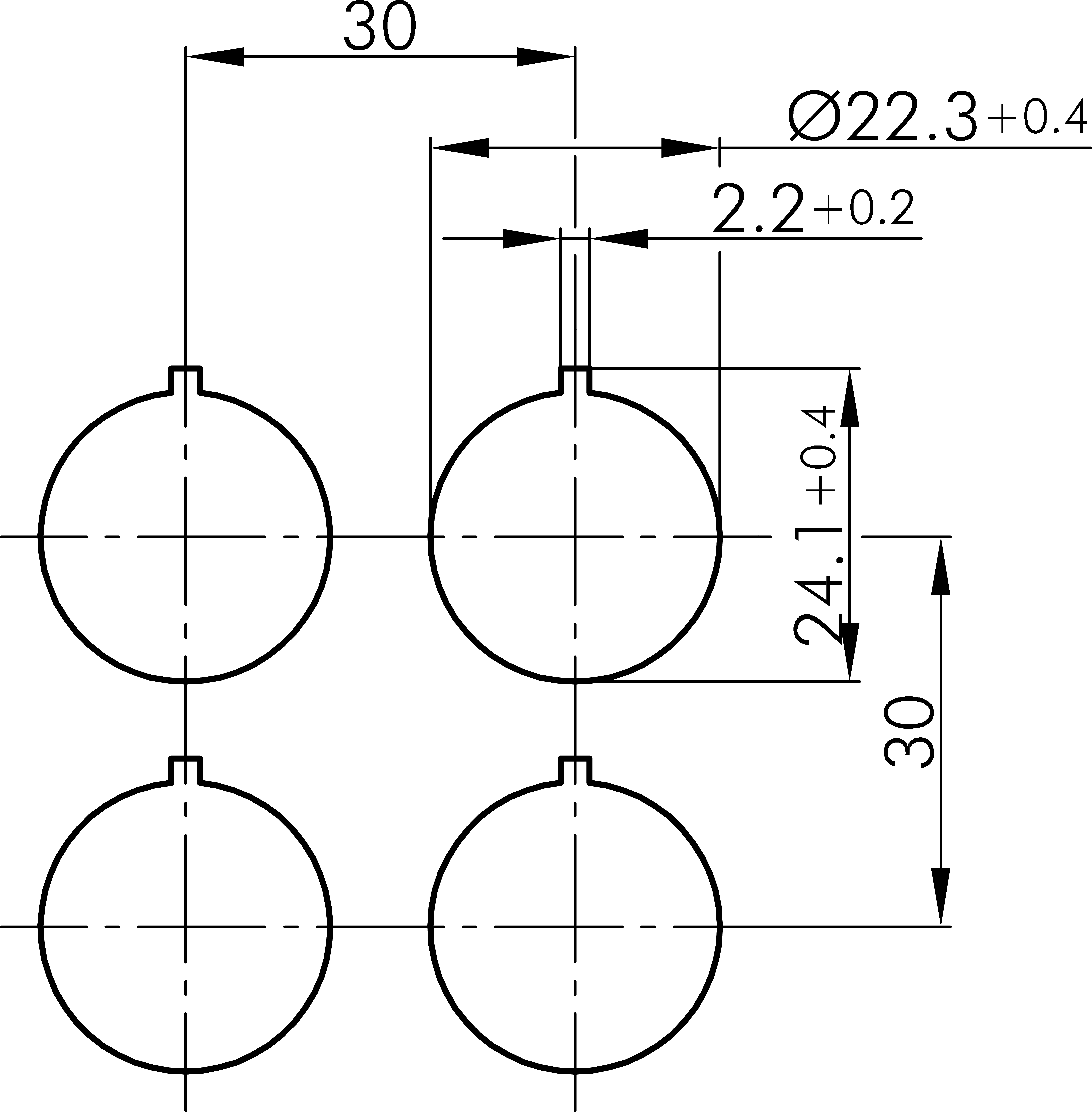
Einbauöffnung
Ø 22,3mm
Schaltfunktion
Rastfunktion
Schaltstellung
-60° rastend
0° Nullstellung
60° rastend
Beleuchtung
Nein
Farbe Frontrahmen
schwarz
Bauform
rund
Schutzart Vorne
IP65
Schutzklasse
II (Schutzisolierung)
Technische Skizzen
Produktbild RRJWBSW
Icon E-Mail Icon Telefon