Zum Hauptinhalt springen Zur Suche springen Zur Hauptnavigation springen
Technische Daten
Produktbilder
Downloads

SSSA12OI_M01 - Schlüsselschalter rastend mit M12-Anschluss an Kabel

Konfektionierter Schlüsselschalter mit M12-Anschluss 4-polig, mit drei Schaltstellungen und rastender Schaltfunktion. Schaltstellung 1 liegt auf 0°, Schaltstellung 2 auf -90° und Schaltstellung 3 auf 90°. Der Schlüssel kann auf allen Schaltstellungen abgezogen werden.

Inklusive 2 Schlüssel. Verschiedenschließend auf Anfrage möglich.

Baureihe
SHORTRON®-M12
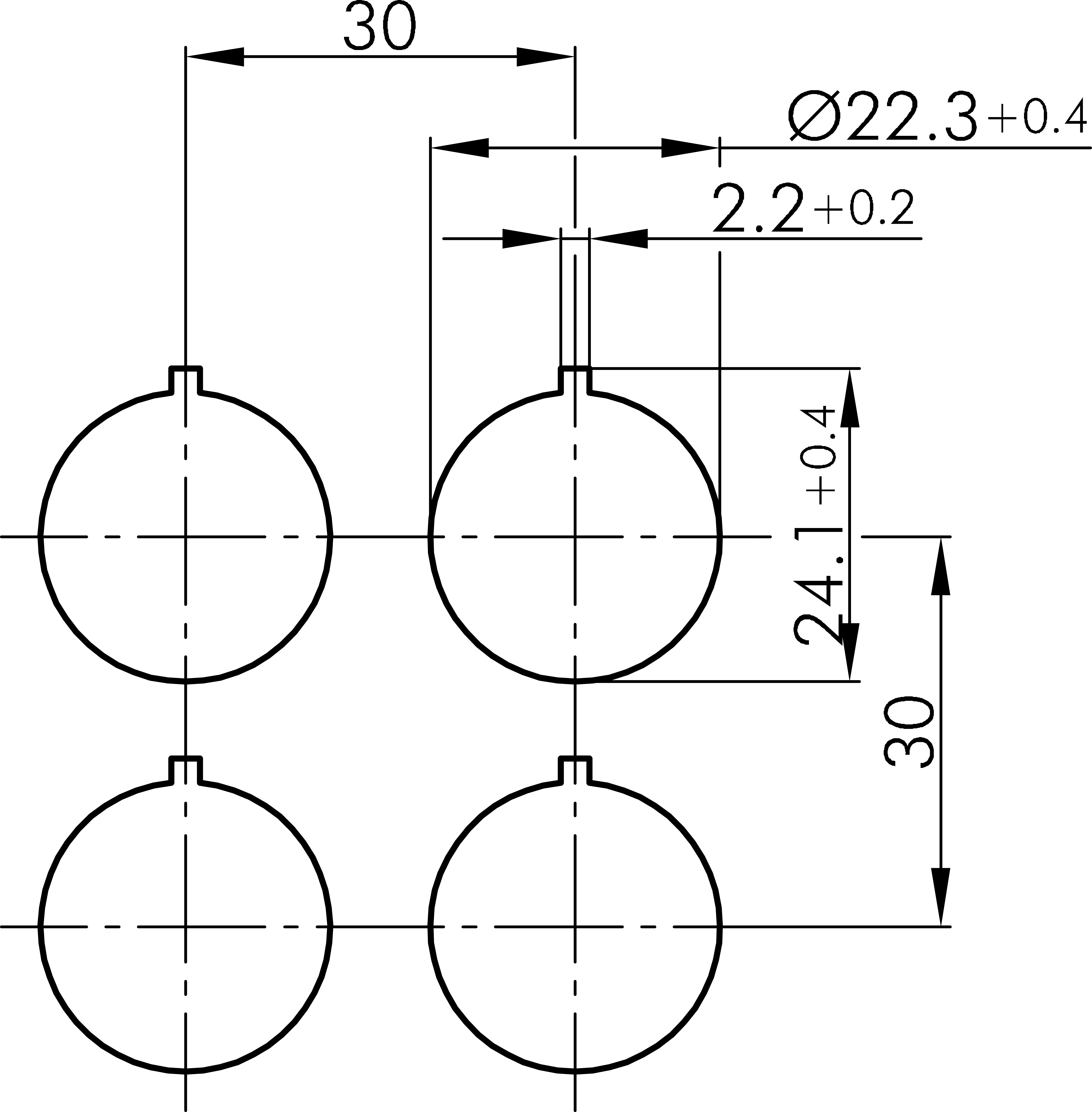
Einbauöffnung
Ø 22,3 mm
Kontaktart
1NC + 1NO
Schaltfunktion
Rastfunktion
Schaltstellung
-90° rastend, Schlüsselabzug
0° Schlüsselabzug
90° rastend, Schlüsselabzug
Farbe Frontrahmen
silberfarben
Bauform
rund
Schutzart Vorne
IP65
Schutzart Hinten
IP65
Betriebstemperatur
-25°C ... 70°C
Bemessungsbetriebsspannung IEC/EN 60947-5-1
120 V AC
240 V AC
125 V DC
250 V DC
Bemessungsbetriebsstrom IEC/EN 60947-5-1
3 A AC
1,5 A AC
0,55 A DC
0,27 A DC
Mechanische Lebensdauer
30.000 Schaltspiele
Elektrische Lebensdauer
30.000 Schaltspiele bei Nennlast
Approbationen
VDE, cURus, ENEC10, CE, UKCA
Kabellänge
250 mm ± 30 mm
Technische Skizzen
Maßskizze SSSA12OI_M01
Bohrbild SSSA12OI_M01
Schaltbild SSSA12OI_M01
Schaltstellungsanzeige SSSA12OI_M01
Schaltwegediagramm SSSA12OI_M01
Produktbild SSSA12OI_M01
Icon E-Mail Icon Telefon