Zum Hauptinhalt springen Zur Suche springen Zur Hauptnavigation springen
Technische Daten
Produktbilder
Downloads

SSSA13II - Schlüsselschalter rastend

Schlüsselschalter mit drei Schaltstellungen und rastender Schaltfunktion. Schaltstellung 1 liegt auf 0°, Schaltstellung 2 auf -90° und Schaltstellung 3 auf 90°. Der Schlüssel kann nur auf Schaltstellung 1 abgezogen werden.

Inklusive 2 Schlüssel. Verschiedenschließend auf Anfrage möglich.

Baureihe
SHORTRON®
Einbauöffnung
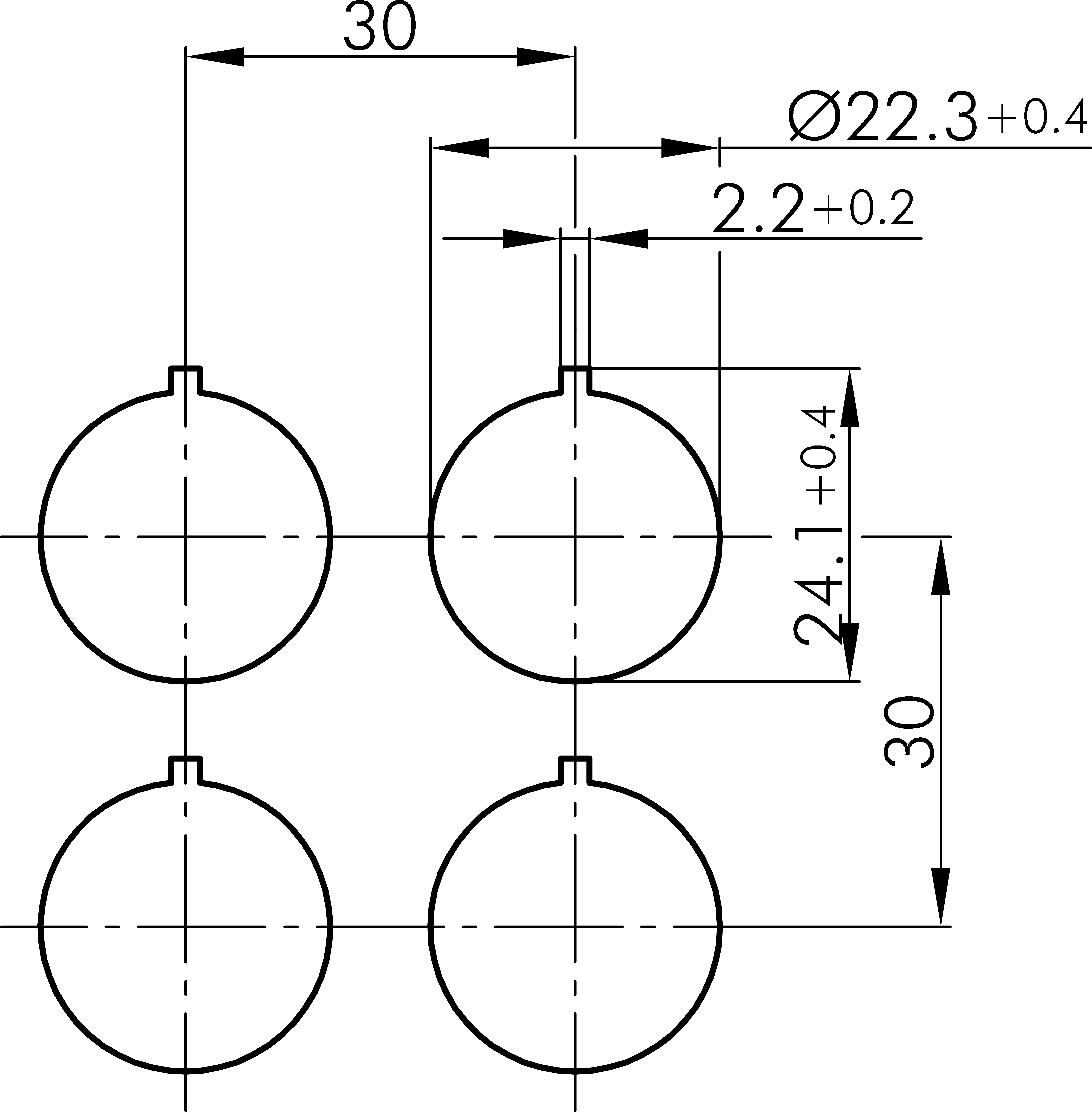
Ø 22,3 mm
Kontaktart
2NO
Schaltfunktion
Rastfunktion
Schaltstellung
-90° rastend
0° Schlüsselabzug
90° rastend
Farbe Frontrahmen
silberfarben
Bauform
rund
Schutzart Vorne
IP65
Betriebstemperatur
-25°C ... 70°C
Bemessungsbetriebsspannung IEC/EN 60947-5-1
120 V AC
240 V AC
24 V DC
60 V DC
125 V DC
250 V DC
Bemessungsbetriebsstrom IEC/EN 60947-5-1
3 A AC
1,5 A AC
2 A DC
1 A DC
0,55 A DC
0,27 A DC
Mechanische Lebensdauer
30.000 Schaltspiele
Elektrische Lebensdauer
30.000 Schaltspiele DC-13
30.000 Schaltspiele bei Nennlast
Approbationen
VDE, CCC, cURus, DNV, ENEC10, CE, UKCA
Technische Skizzen
Maßskizze SSSA13II
Bohrbild SSSA13II
Schaltbild SSSA13II
Schaltstellungsanzeige SSSA13II
Schaltwegediagramm SSSA13II
Produktbild SSSA13II
Icon E-Mail Icon Telefon