Zum Hauptinhalt springen Zur Suche springen Zur Hauptnavigation springen
Technische Daten
Produktbilder
Dokumente

SSSA15II - Schlüsseltaster rastend

Baureihe
SHORTRON®
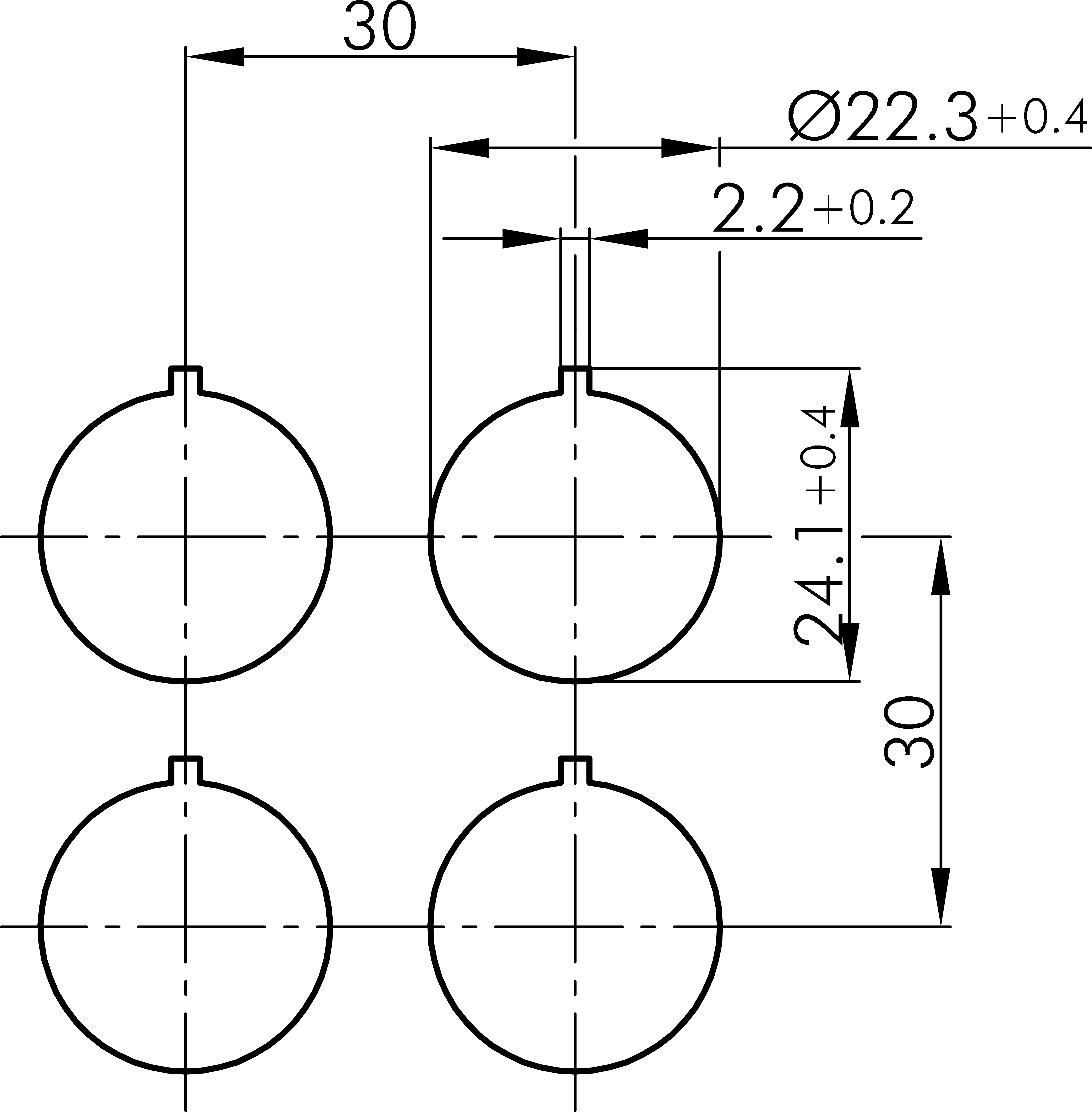
Einbauöffnung
Ø 22,3 mm
Kontaktart
2NO
Schaltfunktion
Rastfunktion
Schaltstellung
0° Schlüsselabzug
90° rastend, Schlüsselabzug
Anschluss
Flachstecker
Beleuchtung
Nein
Farbe Frontrahmen
silberfarben
Bauform
rund
Schutzart Vorne
IP65
Betriebstemperatur
-25°C ... 70°C
Bemessungsbetriebsspannung IEC/EN 60947-5-1
120 V AC
240 V AC
24 V DC
60 V DC
125 V DC
250 V DC
Bemessungsbetriebsstrom IEC/EN 60947-5-1
3 A AC
1,5 A AC
2 A DC
1 A DC
0,55 A DC
0,27 A DC
Mechanische Lebensdauer
30.000 Schaltspiele
Elektrische Lebensdauer
30.000 Schaltspiele bei Nennlast
Approbationen
VDE, CCC, cURus, DNV, ENEC10, CE, UKCA
Technische Skizzen
Maßskizze SSSA15II
Bohrbild SSSA15II
Schaltbild SSSA15II
Schaltstellungsanzeige SSSA15II
Schaltwegediagramm SSSA15II
Produktbild SSSA15II
Dokumente
Icon E-Mail Icon Telefon