Zum Hauptinhalt springen Zur Suche springen Zur Hauptnavigation springen
Technische Daten
Produktbilder
Dokumente

SSSA17II - Schlüsseltaster rastend

Baureihe
SHORTRON®
Einbauöffnung
Ø 22,3 mm
Kontaktart
2NO
Schaltfunktion
Rastfunktion
Schaltstellung
-45° Schlüsselabzug
45° rastend
Anschluss
Flachstecker
Beleuchtung
Nein
Farbe Frontrahmen
silberfarben
Bauform
rund
Schutzart Vorne
IP65
Betriebstemperatur
-25°C ... 70°C
Bemessungsbetriebsspannung IEC/EN 60947-5-1
120 V AC
240 V AC
24 V DC
60 V DC
125 V DC
250 V DC
Bemessungsbetriebsstrom IEC/EN 60947-5-1
3 A AC
1,5 A AC
2 A DC
1 A DC
0,55 A DC
0,27 A DC
Mechanische Lebensdauer
30.000 Schaltspiele
Elektrische Lebensdauer
30.000 Schaltspiele bei Nennlast
Approbationen
VDE, CCC, cURus, DNV, ENEC10, CE, UKCA
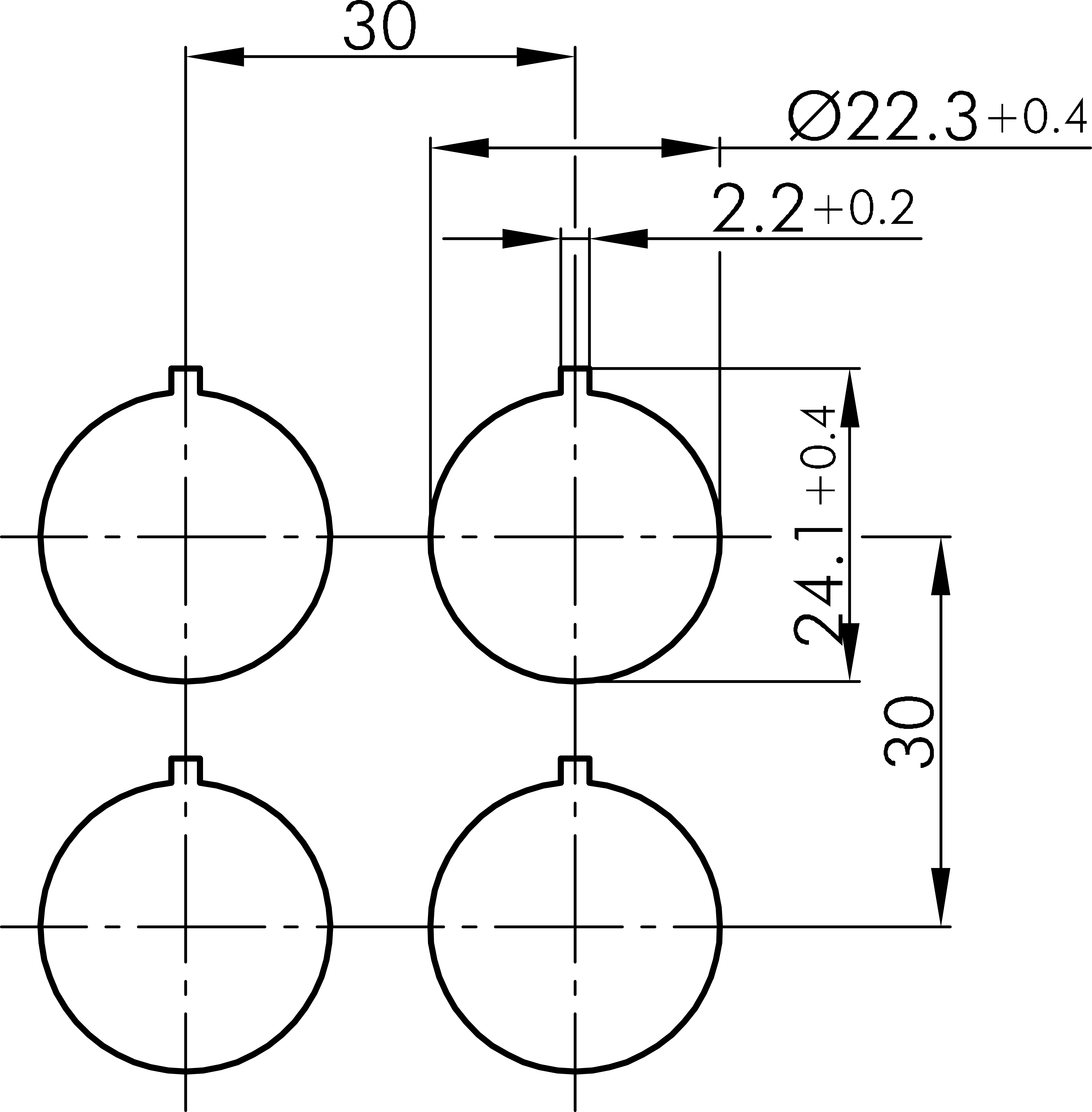
Technische Skizzen
Maßskizze SSSA17II
Bohrbild SSSA17II
Schaltbild SSSA17II
Schaltstellungsanzeige SSSA17II
Schaltwegediagramm SSSA17II
Produktbild SSSA17II
Dokumente
Icon E-Mail Icon Telefon