Zum Hauptinhalt springen Zur Suche springen Zur Hauptnavigation springen
Technische Daten
Produktbilder
Dokumente

SSTBII - Wahltaster tastend

Baureihe
SHORTRON®
Einbauöffnung
Ø 22,3 mm
Kontaktart
2NO
Schaltfunktion
Tastfunktion
Schaltstellung
-40° tastend
0° Nullstellung
40° tastend
Anschluss
Flachstecker
Beleuchtung
Nein
Farbe Frontrahmen
silberfarben
Bauform
rund
Schutzart Vorne
IP65
Betriebstemperatur
-25°C ... 70°C
Bemessungsbetriebsspannung IEC/EN 60947-5-1
120 V AC
240 V AC
24 V DC
60 V DC
125 V DC
250 V DC
Bemessungsbetriebsstrom IEC/EN 60947-5-1
3 A AC
1,5 A AC
2 A DC
1 A DC
0,55 A DC
0,27 A DC
Mechanische Lebensdauer
30.000 Schaltspiele
Elektrische Lebensdauer
30.000 Schaltspiele bei Nennlast
Approbationen
VDE, CCC, cURus, DNV, ENEC10, CE, UKCA
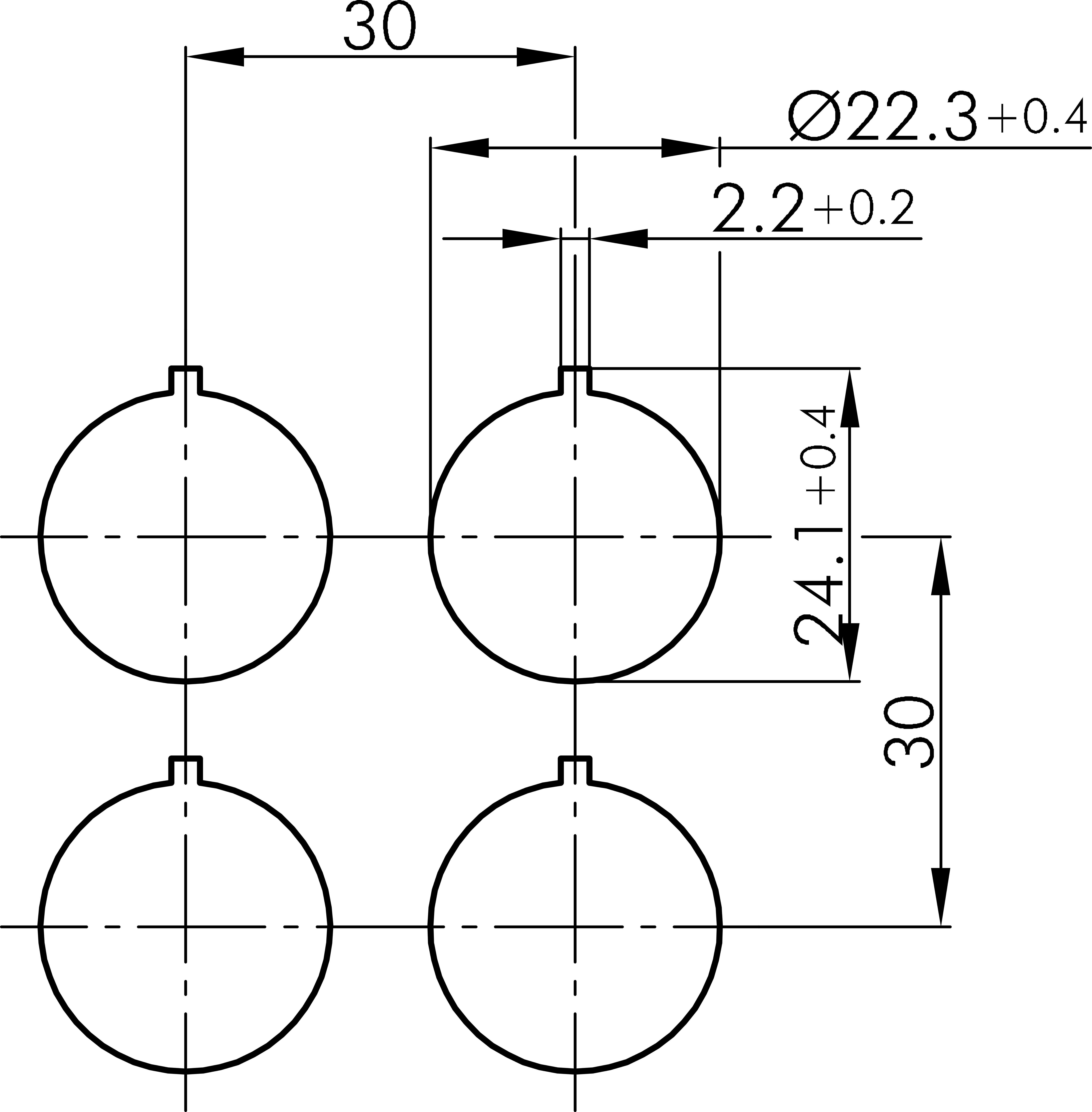
Technische Skizzen
Maßskizze SSTBII
Bohrbild SSTBII
Schaltbild SSTBII
Schaltstellungsanzeige SSTBII
Schaltwegediagramm SSTBII
Produktbild SSTBII
Dokumente
Icon E-Mail Icon Telefon