Zum Hauptinhalt springen Zur Suche springen Zur Hauptnavigation springen
Technische Daten
Produktbilder
Dokumente

SSWCFTF - Einzel-Folien-Taste taktil

Der SSWCFTLF Folientaster aus der SHORTRON Serie ist ein verlässlicher Partner für Umgebungen, in denen hoher Schutz und Sauberkeit im Vordergrund stehen. Dank seiner robusten Konstruktion und der hohen Schutzarten IP66 und IP69K eignet sich der Taster für den Einsatz in Bereichen mit hohem Wasseraufkommen oder anspruchsvollen Reinigungsverfahren. Mit der Möglichkeit zur Beschriftung ist dieser Folientaster nicht nur funktional, sondern bietet auch Flexibilität in der Anwendung. Die richtige Wahl für alle, die eine langlebige Lösung mit einem Höchstmaß an Zuverlässigkeit und Anpassungsfähigkeit suchen.
Baureihe
SHORTRON®
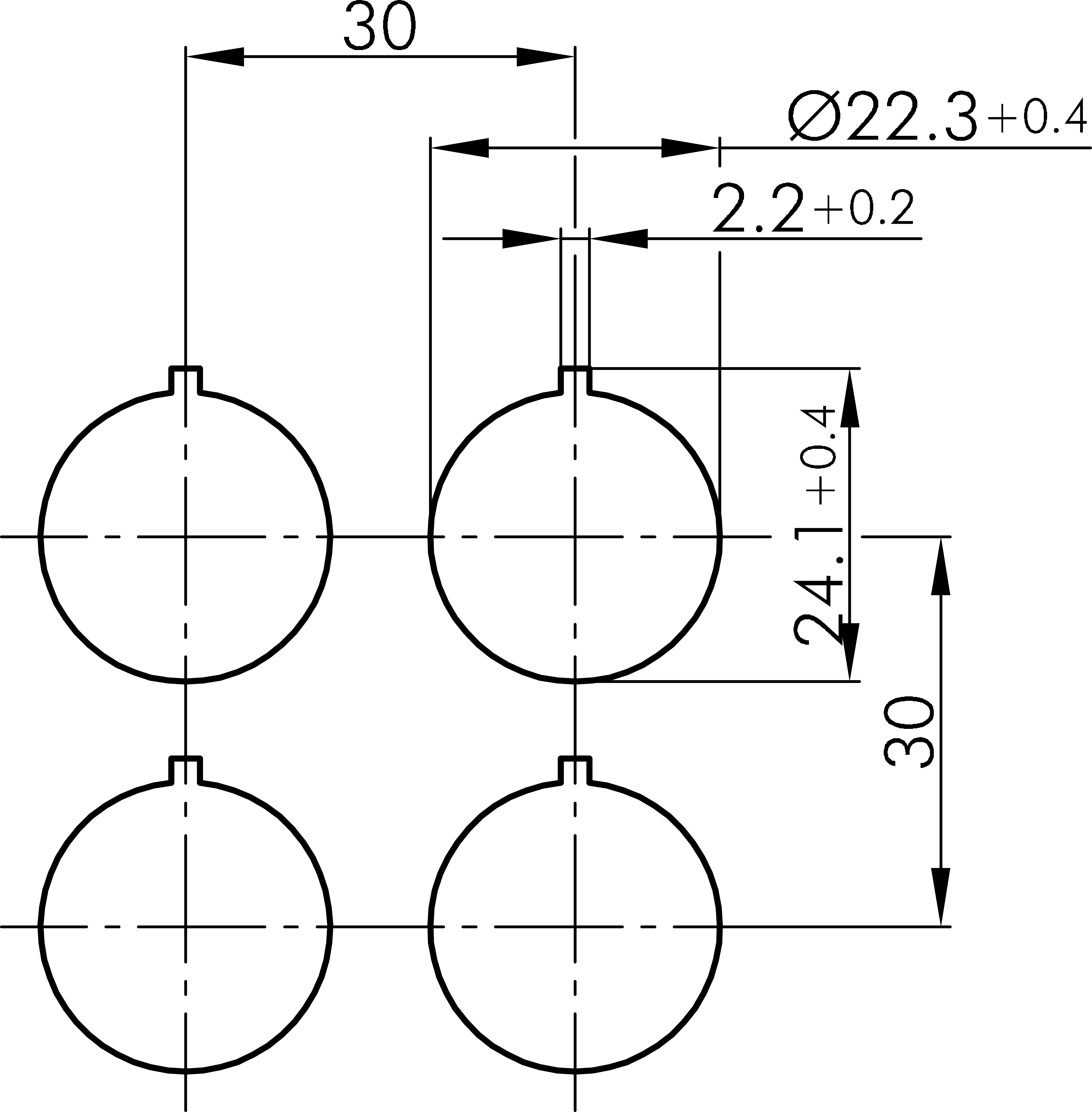
Einbauöffnung
Ø 22,3 mm
Kontaktart
1CO
Schaltfunktion
Tastfunktion
Anschluss
Flachstecker
Beleuchtung
Nein
Farbe Frontrahmen
schwarz
Bauform
rund
Schutzart Vorne
IP66
IP67
IP69K
Betriebstemperatur
-25°C ... 70°C
Mechanische Lebensdauer
1.000.000 Schaltspiele 20°C
Elektrische Lebensdauer
1.000.000 Schaltspiele bei Nennlast
Approbationen
VDE, CCC, cURus, DNV, ENEC10, CE, UKCA
Schutzklasse
II (Schutzisolierung)
Technische Skizzen
Maßskizze SSWCFTF
Bohrbild SSWCFTF
Schaltbild SSWCFTF
Produktbild SSWCFTF
Dokumente
Icon E-Mail Icon Telefon