Zum Hauptinhalt springen Zur Suche springen Zur Hauptnavigation springen
Technische Daten
Produktbilder
Dokumente

STLII - Leuchtdrucktaster

Baureihe
SHORTRON®
Einbauöffnung
Ø 22,3 mm
Kontaktart
2NO
Anschluss
Flachstecker
Beleuchtung
Ja
Leuchtmittel
LED integriert
Farbe Frontrahmen
silberfarben
Bauform
rund
Schutzart Vorne
IP65
IP67
Betriebstemperatur
-25°C ... 70°C
Bemessungsbetriebsspannung IEC/EN 60947-5-1
120 V AC
240 V AC
24 V DC
60 V DC
125 V DC
250 V DC
Bemessungsbetriebsstrom IEC/EN 60947-5-1
3 A AC
1,5 A AC
2 A DC
1 A DC
0,55 A DC
0,27 A DC
Mechanische Lebensdauer
1.000.000 Schaltspiele
Elektrische Lebensdauer
1.000.000 Schaltspiele
Approbationen
VDE, CCC, cURus, DNV, ENEC10, UKCA
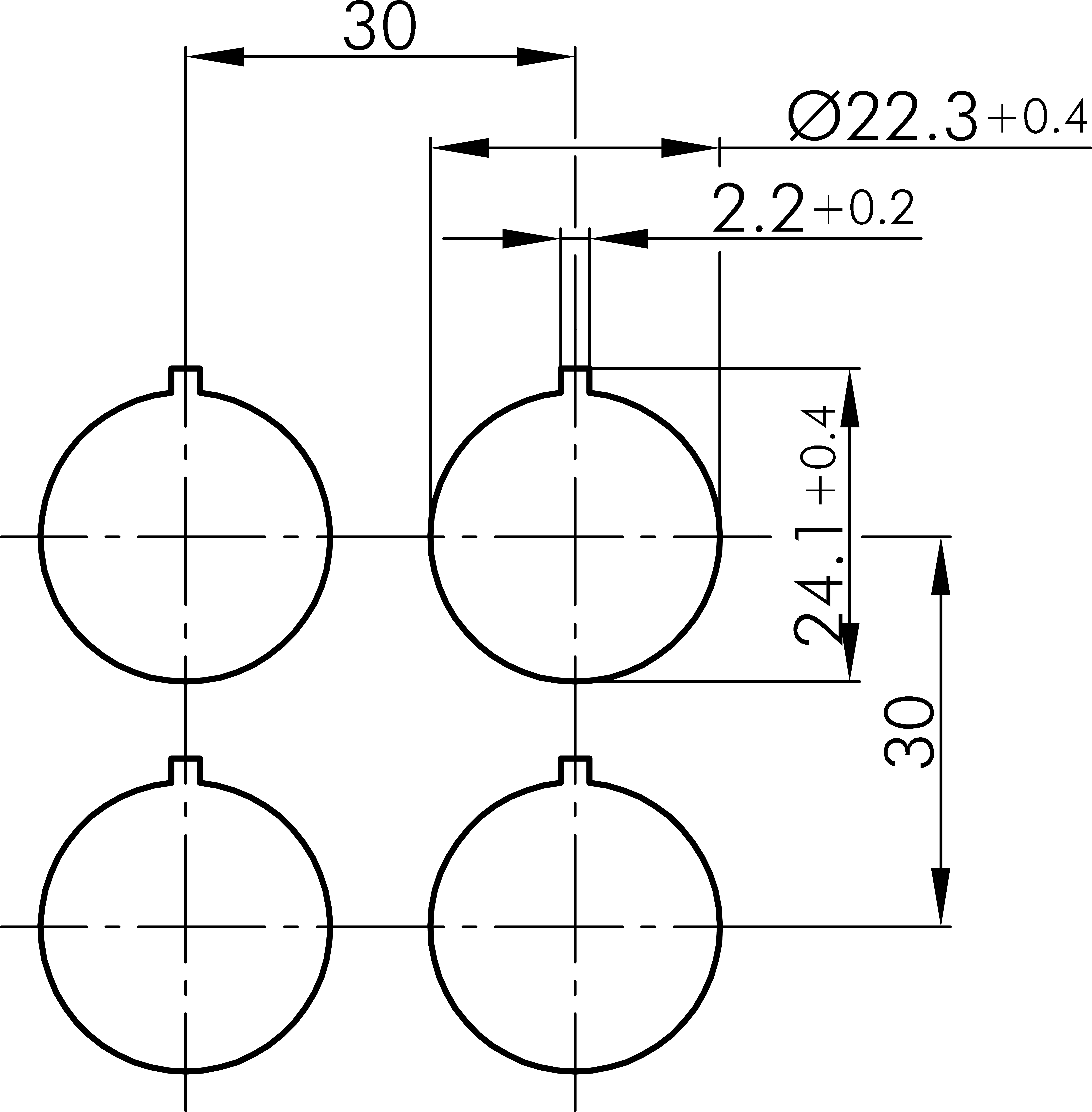
Technische Skizzen
Maßskizze STLII
Bohrbild STLII
Schaltbild STLII
Schaltwegediagramm STLII
Produktbild STLII
Dokumente
Icon E-Mail Icon Telefon