Zum Hauptinhalt springen Zur Suche springen Zur Hauptnavigation springen
Technische Daten
Produktbilder
Dokumente

STLRG - Drucktaste mit Ringbeleuchtung

Baureihe
SHORTRON® Zwischenbau
Einbauöffnung
Ø 22,3 mm
Schaltfunktion
Tastfunktion
Beleuchtung
Ja
Farbe Frontrahmen
silberfarben
Farbe Betätigungselement
grün
Bauform
rund
Schutzart Vorne
IP65
IP67
Betriebstemperatur
-25°C ... 70°C
Mechanische Lebensdauer
1.000.000 Schaltspiele
Approbationen
VDE, CCC, cURus, ENEC10, CE, UKCA
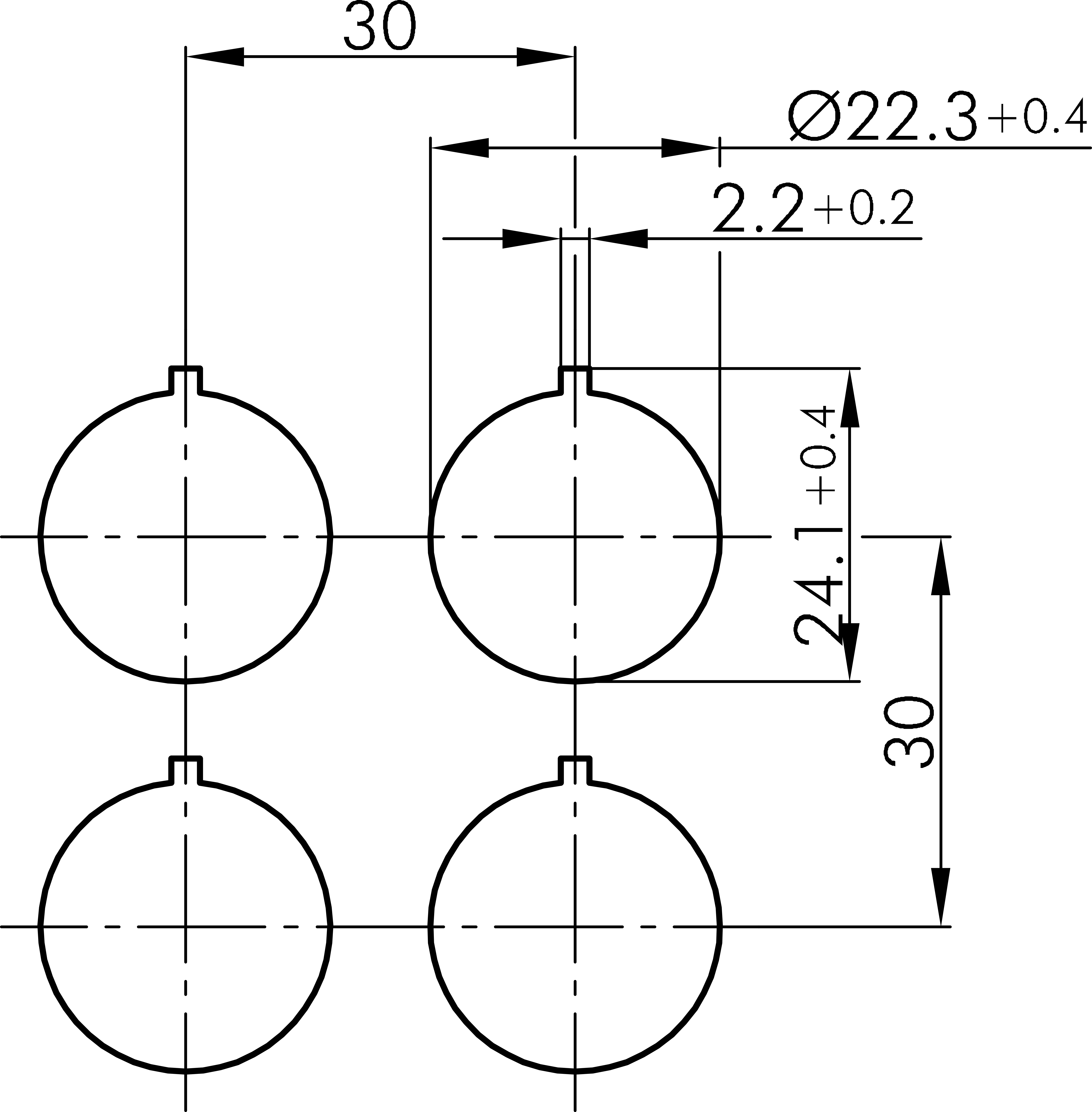
Technische Skizzen
Maßskizze STLRG
Bohrbild STLRG
Produktbild STLRG
Dokumente
Icon E-Mail Icon Telefon