Zum Hauptinhalt springen Zur Suche springen Zur Hauptnavigation springen
Technische Daten
Produktbilder
Dokumente

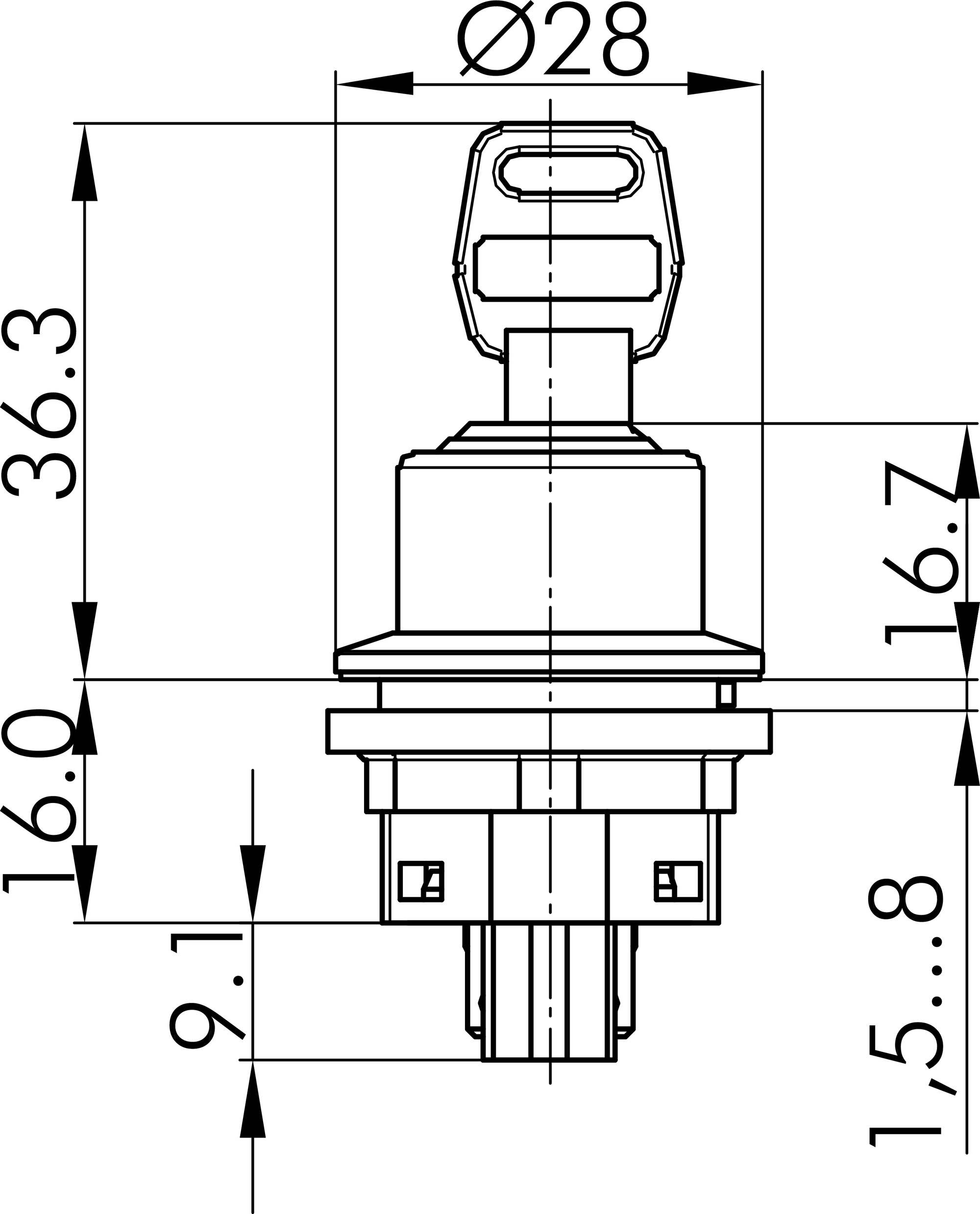
SVASSA16II - Schlüsselschalter rastend

Schlüsselschalter mit zwei Schaltstellungen und rastender Schaltfunktion. Schaltstellung 1 liegt auf 0° und Schaltstellung 2 auf 90°. Der Schlüssel kann nur auf Schaltstellung 2 abgezogen werden.

Inklusive 2 Schlüssel. Verschiedenschließend auf Anfrage möglich.

Baureihe
SHORTRON®
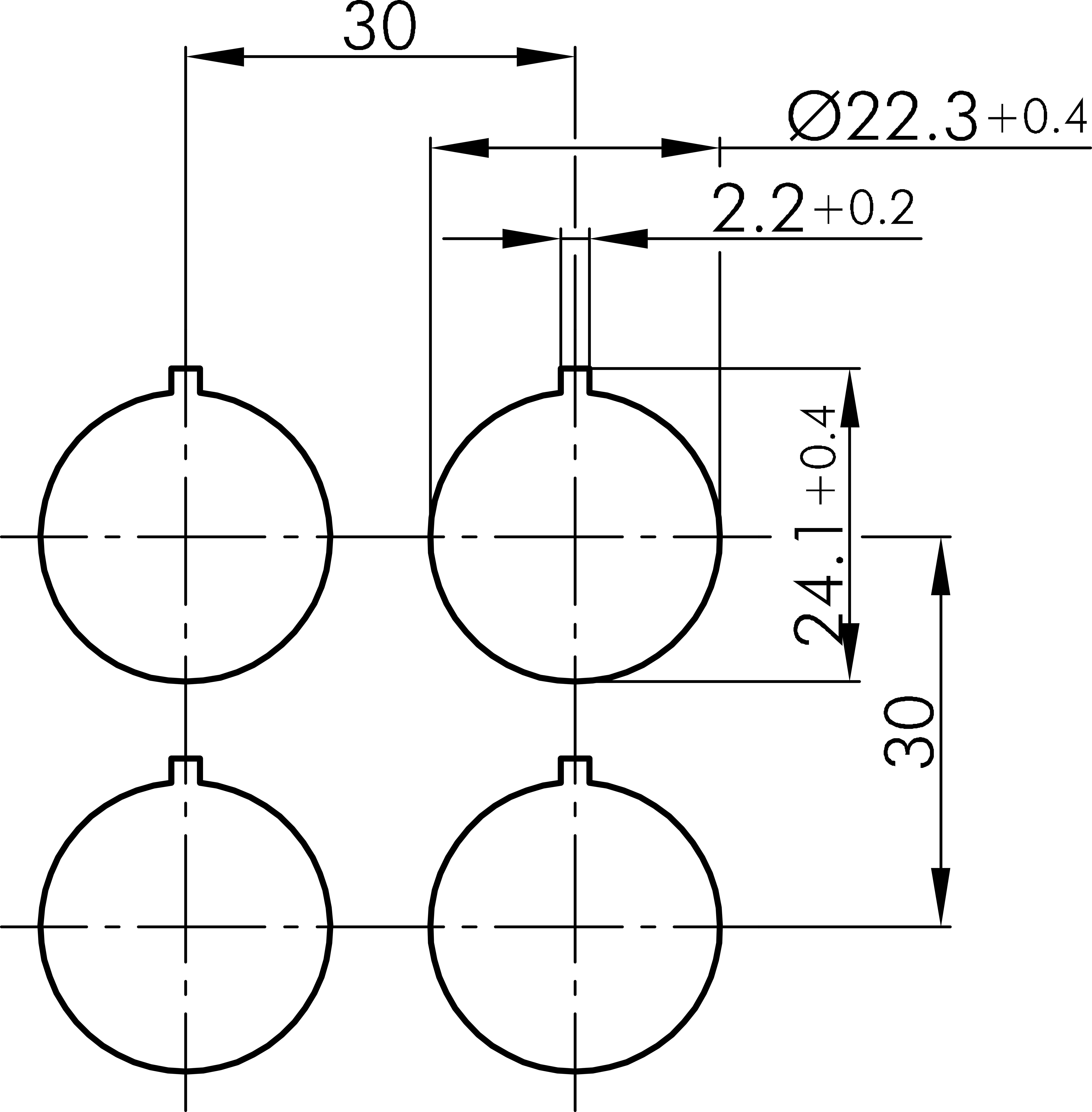
Einbauöffnung
Ø 22,3 mm
Kontaktart
2NO
Schaltfunktion
Rastfunktion
Schaltstellung
0° Nullstellung
90° rastend, Schlüsselabzug
Farbe Frontrahmen
Edelstahl
Bauform
rund
Schutzart Vorne
IP65
Betriebstemperatur
-25°C ... 70°C
Bemessungsbetriebsspannung IEC/EN 60947-5-1
120 V AC
240 V AC
24 V DC
60 V DC
125 V DC
250 V DC
Bemessungsbetriebsstrom IEC/EN 60947-5-1
3 A AC
1,5 A AC
2 A DC
1 A DC
0,55 A DC
0,27 A DC
Mechanische Lebensdauer
30.000 Schaltspiele
Elektrische Lebensdauer
30.000 Schaltspiele DC-13
30.000 Schaltspiele bei Nennlast
Approbationen
VDE, CCC, cURus, DNV, ENEC10, CE, UKCA
Technische Skizzen
Maßskizze SVASSA16II
Bohrbild SVASSA16II
Schaltbild SVASSA16II
Schaltstellungsanzeige SVASSA16II
Schaltwegediagramm SVASSA16II
Produktbild SVASSA16II
Dokumente
Icon E-Mail Icon Telefon