Zum Hauptinhalt springen Zur Suche springen Zur Hauptnavigation springen
Technische Daten
Produktbilder
Downloads

SVASSA17 - Schlüsselschalter rastend

Schlüsselschalter mit zwei Schaltstellungen und rastender Schaltfunktion. Schaltstellung 1 liegt auf -45° und Schaltstellung 2 auf 45°. Der Schlüssel kann auf Schaltstellung 1 abgezogen werden.

Inklusive 2 Schlüssel. Verschiedenschließend auf Anfrage möglich.

Baureihe
SHORTRON® Zwischenbau
Einbauöffnung
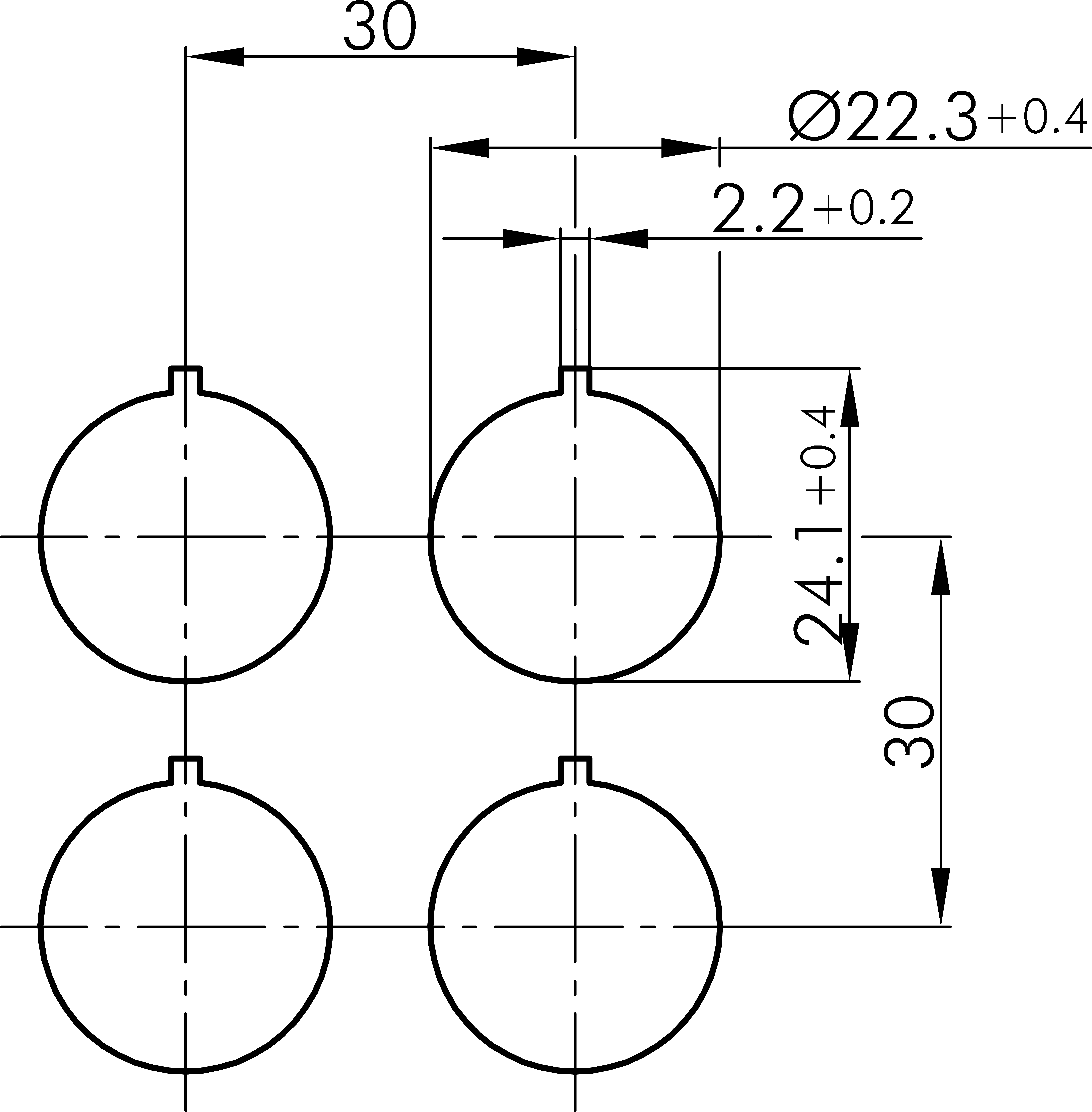
Ø 22,3 mm
Schaltfunktion
Rastfunktion
Schaltstellung
-45° Schlüsselabzug
45° rastend
Farbe Frontrahmen
Edelstahl
Bauform
rund
Schutzart Vorne
IP65
Betriebstemperatur
-25°C ... 70°C
Mechanische Lebensdauer
30.000 Schaltspiele
Approbationen
VDE, CCC, cURus, DNV, ENEC10, CE, UKCA
Technische Skizzen
Maßskizze SVASSA17
Bohrbild SVASSA17
Schaltstellungsanzeige SVASSA17
Produktbild SVASSA17
Icon E-Mail Icon Telefon