Zum Hauptinhalt springen Zur Suche springen Zur Hauptnavigation springen
Technische Daten
Produktbilder
Dokumente

SVAWAI - Wahltaster rastend

Baureihe
SHORTRON®
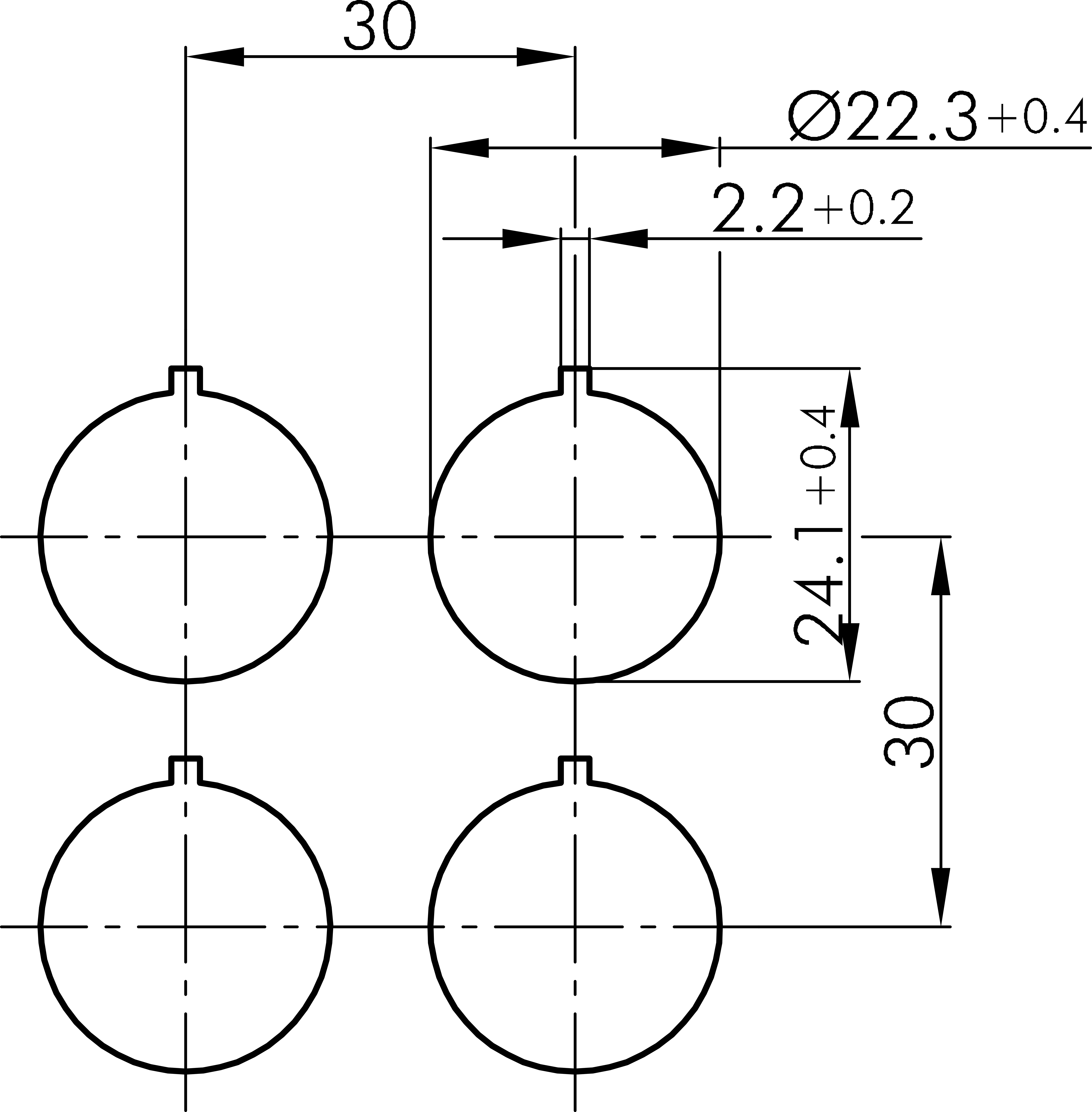
Einbauöffnung
Ø 22,3 mm
Kontaktart
1NO
Schaltfunktion
Rastfunktion
Schaltstellung
-45° Nullstellung
45° rastend
Anschluss
Flachstecker
Beleuchtung
Nein
Farbe Frontrahmen
Edelstahl
Bauform
rund
Schutzart Vorne
IP65
Betriebstemperatur
-25°C ... 70°C
Bemessungsbetriebsspannung IEC/EN 60947-5-1
120 V AC
240 V AC
24 V DC
60 V DC
125 V DC
250 V DC
Bemessungsbetriebsstrom IEC/EN 60947-5-1
3 A AC
1,5 A AC
2 A DC
1 A DC
0,55 A DC
0,27 A DC
Mechanische Lebensdauer
30.000 Schaltspiele
Elektrische Lebensdauer
30.000 Schaltspiele bei Nennlast
Approbationen
VDE, CCC, cURus, DNV, ENEC10, CE, UKCA
Technische Skizzen
Maßskizze SVAWAI
Bohrbild SVAWAI
Schaltbild SVAWAI
Schaltstellungsanzeige SVAWAI
Schaltwegediagramm SVAWAI
Produktbild SVAWAI
Dokumente
Icon E-Mail Icon Telefon