Zum Hauptinhalt springen Zur Suche springen Zur Hauptnavigation springen
Technische Daten
Produktbilder
Dokumente

SWBOI_M01 - Wahltaster rastend

Baureihe
SHORTRON®-M12
Einbauöffnung
Ø 22,3 mm
Kontaktart
1NC + 1NO
Schaltfunktion
Rastfunktion
Schaltstellung
-60° rastend
0° Nullstellung
60° rastend
Anschluss
M12
Beleuchtung
Nein
Farbe Frontrahmen
silberfarben
Bauform
rund
Schutzart Vorne
IP65
Betriebstemperatur
-25°C ... 70°C
Bemessungsbetriebsspannung IEC/EN 60947-5-1
120 V AC
240 V AC
125 V DC
250 V DC
Bemessungsbetriebsstrom IEC/EN 60947-5-1
3 A AC
1,5 A AC
0,55 A DC
0,27 A DC
Mechanische Lebensdauer
1.000.000 Schaltspiele
Elektrische Lebensdauer
1.000.000 Schaltspiele
max. 100.000 Schaltspiele DC13
Approbationen
VDE, cURus, ENEC10, CE, UKCA
Technische Skizzen
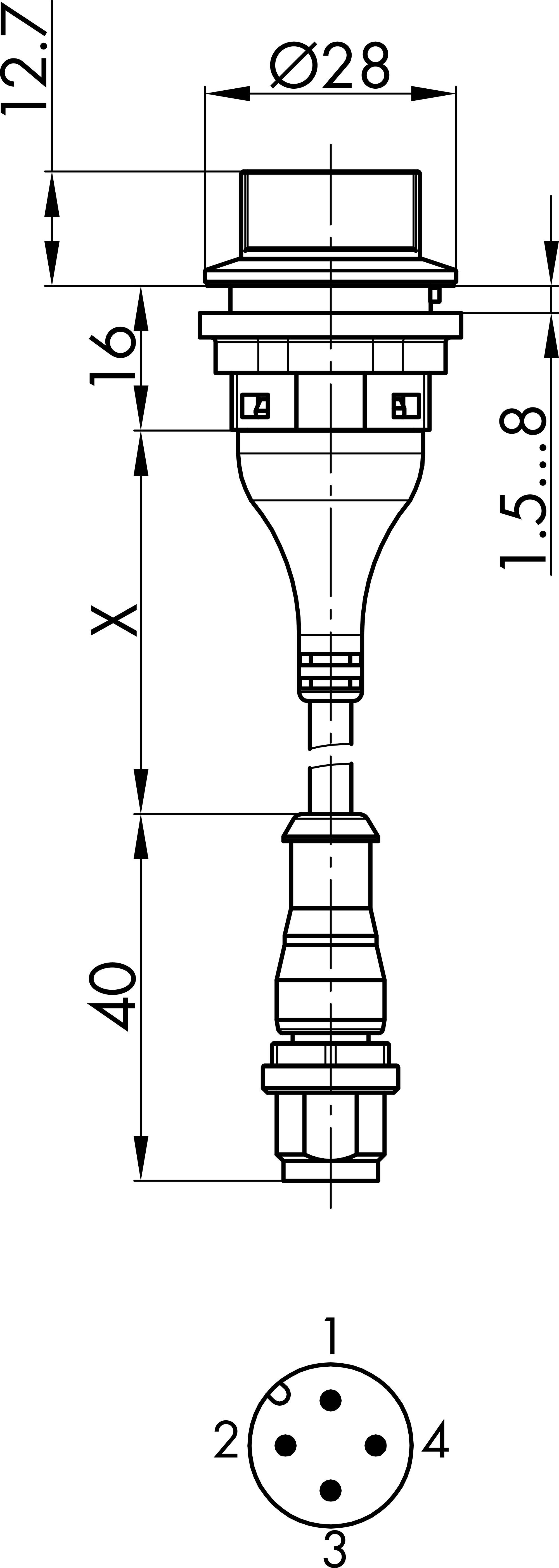
Maßskizze SWBOI_M01
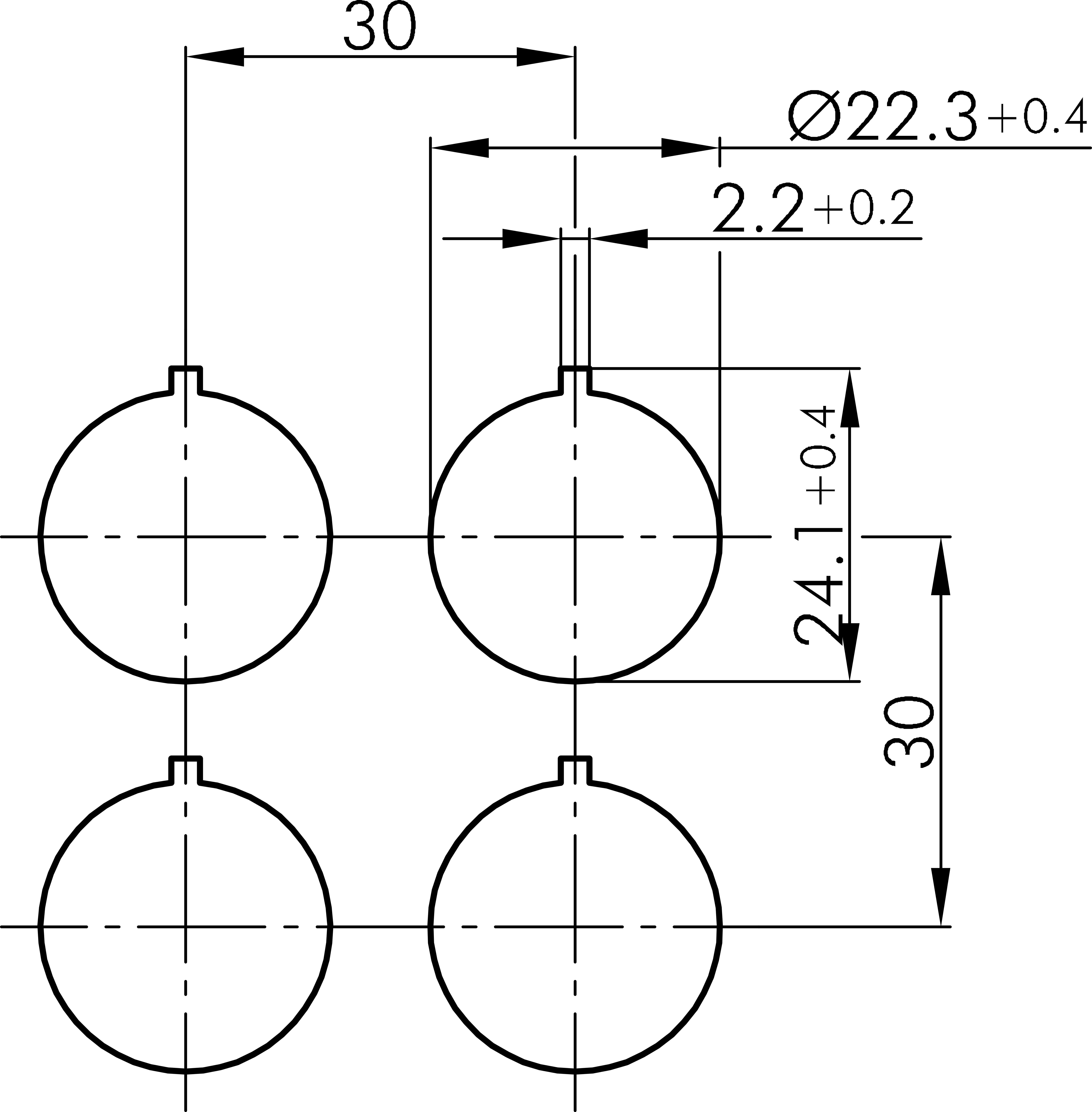
Bohrbild SWBOI_M01
Schaltbild SWBOI_M01
Schaltstellungsanzeige SWBOI_M01
Schaltwegediagramm SWBOI_M01
Produktbild SWBOI_M01
Dokumente
Icon E-Mail Icon Telefon