Zum Hauptinhalt springen Zur Suche springen Zur Hauptnavigation springen
Technische Daten
Produktbilder
Downloads

KRJK - Kippbetätiger

Robuster Kippbetätiger mit großem, griffigen Schalthebel und angenehmen, straffen Schaltverhalten.
Baureihe
KOMBITAST®-R-JUWEL
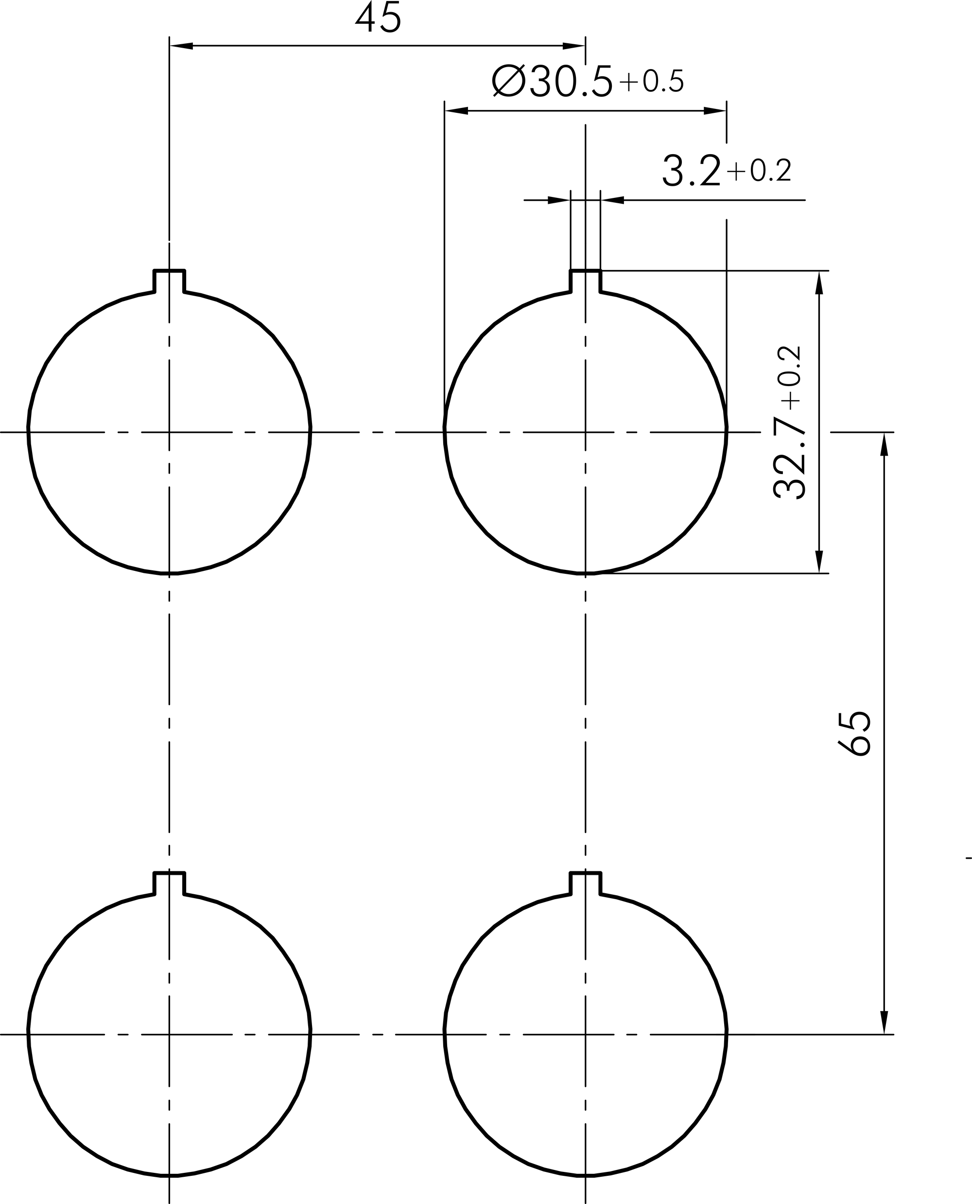
Einbauöffnung
Ø 30,5 mm
Schaltfunktion
Rastfunktion
Beleuchtung
Nein
Farbe Frontrahmen
anthrazit
Farbe Betätigungselement
rot
Bauform
rund
Schutzart Vorne
IP65
Betriebstemperatur
-25°C ... 70°C
Approbationen
cULus, CCC, CE, UKCA
Technische Skizzen
Maßskizze KRJK
Bohrbild KRJK
Produktbild KRJK
Icon E-Mail Icon Telefon