Zum Hauptinhalt springen Zur Suche springen Zur Hauptnavigation springen
Technische Daten
Produktbilder
Dokumente

RRJ_RJ45 - RJ45-Buchse/Stecker (60 cm)

Baureihe
RONTRON-R-JUWEL
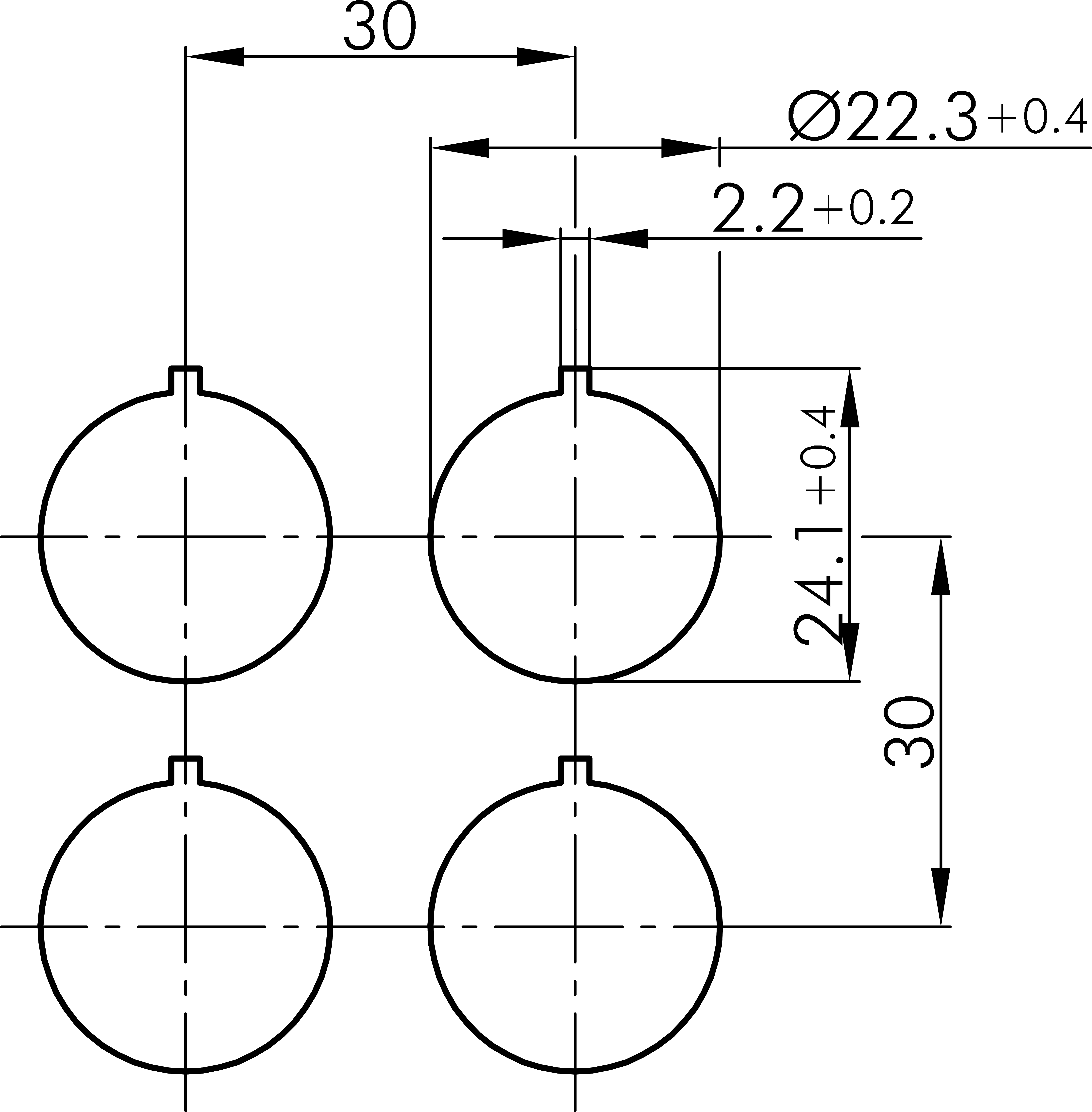
Einbauöffnung
Ø 22,3 mm
Beleuchtung
Nein
Farbe Frontrahmen
silberfarben
Bauform
rund
Kabellänge
600 mm
Technische Skizzen
Maßskizze RRJ_RJ45
Bohrbild RRJ_RJ45
Auszeichnungen
Auszeichnung RRJ_USB3_150CM
Auszeichnung RRJ_USB3_150CM
Auszeichnung RRJ_USB3_150CM
Produktbild RRJ_RJ45
Icon E-Mail Icon Telefon